Rotation moteur à gauche et à droite
- itasoft
- Mi homme - Mi automate

- Messages : 7810
- Enregistré le : 20 oct. 2015, 10:15
- Localisation : Lyon
- Contact :
Re: Rotation moteur à gauche et à droite
slts,
comment on peut t'aider ? Si c’était juste pour faire un Marche / Arrêt du moteur dans un seul sens tu saurais faire
??
comment on peut t'aider ? Si c’était juste pour faire un Marche / Arrêt du moteur dans un seul sens tu saurais faire
??
Automaticien privé (de tout)
itasoft@free.fr
itasoft@free.fr
Re: Rotation moteur à gauche et à droite
Créateur de pannes ...
-
philou77
- Mi homme - Mi automate

- Messages : 2142
- Enregistré le : 21 oct. 2015, 10:00
- Localisation : Ile de France
Re: Rotation moteur à gauche et à droite
Salut !klauss2016 a écrit : ↑18 juil. 2017, 16:30 Bonjour à tous toujours pas de réponse.
Je suis en stage et on m' a demandé de réaliser un schéma de puissance et de commande avec tous les dispositifs de protection. Le choix des dispositifs sont à ma connivence.
Voila sur un moteur en monophasé 230V tournant à gauche pendant 30s et s'arrête et une LED s'allume
puis après un temps de repos,
tournant à droite pendant 30s et s'arrête et une autre LED s'allume.
J'ai pas idée sur les branchements mais c'est avec des relais.
Merci
Connivence n'est pas le bon mot...ça c'est fait..
Pour le reste, on fait pas les devoirs..
A Toi de potasser et de proposer quelque chose qu'on pourra à la rigueur corriger.
google est ton ami : tapes 'schéma démarrage de moteur 2 sens de rotation' et regarde parmi les images.
A+
Si vous avez compris tout ce que je viens d'écrire, c'est que j'ai dû faire une erreur quelque part ! 
- itasoft
- Mi homme - Mi automate

- Messages : 7810
- Enregistré le : 20 oct. 2015, 10:15
- Localisation : Lyon
- Contact :
Re: Rotation moteur à gauche et à droite
slts,
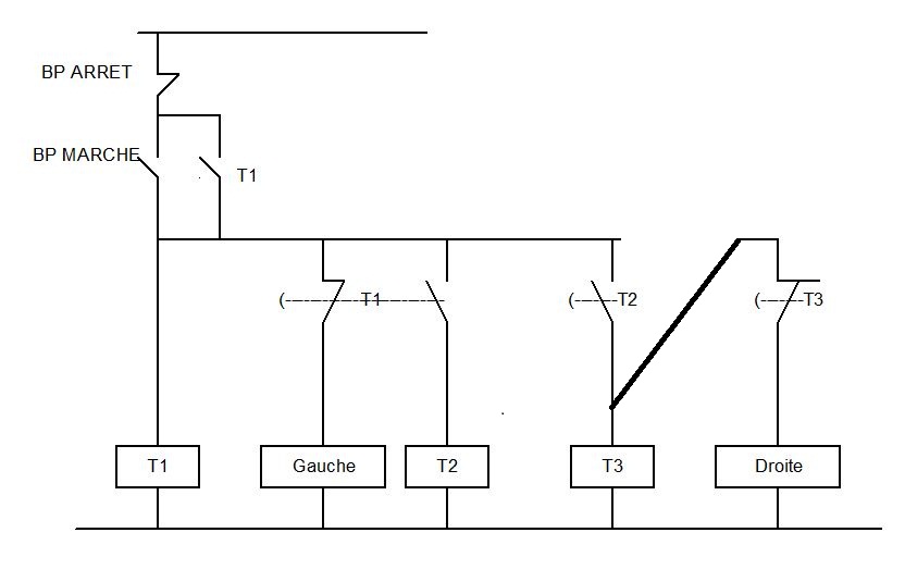
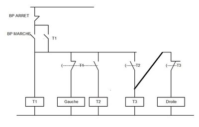
en fait il veut faire le schéma Electrique de la séquence, ci dessous un exemple à étudier , interrogation demain matin, lol
cliquer dessus pour agrandir
en fait il veut faire le schéma Electrique de la séquence, ci dessous un exemple à étudier , interrogation demain matin, lol
cliquer dessus pour agrandir
Automaticien privé (de tout)
itasoft@free.fr
itasoft@free.fr
-
klauss2016
- Asservi son premier moteur

- Messages : 21
- Enregistré le : 31 janv. 2017, 20:51
Re: Rotation moteur à gauche et à droite
Bonsoir philou77
Par respect j'ai apprécié ta réponse. Mais quand on n'arrive pas à donner une réponse et dire juste propos comme tu viens de le faire passe juste. Nous sommes tous ici pour apprendre.
Sinon le forum n'existerai pas.
Par respect j'ai apprécié ta réponse. Mais quand on n'arrive pas à donner une réponse et dire juste propos comme tu viens de le faire passe juste. Nous sommes tous ici pour apprendre.
Sinon le forum n'existerai pas.
- itasoft
- Mi homme - Mi automate

- Messages : 7810
- Enregistré le : 20 oct. 2015, 10:15
- Localisation : Lyon
- Contact :
Re: Rotation moteur à gauche et à droite
Slts,
C’est l’éternel problème, on as tendance à confondre forum d’entraide avec centre de formation.
Pour ton cas de figure, si tu ne sais pas comment faire le schéma électrique de cette séquence en particulier
mais que tu sais déjà faire des schémas électriques en général dans ce cas c’est de l’entraide.
Maintenant si tu ne sais rien faire de ce que l’on te demande, dans ce cas c’est de la formation et c’est pas la vocation ce forum.
C’est l’éternel problème, on as tendance à confondre forum d’entraide avec centre de formation.
Pour ton cas de figure, si tu ne sais pas comment faire le schéma électrique de cette séquence en particulier
mais que tu sais déjà faire des schémas électriques en général dans ce cas c’est de l’entraide.
Maintenant si tu ne sais rien faire de ce que l’on te demande, dans ce cas c’est de la formation et c’est pas la vocation ce forum.
Automaticien privé (de tout)
itasoft@free.fr
itasoft@free.fr
-
philou77
- Mi homme - Mi automate

- Messages : 2142
- Enregistré le : 21 oct. 2015, 10:00
- Localisation : Ile de France
Re: Rotation moteur à gauche et à droite
Bonsoir,klauss2016 a écrit : ↑18 juil. 2017, 22:04 Bonsoir philou77
Par respect j'ai apprécié ta réponse. Mais quand on n'arrive pas à donner une réponse et dire juste propos comme tu viens de le faire passe juste. Nous sommes tous ici pour apprendre.
Sinon le forum n'existerai pas.
Rien de bien méchant..
je t'ai donné un début de réponse..
à toi de proposer quelque chose pour qu'on puisse aider.. et pas former comme te l'a dit @Itasoft.
C'était à toi de proposer un schéma et pas à lui.. m'enfin, il est trop gentil @Itasoft, c'est pour ça qu'on l’apprécie (pas le trop mais le gentil
Si vous avez compris tout ce que je viens d'écrire, c'est que j'ai dû faire une erreur quelque part ! 
-
klauss2016
- Asservi son premier moteur

- Messages : 21
- Enregistré le : 31 janv. 2017, 20:51
Re: Rotation moteur à gauche et à droite
Merci à tous
C'est gentil à tous, j'aime cette communauté et vous tous. Mais j'ai pu trouver une solution et je sais pas trop comment poster l'image pour faire profiter les autres.
En effet, pour un moteur en monophasé il faut placer un condensateur entre deux enroulements pour que le moteur fonctionne en mono. Pour la rotation gauche et droite il faut deux relais de puissance et deux relais temporisés(réglages du temps) et deux contacteurs. Un fusible de protection de 20A.
C'est gentil à tous, j'aime cette communauté et vous tous. Mais j'ai pu trouver une solution et je sais pas trop comment poster l'image pour faire profiter les autres.
En effet, pour un moteur en monophasé il faut placer un condensateur entre deux enroulements pour que le moteur fonctionne en mono. Pour la rotation gauche et droite il faut deux relais de puissance et deux relais temporisés(réglages du temps) et deux contacteurs. Un fusible de protection de 20A.
-
berserker91
- Code sa première boucle

- Messages : 16
- Enregistré le : 14 juin 2017, 00:30
Re: Rotation moteur à gauche et à droite
un condensateur.. je pense que c'est plus une question de logique à relais qu'une question de démarrage, c'est pas forcé ton condensateur.Pour le reste je suis d'accord avec les autres, creuses un peu les gars t'ont déjà donné des , en plus c'est la base...inversion de pôle, contacteur, relais temporisé, fusibles commandes start stop , e-stop; ca va te donner une idées
