salut a tous
je cherche un schémas de câblage pour faire une conversion d'un capteur inductif 3fils NO ( PNP) vers un NPN
j'ai fais une recherche sur le net mais il ya que la conversion npn vers pnp( utilisation des résistances)
grand salutation
sensor PNP vers NPN
- itasoft
- Mi homme - Mi automate

- Messages : 7804
- Enregistré le : 20 oct. 2015, 10:15
- Localisation : Lyon
- Contact :
Re: sensor PNP vers NPN
slts,
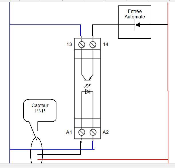
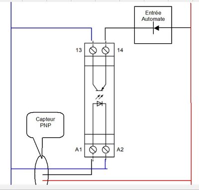
ce capteur inductif doit être branché sur une entrée automate ?
ce capteur inductif doit être branché sur une entrée automate ?
Automaticien privé (de tout)
itasoft@free.fr
itasoft@free.fr
Re: sensor PNP vers NPN
salut
oui monsieur c'est une entrée automate .
cet automate nécessite une entrée négative ( NPN)
moi j'ai des capteur inductive PNP a 3fils je veux les consommés
salutations
oui monsieur c'est une entrée automate .
cet automate nécessite une entrée négative ( NPN)
moi j'ai des capteur inductive PNP a 3fils je veux les consommés
salutations
- itasoft
- Mi homme - Mi automate

- Messages : 7804
- Enregistré le : 20 oct. 2015, 10:15
- Localisation : Lyon
- Contact :
Re: sensor PNP vers NPN
slts,
à moins que tu veuille t'amuser à faire un montage à transistors sinon le plus simple est de passer par une interface relais ou statique bestiale,
à moins que tu veuille t'amuser à faire un montage à transistors sinon le plus simple est de passer par une interface relais ou statique bestiale,
Modifié en dernier par itasoft le 05 déc. 2017, 19:09, modifié 4 fois.
Automaticien privé (de tout)
itasoft@free.fr
itasoft@free.fr
Re: sensor PNP vers NPN
Créateur de pannes ...


