Bonjour à tous,
Je souhaiterai avoir de l'aide au sujet de l'étude de ce schéma électrotechnique. (calculs, mesures, données)
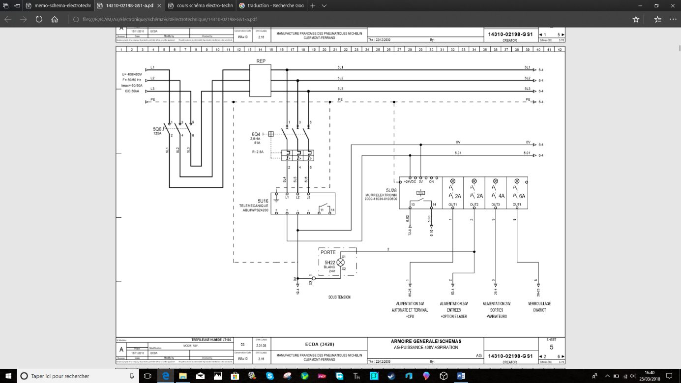
-sectionneur porte-fusible
-contacteur
-relais
-voyant.
Merci
Alimentation
- RedFish
- Générateur de blocs fonctions

- Messages : 141
- Enregistré le : 01 avr. 2016, 09:56
- Localisation : BRETAGNE/NORMANDIE
Re: Alimentation
Sujet à supprimer je pense !!!
- Béryl
- Mi homme - Mi automate

- Messages : 1953
- Enregistré le : 20 oct. 2015, 12:00
- Localisation : localhost
Re: Alimentation
On fait toujours l'aide aux devoirs, ici ?...
Je pense plutôt qu'il a besoin d'aide pour virer le tas de merde qui pollue son PC
Je pense plutôt qu'il a besoin d'aide pour virer le tas de merde qui pollue son PC

