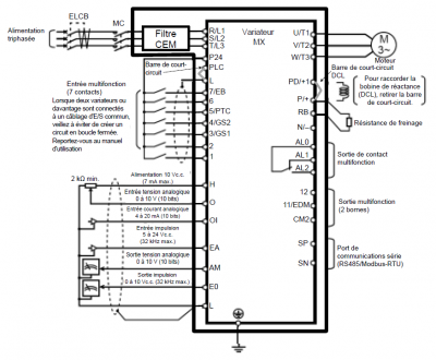
Je vous explique mon petit soucis, j'ai un variateur de vitesse OMRON MX2 type 3G3MX2-A4022-E à câbler, pour ce qui est de l'alimentation et de ce qu'il faut renvoyer au moteur c'est bon. Mais je ne sais pas quels sont les autres branchements à effectuer pour que mon variateur fonctionne, je sais que j'ai ma sortie analogique PID à ramener dessus mais je ne sais pas vraiment où... :/ Est-il nécessaire de câbler d'autres entrées etc etc ? Tout conseil est bon à prendre pour moi
Merci d'avance ! (ci joint un schéma du variateur.)


