Bonjour chère confrère !
Je ne maitrise pas totalement ce logiciel m³ soft, je voudrais ajouter une temporisation .je voudrais mettre une temporisation, la condition : pas plus de 5 démarrages par heure -> tempo sur démarrage 50% ou appel de 100%
donc chaque 12 minutes dans leur heure
Merci de vos réponse .
TEMPORISATION M3 Soft
-
MasterLyuum
- Apprend le binaire

- Messages : 2
- Enregistré le : 17 juin 2021, 08:10
- itasoft
- Mi homme - Mi automate

- Messages : 7805
- Enregistré le : 20 oct. 2015, 10:15
- Localisation : Lyon
- Contact :
Re: TEMPORISATION M3 Soft
slts,
ça revient à n'autoriser qu'un démarrage toutes les 12 mn , ya pas de notion de 5 démarrages ou d'heure, c'est ça ?
ça revient à n'autoriser qu'un démarrage toutes les 12 mn , ya pas de notion de 5 démarrages ou d'heure, c'est ça ?
Automaticien privé (de tout)
itasoft@free.fr
itasoft@free.fr
-
philou77
- Mi homme - Mi automate

- Messages : 2142
- Enregistré le : 21 oct. 2015, 10:00
- Localisation : Ile de France
Re: TEMPORISATION M3 Soft
Si on suit son joli chronogramme
Sa tempo ne démarre que sur front montant de E
et sa sortie est Front Montant TEMPO
il ne veut au maximum que 5 démarrages par heure (d'ou la tempo de 12 minutes..)...
bon je tente une soluce :
Sa tempo ne démarre que sur front montant de E
et sa sortie est Front Montant TEMPO
il ne veut au maximum que 5 démarrages par heure (d'ou la tempo de 12 minutes..)...
bon je tente une soluce :
Modifié en dernier par philou77 le 17 juin 2021, 12:26, modifié 1 fois.
Si vous avez compris tout ce que je viens d'écrire, c'est que j'ai dû faire une erreur quelque part ! 
- itasoft
- Mi homme - Mi automate

- Messages : 7805
- Enregistré le : 20 oct. 2015, 10:15
- Localisation : Lyon
- Contact :
Re: TEMPORISATION M3 Soft
slts,
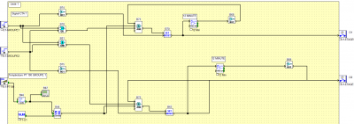
si on autorise que un démarrage toutes les 12 mn il peut pas en faire plus de 5 par heure
Exemple bon si après un Arrêt obligé d'attendre 12 mn avant de pouvoir refaire un démarrage
--------clic pour zoom ----------
si on autorise que un démarrage toutes les 12 mn il peut pas en faire plus de 5 par heure
Exemple bon si après un Arrêt obligé d'attendre 12 mn avant de pouvoir refaire un démarrage
--------clic pour zoom ----------
Automaticien privé (de tout)
itasoft@free.fr
itasoft@free.fr
-
MasterLyuum
- Apprend le binaire

- Messages : 2
- Enregistré le : 17 juin 2021, 08:10
Re: TEMPORISATION M3 Soft
Merci pour vos conseille, j'ai pu optimiser le programme grâce à votre retour !
Et réglait les problèmes en amont .
PS: la résistance était une PT-100, la deuxième image c'est comme cela que je l'ai configuré .
Merci infiniment !
Et réglait les problèmes en amont .
PS: la résistance était une PT-100, la deuxième image c'est comme cela que je l'ai configuré .
Merci infiniment !