pb: gestion d'un grand nombre de sorties avec 1 relais

Partie du forum pour tout ce qui concerne la partie électronique. Forum, conseil, astuce et entraide sur le dépannage de carte électronique ou divers conseils .
nmocws
Apprend le binaire
Apprend le binaire
Messages : 8
Enregistré le : 22 nov. 2021, 15:55

pb: gestion d'un grand nombre de sorties avec 1 relais

Message par nmocws »

Bonjour,

Je travaille actuellement sur un boitier électrique et j'ai à mettre en place une logique câblée pour commander les sorties. Je suis plutôt débutant sur ce genre de systèmes et je ne connais pas bien les règles et les exigences en place.

j'utilise principalement des relais Schneider Harmony 4O/4F montés sur Rail DIN. Je m'efforce donc d'utiliser 4 contacts NO ou moins pour chaque relais.

J'ai une douzaine de sorties (solénoïdes pour distributeurs hydrauliques) On a spécifié que chaque sortie X est commandée par deux moyens:
  • un relais KaX spécifique (commandé par l'automate) si le relais de contrôle Ka401 est activé
  • un actionneur manuel BPX, que ka401 soit activé ou non
donc SX= (Ka401.KaX)+BPX
le schéma simplifié de base serait le suivant:
sch-base.png
sch-base.png (10.3 Kio) Vu 6335 fois
(c'est une version simplifiée: il y a en réalité 12 sorties, et des contacts supplémentaires autours, mais qui n'interviennent pas dans mon problème pour l'instant)

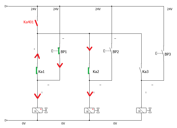
Le problème de cette version est que j'aurai besoin d'utiliser un grand nombre de contacts Ka401. J'essaie d'élaborer une autre version pour réduire ce nombre.

Initialement, j'avais prévu de n'utiliser qu'un seul contact Ka401 en modifiant mon circuit de la manière suivante:
sch_modif.png
sch_modif.png (11.46 Kio) Vu 6335 fois
Mais en l'état, ça ne fonctionne pas: dans le cas ou Ka401 est désactivé, ou plusieurs relais automates sont activés, et ou on active l'un des actionneurs manuels correspondant, la circulation du courant provoque la mise sous tension de toutes les sorties dont le relai automate est activé
sch_modif_pb.png
(L'automate n'est pas sensé permettre à un tel cas de se produire, mais pallier aux éventuels dysfonctionnement de l'automate est justement la raison pour laquelle on veut de la logique câblée en premier lieu)

Je ne trouve pas trop de solution "propres" à ça
  • Mon premier réflexe aurait été de rajouter des diodes en amont de chaque contact automate, mais ça me semble peu adapté vu le type de circuit (industriel, courants >1A)
  • Revenir au circuit de base m'obligerait à trouver 12 contacts différents, placer plusieurs relais côte à côte ne me semble pas très orthodoxe
Est-ce que vous sauriez si il y a une solution conventionnelle à ce type de problème?

merci de votre aide
Gigi
Forcené des structures
Forcené des structures
Messages : 172
Enregistré le : 13 janv. 2022, 22:51
Localisation : Tourcoing

Re: pb: gestion d'un grand nombre de sorties avec 1 relais

Message par Gigi »

Bonjour
Et pourquoi pas utiliser un contact NC du bouton poussoir BP1 câblé en série avec le contact KA1,du coup en mode manuel cela ouvre le circuit de retour.
Pb:il faut des contacts NC supplémentaire pour chaque BP.
A+
C'est en forgeant qu'on devient forgeron !
Jambe
Créateur de langage
Créateur de langage
Messages : 749
Enregistré le : 28 mai 2020, 18:38

Re: pb: gestion d'un grand nombre de sorties avec 1 relais

Message par Jambe »

J'utilise des platines avec relais et un commutateur 3 positions (Auto - Off - Forcé) de chez conta-clip:
https://conta-clip.shop/en/6600.2

C'est compact, câblage simplifié: "ça fait la rue michel" Led d'état, diode de roue libre intégrée pour protéger la sortie automate

6600_2_Anschlussdiagramm_1920x1920.jpg
Existe en multiple combinaison: nombre de voie, nombre de contact inverseur, commande PNP ou NPN etc...
Cedric39
Générateur de blocs fonctions
Générateur de blocs fonctions
Messages : 133
Enregistré le : 05 déc. 2015, 09:47

Re: pb: gestion d'un grand nombre de sorties avec 1 relais

Message par Cedric39 »

Bonjour,

Ca me parais assez hasardeux d'autoriser la manuel en même temps que l'automatique. A voir suivant le système mais si distributeur bistable, ca ne fonctionne pas si les 2 bobines sont commandé en même temps.
nmocws
Apprend le binaire
Apprend le binaire
Messages : 8
Enregistré le : 22 nov. 2021, 15:55

Re: pb: gestion d'un grand nombre de sorties avec 1 relais

Message par nmocws »

@gigi
Et pourquoi pas utiliser un contact NC du bouton poussoir BP1 câblé en série avec le contact KA1,du coup en mode manuel cela ouvre le circuit de retour.
Pb:il faut des contacts NC supplémentaire pour chaque BP.
Merci! L'idée n'est pas inintéressante, mais effectivement, ajouter des contacts NC aux actionneurs manuels risquent d'être une galère pour moi...

Ma faute, j'ai trop réduit le schéma que j'ai mis en exemple... :oops:

Donc correction: les actionneurs manuels ne sont pas de boutons poussoirs (contrairement à ce que l'appellation BP que j'ai utilisé sur le schéma faisait penser...). C'est des commutateurs à levier 3 positions avec retour au centre. Chaque levier commande 2 sorties, c'est choisi pour que l'opérateur ne puisse pas commander 2 solénoïdes opposées en même temps.

https://www.digikey.fr/fr/products/deta ... 21/6347332

Mais l'inconvénient, c'est qu'on ne peut pas venir insérer un bloc NC supplémentaire au dos du composant comme on le pourrait avec un bouton poussoir classique...

Du coup, pour être plus clair, une version plus complète de mon schéma initial ressemblerait à ça:
sch_base_complet.png
Avec 2 infos supplémentaires (au cas où:)
  • il y a 1 contact en amont (associé à l'AU) qui coupe l'ensemble du circuit (auto et manuel)
  • certaines sorties (pas toutes) ont des contacts supplémentaires en aval des commandes manuels et auto (associés à des capteurs de sécu)
@Jambe
J'utilise des platines avec relais et un commutateur 3 positions (Auto - Off - Forcé) de chez conta-clip:
https://conta-clip.shop/en/6600.2
Si je comprend bien, le module a 8 relais séparés, mais dont les bobines sont alimentées par le même signal, du coup l'idée serait de repartir sur le schéma de base (1 contact ka401 par branche) et d'utiliser 2 modules avec 1 relais pour chacun des 12 contacts Ka401 nécessaires, c'est ça?
Modifié en dernier par nmocws le 15 avr. 2022, 15:52, modifié 1 fois.
nmocws
Apprend le binaire
Apprend le binaire
Messages : 8
Enregistré le : 22 nov. 2021, 15:55

Re: pb: gestion d'un grand nombre de sorties avec 1 relais

Message par nmocws »

@Cedric39
Ca me parais assez hasardeux d'autoriser la manuel en même temps que l'automatique. A voir suivant le système mais si distributeur bistable, ca ne fonctionne pas si les 2 bobines sont commandé en même temps.
Je suis tout à fait d'accord sur le principe. La possibilité de forcer manuellement les sorties en mode auto est une exigence qui a été longuement débattue. Cela dit, le système est un démonstrateur, et l'idée est de permettre à l'opérateur de "tester la robustesse" du système en introduisant des anomalies en cours de process.

Pour l'aspect bistable des distributeurs, la nature des actionneurs manuels (commutateurs 3 on-off-on) s'assure que l'opérateur ne peut pas manuellement appuyer sur les 2 cotés du distributeur en même temps, mais effectivement, rien ne l'empêche de tirer d'un coté pendant que l'automate tire de l'autre...
philou77
Mi homme - Mi automate
Mi homme - Mi automate
Messages : 2142
Enregistré le : 21 oct. 2015, 10:00
Localisation : Ile de France

Re: pb: gestion d'un grand nombre de sorties avec 1 relais

Message par philou77 »

Re !

tu n'as pas le choix..
C'est ou bien des contact de relais, ou bien des diodes anti retour !!

en platine diode, il y a ce genre là : https://asset.conrad.com/media10/add/16 ... ac-max.pdf

et bien d'autres sur un site bien connu et pas cher qui vient du levant!
Si vous avez compris tout ce que je viens d'écrire, c'est que j'ai dû faire une erreur quelque part ! :D
Gigi
Forcené des structures
Forcené des structures
Messages : 172
Enregistré le : 13 janv. 2022, 22:51
Localisation : Tourcoing

Re: pb: gestion d'un grand nombre de sorties avec 1 relais

Message par Gigi »

Le module à diodes est une bonne idée mais ici le courant des électrovannes est supérieur au 1A des diodes 1N4007 du module alors soit ça existe en plus de 1A soit utilise des relais supplémentaires pour le mode manuel du coup là tu récupères des contacts pour couper les retours.
C'est en forgeant qu'on devient forgeron !
Jambe
Créateur de langage
Créateur de langage
Messages : 749
Enregistré le : 28 mai 2020, 18:38

Re: pb: gestion d'un grand nombre de sorties avec 1 relais

Message par Jambe »

nmocws a écrit : 15 avr. 2022, 15:20
@Jambe
J'utilise des platines avec relais et un commutateur 3 positions (Auto - Off - Forcé) de chez conta-clip:
https://conta-clip.shop/en/6600.2
Si je comprend bien, le module a 8 relais séparés, mais dont les bobines sont alimentées par le même signal, du coup l'idée serait de repartir sur le schéma de base (1 contact ka401 par branche) et d'utiliser 2 modules avec 1 relais pour chacun des 12 contacts Ka401 nécessaires, c'est ça?
Non du tout chaque relais est commandé indépendamment par une sortie de l’automate (repéré 1+, 2+ etc etc…)
Jambe
Créateur de langage
Créateur de langage
Messages : 749
Enregistré le : 28 mai 2020, 18:38

Re: pb: gestion d'un grand nombre de sorties avec 1 relais

Message par Jambe »

Le problème est mal posé: si je devais le faire, Je câblerai KA401 sur une entrée de l’automate et programmerai cette condition dans l’automate.
Répondre