bonjour,
je travaille sur un sujet pour un projet scolaire où je récupère des valeurs de pression avec un capteur 4...20ma.
Je constate une légère différence entre la valeur indiqué par le capteur et ce que reçoit l'automate.
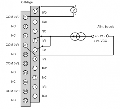
Cependant ma demande concerne le câblage suivant dont je ne suis pas 100% sur.
J'ai relié l'alimentation du capteur à mon bornier +24V et à une masse du bornier. Puis après la borne COM 0V1 (numero 8 sur le schéma) au bornier 0V.
Et enfin j'ai fait un pont entre la borne 7 et 9 d'où je ramène l'information 4..20ma du capteur de pression.
Est ce que j'ai bien fait comme il le faut. Mon interrogation étant : si je relie directement le fils - du capteur directement sur la borne Com 0V1 (8) de la carte AMI 0410 , est ce que j'aurai une valeur plus précise?
merci de votre réponse
analogique 4.20ma
-
stagiaire21
- Code sa première boucle

- Messages : 19
- Enregistré le : 02 nov. 2016, 21:09
- itasoft
- Mi homme - Mi automate

- Messages : 7816
- Enregistré le : 20 oct. 2015, 10:15
- Localisation : Lyon
- Contact :
Re: analogique 4.20ma
quelle reference ce capteur pour trouver la Doc ?
Automaticien privé (de tout)
itasoft@free.fr
itasoft@free.fr
-
MiGaNuTs
- Mi homme - Mi automate

- Messages : 1630
- Enregistré le : 12 nov. 2015, 21:02
- Localisation : 45 - Loiret
- Contact :
Re: analogique 4.20ma
Les erreurs d'arrondi ne viennent pas forcement de la mesure.
Parfois ça peut venir de la façon dont le processeur arrondi les valeurs, selon la formule que tu a programmé et les valeurs que tu rentre dedans.
De manière générale quand tu fait un produit en croix avec un processeur le mieux c'est de faire la multiplication d'abord (en veillant a ce qu'il n'y ai pas de débordement du calcul) et la division ensuite, plutôt que l'inverse.
Parfois ça peut venir de la façon dont le processeur arrondi les valeurs, selon la formule que tu a programmé et les valeurs que tu rentre dedans.
De manière générale quand tu fait un produit en croix avec un processeur le mieux c'est de faire la multiplication d'abord (en veillant a ce qu'il n'y ai pas de débordement du calcul) et la division ensuite, plutôt que l'inverse.
-
stagiaire21
- Code sa première boucle

- Messages : 19
- Enregistré le : 02 nov. 2016, 21:09
Re: analogique 4.20ma
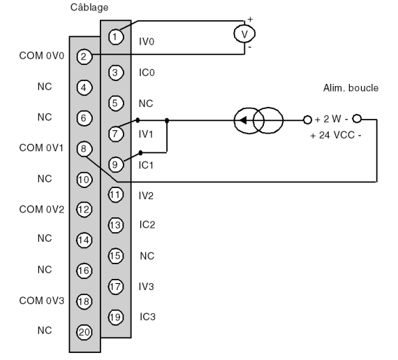
Bonjour c'est un pl1514 avec ce schéma mais en regardant sur le site, je m'aperçoit un câblage en 2 fils mais malgré tout j'aimerai savoir si mon cablage en 3 fils en bon.
les automates sont ils capables de voir des changements en centièmes de milli amperes?MiGaNuTs a écrit : ↑14 janv. 2025, 08:28 Les erreurs d'arrondi ne viennent pas forcement de la mesure.
Parfois ça peut venir de la façon dont le processeur arrondi les valeurs, selon la formule que tu a programmé et les valeurs que tu rentre dedans.
De manière générale quand tu fait un produit en croix avec un processeur le mieux c'est de faire la multiplication d'abord (en veillant a ce qu'il n'y ai pas de débordement du calcul) et la division ensuite, plutôt que l'inverse.
exemple 1bar = 5.5ma mais si on passe à 1.01 bar , la valeur deviendrai peut être 5.51 ma. Cela me parait compliqué de voir un changement aussi faible de courant?
-
MiGaNuTs
- Mi homme - Mi automate

- Messages : 1630
- Enregistré le : 12 nov. 2015, 21:02
- Localisation : 45 - Loiret
- Contact :
Re: analogique 4.20ma
stagiaire21 a écrit : ↑14 janv. 2025, 14:20Bonjour c'est un pl1514 avec ce schéma mais en regardant sur le site, je m'aperçoit un câblage en 2 fils mais malgré tout j'aimerai savoir si mon câblage en 3 fils en bon.les automates sont ils capables de voir des changements en centièmes de milli amperes?MiGaNuTs a écrit : ↑14 janv. 2025, 08:28 Les erreurs d'arrondi ne viennent pas forcement de la mesure.
Parfois ça peut venir de la façon dont le processeur arrondi les valeurs, selon la formule que tu a programmé et les valeurs que tu rentre dedans.
De manière générale quand tu fait un produit en croix avec un processeur le mieux c'est de faire la multiplication d'abord (en veillant a ce qu'il n'y ai pas de débordement du calcul) et la division ensuite, plutôt que l'inverse.
exemple 1bar = 5.5ma mais si on passe à 1.01 bar , la valeur deviendrai peut être 5.51 ma. Cela me parait compliqué de voir un changement aussi faible de courant?
La carte analogique de ton automate converti le courant d'entrée en "un certain nombre de bits". (Le plus souvent 10 ou 12, parfois 8 pour les entrées ana basiques, 16 voire 24 bits pour des cartes haut de gamme).
20 mA ça fait un certain nombre de points (2 puissance (nombre de bits du DAC) en fait). Certaines cartes peuvent faire une mise a l’échelle en interne (perso je suis pas fan, mais j'ai l'impression d’être minoritaire a être de cet avis dans le métier)
20 mA / 4095 (pour une carte 12 bits classique) ça fait 0,004884004884004884004884004884004884004884004884 (etc) mA de résolution entre 2 valeurs possibles.
Selon ce que tu fait comme calculs avec tes 4095 points tu peut te retrouver avec des truc cohérents, ou pas.
Ça c'est pour la partie purement mathématique. Parce qu'en pratique la linéarité et la répétabilité plus ou moins bonne du capteur peut aussi donner quelques surprises.
Pour avoir une bonne précision il faut que les planètes soit toutes bien alignées : qualité du capteur, qualité du câblage et programme de mise a l’échelle codé proprement.
-
stagiaire21
- Code sa première boucle

- Messages : 19
- Enregistré le : 02 nov. 2016, 21:09
Re: analogique 4.20ma
merci de vos réponses,
nous avons trouvé et mesuré avec un oscilloscope et effectivement nous avons une très légère dérive entre la valeur de sortie du capteur et ce que reçoit l'automate
nous avons trouvé et mesuré avec un oscilloscope et effectivement nous avons une très légère dérive entre la valeur de sortie du capteur et ce que reçoit l'automate