Page 2 sur 3
Re: REQUÊTE ECRITURE ADVANTYS
Posté : 12 avr. 2020, 22:02
par JUL83
Pas plus de réponse , j'ai toujours le code=05.
Re: REQUÊTE ECRITURE ADVANTYS
Posté : 12 avr. 2020, 22:04
par JUL83
Pas plus de réponse, j'ai toujours le code=05

Re: REQUÊTE ECRITURE ADVANTYS
Posté : 12 avr. 2020, 23:23
par itasoft
tu es sur l'automate ou en simulateur ?
Re: REQUÊTE ECRITURE ADVANTYS
Posté : 12 avr. 2020, 23:39
par JUL83
sur l'automate.
Re: REQUÊTE ECRITURE ADVANTYS
Posté : 13 avr. 2020, 00:56
par itasoft
disons que ça marche moi, je ne suis pas sur un M340 mais sur un PREMUIM
Re: REQUÊTE ECRITURE ADVANTYS
Posté : 13 avr. 2020, 01:32
par JUL83

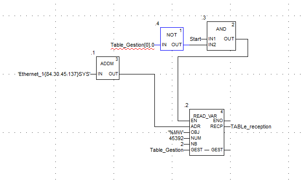
- Capture.PNG (10.21 Kio) Vu 3091 fois
Bon, décidément, je suis si mauvais que ça!!!:-(, du coup j'ai essayé une requête de lecture. Dans la table de gestion j'ai le mot %MW100 qui s'incrémente, et quand j’arrête j'ai le code =02
Re: REQUÊTE ECRITURE ADVANTYS
Posté : 13 avr. 2020, 01:59
par itasoft
0200=Dépassement capacité de la file d'attente des commandes
affiche ton programme
Re: REQUÊTE ECRITURE ADVANTYS
Posté : 13 avr. 2020, 02:05
par itasoft
avec le READ_VAR le TimeOut est obligatoire et ne le vois pas dans la table de gestion dans %MW100[2]
Re: REQUÊTE ECRITURE ADVANTYS
Posté : 13 avr. 2020, 02:47
par JUL83

- Capture.PNG (9.33 Kio) Vu 3089 fois
ça fonctionne de moins en moins.....

Re: REQUÊTE ECRITURE ADVANTYS
Posté : 13 avr. 2020, 11:40
par itasoft
un exemple en ST
(*horloge 1s*)
%M6:=%S6;
(*Une requete toutes les s *)
if re(%M6) and not %MW0.0 then
%MW0:=0;
%MW1:=0;
%MW2:=2;(*TimeOut 200ms*)
%MW3:=0;
READ_VAR(ADDM('Ethernet_1{192.168.1.1}TCP.MBS'), '%MW', 10, 2, %MW0:4, %MW100:2);
end_if;