Variateur de fréquence mono tri 1.1 kW atv31
Re: Variateur de fréquence mono tri 1.1 kW atv31
il faut vraiment que je fasse mon installation avec des bouton poussoir avec un module de temporisation minuterie je vais vous expliquer à quoi va servir cette installation c'est pour faire tourner à Manage pour enfants donc il me faut un arrêt automatique et une facilité d'utilisation
- itasoft
- Mi homme - Mi automate

- Messages : 7807
- Enregistré le : 20 oct. 2015, 10:15
- Localisation : Lyon
- Contact :
Re: Variateur de fréquence mono tri 1.1 kW atv31
slts,
manège pour enfants ? commencer par voir si l’arrêt d'urgence coupe toute la puissance instantanée (avec frein sur le variateur) si tu ne veux pas finir tes jours en prison
manège pour enfants ? commencer par voir si l’arrêt d'urgence coupe toute la puissance instantanée (avec frein sur le variateur) si tu ne veux pas finir tes jours en prison
Automaticien privé (de tout)
itasoft@free.fr
itasoft@free.fr
Re: Variateur de fréquence mono tri 1.1 kW atv31
pour l'arrêt d'urgence à ça pas de souci c'est déjà connecté ça marche bien à la base mon installation fonctionne commande 3 fils mais sur ce mode de fonctionnement je suis obligé de gérer le chrono pour faire un arrêt manuel c'est pour ça que je cherche des solutions pour automatiser l'arrêt.
en temps normal j'aurais fait appel à un professionnel pour ce genre d'installation mais la vue qu'on a pas pu travailler de toute la saison est que ça continue avec cette histoire de covid19 je suis obligé de me débrouiller
- Fichiers joints
-
- 124111060_919888388539125_6208139372892025716_n.jpg (17.53 Kio) Vu 2406 fois
-
- 124044471_852606788840745_7434854258061483710_n.jpg (22.21 Kio) Vu 2406 fois
- itasoft
- Mi homme - Mi automate

- Messages : 7807
- Enregistré le : 20 oct. 2015, 10:15
- Localisation : Lyon
- Contact :
Re: Variateur de fréquence mono tri 1.1 kW atv31
en cas d’arrêt d'urgence le moteur doit s’arrêter NET et ne pas continuer sur son inertie , ça veut dire que ya un système de freinage du moteur
c'est le cas actuellement ?????????????? si c'est pas le cas je vais t'envoyer des oranges dans ta prison. LOL
c'est le cas actuellement ?????????????? si c'est pas le cas je vais t'envoyer des oranges dans ta prison. LOL
Automaticien privé (de tout)
itasoft@free.fr
itasoft@free.fr
Re: Variateur de fréquence mono tri 1.1 kW atv31
non il n'est pas équipé d'une résistance de freinage mets le moteur équipé d'un réducteur donc le plateau tournant vraiment pas vite il s'arrête en Arrêt roue libre logiquement en 3 ou 4 secondes
mais si tu veux m'envoyer des oranges tu peux le faire quand même MDR
- itasoft
- Mi homme - Mi automate

- Messages : 7807
- Enregistré le : 20 oct. 2015, 10:15
- Localisation : Lyon
- Contact :
Re: Variateur de fréquence mono tri 1.1 kW atv31
bon, si ya un réducteur ça peut aller, ça va m’économiser les tonnes d'oranges, MDR
Automaticien privé (de tout)
itasoft@free.fr
itasoft@free.fr
- itasoft
- Mi homme - Mi automate

- Messages : 7807
- Enregistré le : 20 oct. 2015, 10:15
- Localisation : Lyon
- Contact :
Re: Variateur de fréquence mono tri 1.1 kW atv31
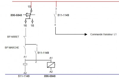
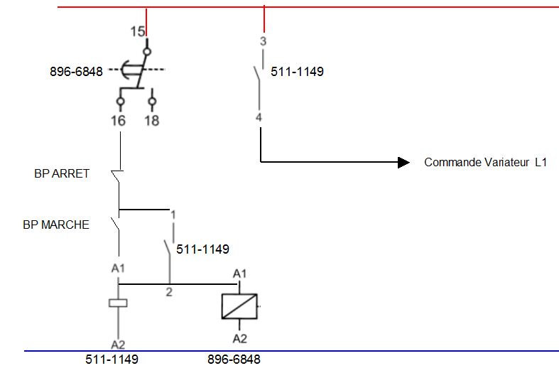
Matériel nécessaire
--------clic pour zoom------ ---------------
--------clic pour zoom------ ---------------
Automaticien privé (de tout)
itasoft@free.fr
itasoft@free.fr
Re: Variateur de fréquence mono tri 1.1 kW atv31
Salut franchement là c'est super bien expliqué
Re: Variateur de fréquence mono tri 1.1 kW atv31
Attention, le variateur. N'a pas assez de puissance pour alimenter les témpos... Il faut les alimenter via une alimentation auxiliaire.
Un manège ça fait partit d'une VGP non?
Un manège ça fait partit d'une VGP non?

