Moteur deux sens de marche avec tempo

Partie du forum pour tout ce qui concerne la partie électricité et électrotechnique dans l'industrie. Forum, conseil, astuce et entraide sur l'électricité industrielle et l'électrotechnique. Aide à la résolution de problèmes et dépannage.
philou77
Mi homme - Mi automate
Mi homme - Mi automate
Messages : 2142
Enregistré le : 21 oct. 2015, 10:00
Localisation : Ile de France

Re: Moteur deux sens de marche avec tempo

Message par philou77 »

salut !

la came, c'est mal !! lol

faut vivre avec son temps, bien obligé !
Si vous avez compris tout ce que je viens d'écrire, c'est que j'ai dû faire une erreur quelque part ! :D
Avatar du membre
Autoreverse
Aguerri de l'automation
Aguerri de l'automation
Messages : 78
Enregistré le : 04 mai 2019, 12:30
Contact :

Re: Moteur deux sens de marche avec tempo

Message par Autoreverse »

Facile à faire avec Crouzet Millenium (c'est de la bonne came :lol: ).
M2SMT.png
M2SMT.png (11.7 Kio) Vu 3379 fois
MaX1Mu55
Code son premier grafcet
Code son premier grafcet
Messages : 43
Enregistré le : 26 juil. 2021, 08:26

Re: Moteur deux sens de marche avec tempo

Message par MaX1Mu55 »

Merci à tous pour les infos ;)
MaX1Mu55
Code son premier grafcet
Code son premier grafcet
Messages : 43
Enregistré le : 26 juil. 2021, 08:26

Re: Moteur deux sens de marche avec tempo.

Message par MaX1Mu55 »

itasoft a écrit : 23 juil. 2022, 01:01 slts,
un exemples parmi d'autres sur ZELIO
--------clic dessus pour zoom---
Image
Je suis en pleine recherche de documentation sur le langage qu'on utilise sur le M3 soft pour les automates crouzet.

On peut faire en LADDER également mais j'aime pas du tout comme c'est fichu.

J'essaye de rajouter mon bouton arrêt dans ton programme, pour que quand j'appuie dessus le cycle s'arrête et soit RESET. Instinctivement je voulais rajouter un bouton arrêt sur l'entrée I2, et le raccorder sur le RESET mais impossible de raccorder les deux sur le logiciel.
Cedric39
Générateur de blocs fonctions
Générateur de blocs fonctions
Messages : 136
Enregistré le : 05 déc. 2015, 09:47

Re: Moteur deux sens de marche avec tempo

Message par Cedric39 »

Ma contribution : J'aime bien les grafcets...
I1 marche
I2 Arret / reset
Fichiers joints
Capture4.JPG
Modifié en dernier par Cedric39 le 15 sept. 2022, 13:48, modifié 1 fois.
philou77
Mi homme - Mi automate
Mi homme - Mi automate
Messages : 2142
Enregistré le : 21 oct. 2015, 10:00
Localisation : Ile de France

Re: Moteur deux sens de marche avec tempo

Message par philou77 »

Salut !

une façon de faire..

si plusieurs conditions peuvent faire le reset, alors il faut placer un bloc OU avec ces conditions
Fichiers joints
Sans titre 3.jpg
Si vous avez compris tout ce que je viens d'écrire, c'est que j'ai dû faire une erreur quelque part ! :D
Avatar du membre
itasoft
Mi homme - Mi automate
Mi homme - Mi automate
Messages : 7810
Enregistré le : 20 oct. 2015, 10:15
Localisation : Lyon
Contact :

Re: Moteur deux sens de marche avec tempo

Message par itasoft »

---clic zoom-----
01.JPG
Automaticien privé (de tout)
itasoft@free.fr
MaX1Mu55
Code son premier grafcet
Code son premier grafcet
Messages : 43
Enregistré le : 26 juil. 2021, 08:26

Re: Moteur deux sens de marche avec tempo

Message par MaX1Mu55 »

Merci !

J'ai hâte de me former pour être aussi fort que vous. Ça m'impressionne et vous avez toute mon admiration ! ;)
Avatar du membre
Autoreverse
Aguerri de l'automation
Aguerri de l'automation
Messages : 78
Enregistré le : 04 mai 2019, 12:30
Contact :

Re: Moteur deux sens de marche avec tempo.

Message par Autoreverse »

MaX1Mu55 a écrit : 15 sept. 2022, 11:51
itasoft a écrit : 23 juil. 2022, 01:01 slts,
un exemples parmi d'autres sur ZELIO
--------clic dessus pour zoom---
Image
Je suis en pleine recherche de documentation sur le langage qu'on utilise sur le M3 soft pour les automates crouzet.

On peut faire en LADDER également mais j'aime pas du tout comme c'est fichu.

J'essaye de rajouter mon bouton arrêt dans ton programme, pour que quand j'appuie dessus le cycle s'arrête et soit RESET. Instinctivement je voulais rajouter un bouton arrêt sur l'entrée I2, et le raccorder sur le RESET mais impossible de raccorder les deux sur le logiciel.
C'est faisable en ladder, mais je le conseille pas avec M3, c'est pas pratique et pas intuitif, ce logiciel est à la base conçu pour programmer en bloc fonction.

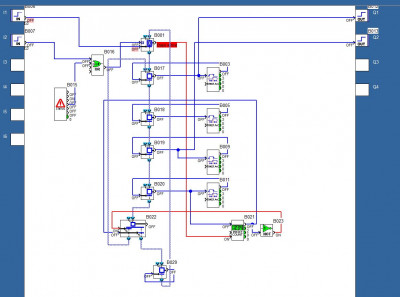
Sinon un bouton arrêt supplémentaire marche aussi avec ma solution, il suffit d'ajouter une bascule RS.
M2SMT2.png
Avatar du membre
lerieur
Forcené des structures
Forcené des structures
Messages : 152
Enregistré le : 27 nov. 2015, 22:04

Re: Moteur deux sens de marche avec tempo

Message par lerieur »

Logo! chez Siemens, Zelio chez Schneider, Millenium chez Crouzet, PLC Logic chez Phoenix Contact.

Ca offre plus de souplesse en cas de modification que la logique câblée.
Et même en terme de coûts.
Quand on doit payer plusieurs temporisations, du relayage, du câblage ...

Un autre avantage c'est la compacité des modules programmables.
La théorie, c’est quand on sait tout et que rien ne fonctionne. La pratique, c’est quand tout fonctionne et que personne ne sait pourquoi. Ici, nous avons réuni théorie et pratique : rien ne fonctionne ... et personne ne sait pourquoi !
Répondre