skip74 a écrit : ↑09 déc. 2020, 13:23
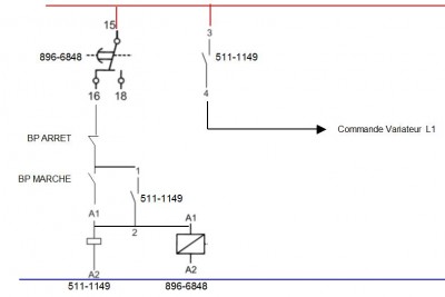
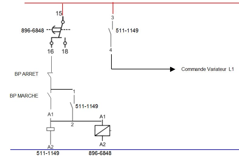
Attention, le variateur. N'a pas assez de puissance pour alimenter les témpos... Il faut les alimenter via une alimentation auxiliaire.
Un manège ça fait partit d'une VGP non?
ok c'est noté.
chez nous on appelle ça un cts il est divisé en plusieurs catégories tout dépend du manège. pour un manège enfantin de ce type là c'est une visite tous les 3 ans et pour les manèges à sensation ou autre c'est une visite tous les ans.
Salut,
Une réflexion que je fais souvent quand on commence à discuter d'un bouton marche, un arrêt, une tempo, etc....
Autant mettre un Zélio, on peut tout faire !
fish a écrit : ↑09 déc. 2020, 14:06
Salut,
Une réflexion que je fais souvent quand on commence à discuter d'un bouton marche, un arrêt, une tempo, etc....
Autant mettre un Zélio, on peut tout faire !
salut, si ça peut faire le job ça a l'air d'être moins compliqué installer et l'alimentation du variateur peut le supporter où il me fau une alimentation auxiliaire comme sur le schéma de itasoft
fish a écrit : ↑09 déc. 2020, 14:06
Salut,
Une réflexion que je fais souvent quand on commence à discuter d'un bouton marche, un arrêt, une tempo, etc....
Autant mettre un Zélio, on peut tout faire !
salut, si ça peut faire le job ça a l'air d'être moins compliqué installer et l'alimentation du variateur peut le supporter où il me fau une alimentation auxiliaire comme sur le schéma de itasoft
fish a écrit : ↑09 déc. 2020, 14:06
Salut,
Une réflexion que je fais souvent quand on commence à discuter d'un bouton marche, un arrêt, une tempo, etc....
Autant mettre un Zélio, on peut tout faire !
salut, si ça peut faire le job ça a l'air d'être moins compliqué installer et l'alimentation du variateur peut le supporter où il me fau une alimentation auxiliaire comme sur le schéma de itasoft
ok je vois ça existe en plusieurs alimentations possible sur ce type d'appareil. je vais bûcher un peu sur le sujet un petit peu sur ce sujet car ça m'intéresse vraiment cet appareil un grand merci à toi fish
salut, si ça peut faire le job ça a l'air d'être moins compliqué installer et l'alimentation du variateur peut le supporter où il me fau une alimentation auxiliaire comme sur le schéma de itasoft
ok je vois ça existe en plusieurs alimentations possible sur ce type d'appareil. je vais bûcher un peu sur le sujet un petit peu sur ce sujet car ça m'intéresse vraiment cet appareil un grand merci à toi fish
Quand on y a gouté, on ne veut plus faire d'électrotech !
ok je vois ça existe en plusieurs alimentations possible sur ce type d'appareil. je vais bûcher un peu sur le sujet un petit peu sur ce sujet car ça m'intéresse vraiment cet appareil un grand merci à toi fish
Quand on y a gouté, on ne veut plus faire d'électrotech !
si par hasard tu as un schéma en ladder sur ce que j'aimerais bien réaliser ça m'intéresserait
Salut, tout le monde sur les conseils de fish je me suis lancé sur installation d'un zelio et sur le programme ZelioSoft2 V5.3.1 alors j'ai essayé de mettre en scène le schéma comme m'avait fait itasoft en ladder mais j'avoue que j'ai passé une bonne partie de la nuit dessus et ça donne pas grand-chose sur le programme.
s'il y a une âme charitable pour un petit schéma en ladder ça m'intéresse merci d'avance