Problème avec moteurs NEMA 17 - automate M221

Forum traitant des automates industriels de marque Schneider - Telemecanique
MiGaNuTs
Mi homme - Mi automate
Mi homme - Mi automate
Messages : 1573
Enregistré le : 12 nov. 2015, 21:02
Localisation : 45 - Loiret
Contact :

Re: Problème avec moteurs NEMA 17 - automate M221

Message par MiGaNuTs »

gregicam a écrit : 09 déc. 2024, 11:25
Voici le shéma de cablage du relais. Les relais permettent juste de rediriger l'impulsion soit sur un grand moteur soit sur un petit.
Ça peut pas marcher.
Si tu branche la bobine de ton relais sur une entrée automate, elle ne collera jamais. C'est toujours le moteur dont le train d'impulsion passe par le contact NC qui recevra les impulsions de la sortie rapide.
Avatar du membre
itasoft
Mi homme - Mi automate
Mi homme - Mi automate
Messages : 7805
Enregistré le : 20 oct. 2015, 10:15
Localisation : Lyon
Contact :

Re: Problème avec moteurs NEMA 17 - automate M221

Message par itasoft »

Perso j’ajouterai deux sorties ( une pour chaque enable des drivers) afin d’être sur qu’ils ne bougent pas avant d’avoir commuté les pulse/dir.
--------------
c'est ce que j'avais dit sur un post précédent, sinon en fonction de la position du relais, ya une entrée du drive qui est en l'air (pas référencée)
--------------------
Automaticien privé (de tout)
itasoft@free.fr
gregicam
Asservi son premier moteur
Asservi son premier moteur
Messages : 24
Enregistré le : 23 sept. 2024, 09:36

Re: Problème avec moteurs NEMA 17 - automate M221

Message par gregicam »

itasoft a écrit : 09 déc. 2024, 19:19 Perso j’ajouterai deux sorties ( une pour chaque enable des drivers) afin d’être sur qu’ils ne bougent pas avant d’avoir commuté les pulse/dir.
--------------
c'est ce que j'avais dit sur un post précédent, sinon en fonction de la position du relais, ya une entrée du drive qui est en l'air (pas référencée)
--------------------
Si je comprends bien il faut que je relie mes deux enable des drivers des petits moteurs à deux sorties d'automate. Ensuite je contrôle leur état dans mon programme pour qu'il soit toujours activé.
Avatar du membre
itasoft
Mi homme - Mi automate
Mi homme - Mi automate
Messages : 7805
Enregistré le : 20 oct. 2015, 10:15
Localisation : Lyon
Contact :

Re: Problème avec moteurs NEMA 17 - automate M221

Message par itasoft »

---Si je comprends bien ..... Non tu comprends mal --------------
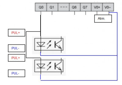
01.JPG
-------------
03.JPG
03.JPG (12.74 Kio) Vu 3295 fois
Automaticien privé (de tout)
itasoft@free.fr
gregicam
Asservi son premier moteur
Asservi son premier moteur
Messages : 24
Enregistré le : 23 sept. 2024, 09:36

Re: Problème avec moteurs NEMA 17 - automate M221

Message par gregicam »

Présentation sans titre.jpg
Présentation sans titre (1).jpg
Mon schéma électrique ressemble à ça. Les deux schémas sont câblés ensemble c'est juste que c'était plus simple pour vous montrer. :D

Bien sur j'ai mes masses qui sont toutes communes entre elles.
Avatar du membre
itasoft
Mi homme - Mi automate
Mi homme - Mi automate
Messages : 7805
Enregistré le : 20 oct. 2015, 10:15
Localisation : Lyon
Contact :

Re: Problème avec moteurs NEMA 17 - automate M221

Message par itasoft »

mon exemple c'est sans relais d'aiguillage mais avec 2 relais statiques
-----------------------
01.JPG
Automaticien privé (de tout)
itasoft@free.fr
Gigi
Forcené des structures
Forcené des structures
Messages : 172
Enregistré le : 13 janv. 2022, 22:51
Localisation : Tourcoing

Re: Problème avec moteurs NEMA 17 - automate M221

Message par Gigi »

L’entrée signal de tes relais est reliée à une entrée d’automate cela ne peut pas fonctionner comme te l’a dit Itasoft.Une entrée reçoit une info mais n’en fournit pas.
Tu dois les relier à une sortie d’automate .
Mais tes 4 moteurs ne pourront donc jamais fonctionner en même temps.
Itasoft te propose d’utiliser 1 relais statique par driver que tu pourrais commander deux à deux par deux sorties rapides ,ce qui me paraît être également le plus logique.
C'est en forgeant qu'on devient forgeron !
Damdam307
Forcené des structures
Forcené des structures
Messages : 173
Enregistré le : 26 sept. 2022, 19:48
Localisation : Haute Saône

Re: Problème avec moteurs NEMA 17 - automate M221

Message par Damdam307 »

Bonjour,
Avez-vous alimenter les bornes V0+ et V0- ?,sans ça vous n'aurez pas votre train d'impulsion sur %Q0.

Comme le souligne "Itasoft",je piloterais vos entrée " Pul +" directement par la sortie %Q0 sachant que c'est une sortie statique haute fréquence.
Pourquoi s'encombrer d'un relais supplémentaire alors que le TM221 possède déjà des relais statiques !.
Comme dit précédemment attribuer une sortie rapide pour chaque groupe.

Ps:vous avez utiliser le schémas de câblage de votre relais pour un "Arduino" et cela n'en est pas un,donc ça ne peu pas marcher ,d’où la remarque de "Gigi".
Avatar du membre
itasoft
Mi homme - Mi automate
Mi homme - Mi automate
Messages : 7805
Enregistré le : 20 oct. 2015, 10:15
Localisation : Lyon
Contact :

Re: Problème avec moteurs NEMA 17 - automate M221

Message par itasoft »

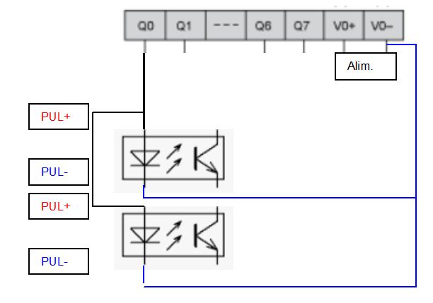
il faudrait avoir le schéma interne du Drive mais si PUL+ PUL- c'est un optocoupleur on peut les mettre en parallèles, plus besoin de rien
--------exemple--------
03.JPG
Automaticien privé (de tout)
itasoft@free.fr
MiGaNuTs
Mi homme - Mi automate
Mi homme - Mi automate
Messages : 1573
Enregistré le : 12 nov. 2015, 21:02
Localisation : 45 - Loiret
Contact :

Re: Problème avec moteurs NEMA 17 - automate M221

Message par MiGaNuTs »

Le "dir" c'est juste pour choisir le sens de marche ?
Y'a pas d’intérêt a le mettre sur une sortie rapide si c'est le cas.
Changer de marche plein de fois par secondes ça sert juste a cramer les transistors de puissance du driver et faire vibrer les moteurs.
Répondre