Page 1 sur 2
[RESOLU] TWIDO qui delire
Posté : 19 janv. 2016, 13:41
par tardieub
Bonjour
J'ai un programme TWIDO qui utilise des %MW et il y en a un qui utilisé plein de fois, c'est l'heure récupéré de cette manière :
%MW14 := BTI( %SW51 )
Jusque la tout va bien mais je compare ce mot avec d'autres pour faire un programmateur horaire. De temps à autres, alors que ce %MW14 a la même valeur partout ou il est utilisé, j'ai un endroit du programme ou elle reste à zero.
Mais cet endroit peut changer, la semaine dernière c’était mercredi matin, et cette semaine c'est ce matin.
C'est bizarre comme truc.
Re: TWIDO qui delire
Posté : 19 janv. 2016, 14:11
par itasoft
slts,
il faut encore voir comment tu as programmé tout ça, envoi ton programme pour expertise.
Re: TWIDO qui delire
Posté : 21 janv. 2016, 19:09
par tardieub
Bonjour It soft, merci de t'y intéresser
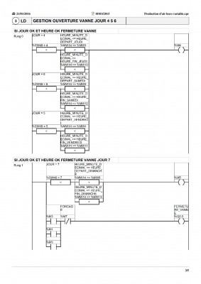
voici donc le début du programme, en mode "connecté" %MW14 n'a pas la même valeur partout: des fois il est à 0!
Sur une ligne ou il était à zéro, j'ai remplacer le mot avec lequel il est comparé par une constante et la valeur est réapparue.

- page 1

- page 2

- page 3
Re: TWIDO qui delire
Posté : 21 janv. 2016, 19:48
par itasoft
slts,
%MW14 n'est écrit qu'une seule fois, il ne doit se mettre à zéro que à 0 heure et zéro minutes et pendant une minute ( disons à minuit).
Faire éventuellement une recherche pour voir si il serait pas utilisé ailleurs, ou dans un %MD13 ou un %MD14 ce qui aurait pour effet d'écraser le %MW14
ps:
Ceci dit, il existe les blocs horodateurs sur le TWIDO pour faire ça.
Re: TWIDO qui delire
Posté : 22 janv. 2016, 13:59
par tardieub
Bonjour
Je suis bien d'accord, mais page 2 par exemple, au même, instant, en visu "en ligne" j'ai un bloc comparaison ou la valeur de ce mot est 0 alors que dans le même rung les autres de ce mot sont a l'heure courante!
Je te fais une copie d'ecran des que possible.
Sinon non pas écrit ailleurs et il n'y a pas de chevauchement.
Je sais qu'il y a un horodateur dans le twido mais je ne crois pas que l'on puisse changer a distance ces heures de marche et d'arrêt et ces jours de validités.
En fait j'ai deux XBT qui y ont accès actuellement et donnent la possibilité de régler les heures de démarrage et d'arrêt sur 7 jours .
Re: TWIDO qui delire
Posté : 22 janv. 2016, 14:20
par itasoft
slts,
es que les copies d'écrans représentent la totalité du programme ????
Re: TWIDO qui delire
Posté : 22 janv. 2016, 17:46
par djé
Salut,
En dehors du fait que la valeur de ta variable en "visudyn" soit erronée, ce qui je le conçois est troublant, cela influe t'il sur le déroulement de ton programme?
Sinon c'est juste un bug d'affichage.
Dans un même réseau la valeur du mot ne peut pas changer à part si cette variable est écrite ailleurs :
- dans une routine qui s'exécuterai de manière synchrone/évènementielle et dont l'exécution serait prioritaire sur ta routine en cours ou
depuis un équipement extérieur.
Re: TWIDO qui delire
Posté : 22 janv. 2016, 18:57
par itasoft
slts,
Dans les copies d'écran présentées ya pas d'erreurs, reste à savoir si ces copies d'écrans représentent la totalité du programme ou seulement un extrait.
Si c'est juste un extrait, la cause doit se trouver dans le reste du programme.
Re: TWIDO qui delire
Posté : 23 janv. 2016, 15:48
par tardieub
itasoft a écrit :slts,
es que les copies d'écrans représentent la totalité du programme ????
voici les 2 dernières pages:
Re: TWIDO qui delire
Posté : 23 janv. 2016, 15:54
par tardieub
djé a écrit :Salut,
En dehors du fait que la valeur de ta variable en "visudyn" soit erronée, ce qui je le conçois est troublant, cela influe t'il sur le déroulement de ton programme?
Sinon c'est juste un bug d'affichage.
Dans un même réseau la valeur du mot ne peut pas changer à part si cette variable est écrite ailleurs :
- dans une routine qui s'exécuterai de manière synchrone/évènementielle et dont l'exécution serait prioritaire sur ta routine en cours ou
depuis un équipement extérieur.
Bonjour
Oui cela influe, cela m'a value quelques ennuis.
Malheureusement si j'en suis la preuve, des que je retombe sur le phénomène je fait une copie d'écran.
Ou la ce programme est pas si compliqué.
Si ca intéresse quelqu'un je peux envoyer le programme pour essai.