cablage entrée api s7 200
-
krivorajanin
- Apprend le binaire

- Messages : 6
- Enregistré le : 11 févr. 2022, 21:24
cablage entrée api s7 200
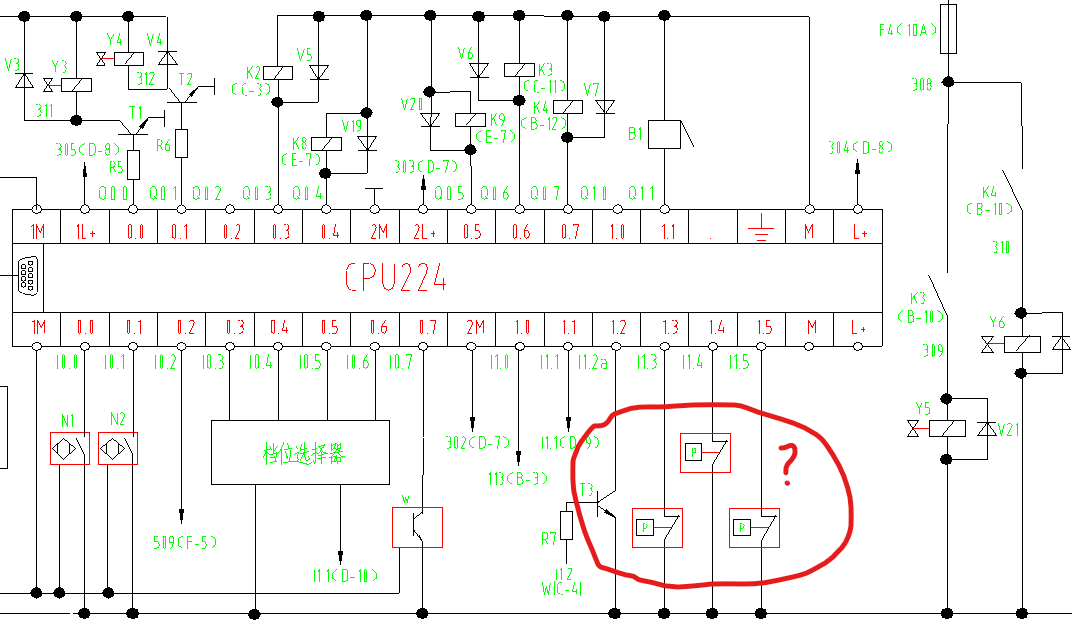
bonjour je travaille sur un s7 200 cpu 224 dc/dc/dc mais je suis complètement désorienté quant au câblage de certaines entrées. A voir l'image on dirait que l'entrée est soit à 0v ou soit en ''l'air''. si quelqu'un peu bien m'expliquer ce qui se passe.
NB: cet API équipe un engin une niveleuse plus précisément.
Merci .
NB: cet API équipe un engin une niveleuse plus précisément.
Merci .
Re: cablage entrée api s7 200
Le problème c’est que ton schéma n’est pas complet, on ne sait pas à quel rail d’alim sont connectés les contacts après les entrées.
Selon la doc, elles peuvent être soit en canal P ou canal N
Selon la doc, elles peuvent être soit en canal P ou canal N
- itasoft
- Mi homme - Mi automate

- Messages : 7810
- Enregistré le : 20 oct. 2015, 10:15
- Localisation : Lyon
- Contact :
Re: cablage entrée api s7 200
Slts,
Disons que comme sont placées les diodes de décharges,
la première ligne horizontale en haut à gauche c'est du plus à droite c’est du moins et la dernière ligne horizontale en bas c’est aussi du moins
ça doit être des entrées du type rosbif
------clic pour zoom---
Disons que comme sont placées les diodes de décharges,
la première ligne horizontale en haut à gauche c'est du plus à droite c’est du moins et la dernière ligne horizontale en bas c’est aussi du moins
ça doit être des entrées du type rosbif
------clic pour zoom---
Automaticien privé (de tout)
itasoft@free.fr
itasoft@free.fr
Re: cablage entrée api s7 200
Bonjour,
Sur ces 3 entrées, l'élément représenté est un pressostat. Ce genre d'élément délivre un contact sec et ne nécessite pas d'alimentation (pas d'électronique).
Il est donc normal qu'il soit raccordé en 2 fils.
Durand.O
La question porte sur les entrées entourées en rouge d'après ce que j'ai compris.krivorajanin a écrit : ↑11 févr. 2022, 21:59 A voir l'image on dirait que l'entrée est soit à 0v ou soit en ''l'air''. si quelqu'un peu bien m'expliquer ce qui se passe.
Sur ces 3 entrées, l'élément représenté est un pressostat. Ce genre d'élément délivre un contact sec et ne nécessite pas d'alimentation (pas d'électronique).
Il est donc normal qu'il soit raccordé en 2 fils.
Durand.O
Re: cablage entrée api s7 200
Ce sont les sorties qui sont représentées en haut de type NPN (sauf I1.0, I1.1 qui sont des entrées).itasoft a écrit : ↑11 févr. 2022, 22:57 Slts,
Disons que comme sont placées les diodes de décharges,
la première ligne horizontale en haut à gauche c'est du plus à droite c’est du moins et la dernière ligne horizontale en bas c’est aussi du moins
ça doit être des entrées du type rosbif
------clic pour zoom---
01.JPG
Ce que je n'ai jamais vu du genre, c'est le transistor pour les électrovannes.
Vue l'objet raccordé en entrée I3, I4, I5 : ce rosbif a les yeux bien bridé!
Ou bien c'est un anglais qui a Parkinson et qui écrit à main levée...Qui sait.
-
Gigi
- Forcené des structures

- Messages : 173
- Enregistré le : 13 janv. 2022, 22:51
- Localisation : Tourcoing
Re: cablage entrée api s7 200
Oui c’est une logique négative,dans l’automate les entrées ont un commun au+ Donc c’est soit le 0v qui arrive à l’entrée lorsque le contact est fermé, soit « rien » lorsque le contact est ouvert.
Résumé si tu te représentes ton entrée comme un relais:
Contact fermé : relais d’entrée entre 24V et 0V = entrée
active =1.
Contact ouvert : relais d’entrée entre 24V et « rien »
= entrée inactive =0.
Résumé si tu te représentes ton entrée comme un relais:
Contact fermé : relais d’entrée entre 24V et 0V = entrée
active =1.
Contact ouvert : relais d’entrée entre 24V et « rien »
= entrée inactive =0.
C'est en forgeant qu'on devient forgeron !
-
Gigi
- Forcené des structures

- Messages : 173
- Enregistré le : 13 janv. 2022, 22:51
- Localisation : Tourcoing
Re: cablage entrée api s7 200
Concernant la commande des électrovannes Y3 et Y4 ,ils ont mis des transistors sûrement parce que celles ci doivent demander un courant très important et ils ont préféré amplifier comme ça la sortie ne fournit que le courant Ibase du transistor.
C'est en forgeant qu'on devient forgeron !
Re: cablage entrée api s7 200
Possible. Mais pourquoi n'avoir pas relayé comme pour Y1 et Y2 ?
Mystère.
Et effectivement, les entrées sont en NPN.
-
Gigi
- Forcené des structures

- Messages : 173
- Enregistré le : 13 janv. 2022, 22:51
- Localisation : Tourcoing
Re: cablage entrée api s7 200
Électrovanne dans une tension différente pour la partie relayée,je ne vois que ça.
C'est en forgeant qu'on devient forgeron !
- itasoft
- Mi homme - Mi automate

- Messages : 7810
- Enregistré le : 20 oct. 2015, 10:15
- Localisation : Lyon
- Contact :
Re: cablage entrée api s7 200
slts,
on voit pas l'ensemble du schéma il se peut que ça soit une alimentation -24Vcc 0V +24Vcc ça permet d'utiliser du PNP ou NPN
on voit pas l'ensemble du schéma il se peut que ça soit une alimentation -24Vcc 0V +24Vcc ça permet d'utiliser du PNP ou NPN
Automaticien privé (de tout)
itasoft@free.fr
itasoft@free.fr

