Branchement Moteur Becker porte indus. automatique

Partie du forum pour tout ce qui concerne les automates industriels B&R, Beckhoff, Phoenix Contact etc...
remyb
Code sa première boucle
Code sa première boucle
Messages : 12
Enregistré le : 15 sept. 2022, 20:11

Branchement Moteur Becker porte indus. automatique

Message par remyb »

Bonjour, je voudrais brancher mon moteur Becker A150-S36, il assure la levé et descente d'une porte d'un hangar, mais il n'est pas branché correctement et ne fonctionne pas. Je ne trouve pas grand chose sur la schématisation avec ce moteur là sur internet, donc je fais appel a vous. N'hésitez pas de me demander plus de renseignement ou photos.

Merci de votre aide

Image

Image
Avatar du membre
itasoft
Mi homme - Mi automate
Mi homme - Mi automate
Messages : 7805
Enregistré le : 20 oct. 2015, 10:15
Localisation : Lyon
Contact :

Re: Branchement Moteur Becker porte indus. automatique

Message par itasoft »

Slts,
Qui nous fait croire qu’il ne fonctionne pas parce que il n’est pas branché correctement sur le bornier ?
Automaticien privé (de tout)
itasoft@free.fr
remyb
Code sa première boucle
Code sa première boucle
Messages : 12
Enregistré le : 15 sept. 2022, 20:11

Re: Branchement Moteur Becker porte indus. automatique

Message par remyb »

Salut! C’est une porte qu’a acheté mon beau frère et il a essayé de la raccorder sans vraiment savoir ce qu’il faisait (ce sont ses raccordements sur la photo), mais elle marchait quand il l’a acheté d’occasion, donc elle fonctionnerait avec les bons branchements.

Cordialement
MiGaNuTs
Mi homme - Mi automate
Mi homme - Mi automate
Messages : 1573
Enregistré le : 12 nov. 2015, 21:02
Localisation : 45 - Loiret
Contact :

Re: Branchement Moteur Becker porte indus. automatique

Message par MiGaNuTs »

Si je comprends bien vous n'avez ni la documentation, ni le schéma de branchements d'origine, et vous l'avez décâblé sans prendre de notes ?
remyb
Code sa première boucle
Code sa première boucle
Messages : 12
Enregistré le : 15 sept. 2022, 20:11

Re: Branchement Moteur Becker porte indus. automatique

Message par remyb »

Exactement, il n’y avait pas de documentation et je n’ai pas pu en trouver une sur internet, et la porte était livré déjà démonté donc impossible de prendre des notes, mais le vendeur affirme qu’elle était fonctionnel
Avatar du membre
itasoft
Mi homme - Mi automate
Mi homme - Mi automate
Messages : 7805
Enregistré le : 20 oct. 2015, 10:15
Localisation : Lyon
Contact :

Re: Branchement Moteur Becker porte indus. automatique

Message par itasoft »

slts,
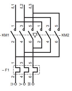
d'après la plaque moteur ça serait un moteur asynchrone Triphasé ,
ps: ya un trasfo 400/24Vac 60VA Endschalterber ça doit être le frein ?
Modifié en dernier par itasoft le 19 sept. 2022, 06:38, modifié 3 fois.
Automaticien privé (de tout)
itasoft@free.fr
remyb
Code sa première boucle
Code sa première boucle
Messages : 12
Enregistré le : 15 sept. 2022, 20:11

Re: Branchement Moteur Becker porte indus. automatique

Message par remyb »

oui il est relié en triphasé, niveau alimentation j’ai fait et je pense que c’est bon mais c’est surtout branchement automatisme que je ne sais pas, merci!
Avatar du membre
fish
Mi homme - Mi automate
Mi homme - Mi automate
Messages : 1071
Enregistré le : 20 oct. 2015, 17:44

Re: Branchement Moteur Becker porte indus. automatique

Message par fish »

Salut,
Les deux fusibles F1 et F2 sont bons ?
MiGaNuTs
Mi homme - Mi automate
Mi homme - Mi automate
Messages : 1573
Enregistré le : 12 nov. 2015, 21:02
Localisation : 45 - Loiret
Contact :

Re: Branchement Moteur Becker porte indus. automatique

Message par MiGaNuTs »

Tu gagnera ton temps a mettre 1 zelio,2 contacteurs et faire 3 ou 4 lignes de programme.

Edit:

Ou mettre un variateur. Y'en a qui savent gérer ce genre de trucs sans avoir besoin d'un automate.
Avatar du membre
itasoft
Mi homme - Mi automate
Mi homme - Mi automate
Messages : 7805
Enregistré le : 20 oct. 2015, 10:15
Localisation : Lyon
Contact :

Re: Branchement Moteur Becker porte indus. automatique

Message par itasoft »

slts,
Le plus simple c’est de remplacer toute cette drouille par un
CONTACTEUR DÉMARREUR 2 SENS DE MARCHE EN COFFRET SCHNEIDER 400Vac 6A
REF: LE2K065V7
Juste à y raccorder les deux fin de courses haut/bas
--clic pour zoom---
04.JPG
04.JPG (19.04 Kio) Vu 1497 fois
03.JPG
022.JPG
022.JPG (18.71 Kio) Vu 1475 fois
Automaticien privé (de tout)
itasoft@free.fr
Répondre