[Résolu] Problème entre M241 et TM3 AI4
[Résolu] Problème entre M241 et TM3 AI4
Salut,
Bon j'ai un de mes collègues bloqué (pour ne pas dire complètement bloqué) sur une configuration avec un M241 et une carte ana 4 entrée TM3AI4.
IDE (Somachine)
Les symptômes sont les suivant:
Lorsque l'intensité varie sur les bornes 7 & 8, la variable IW"X" ne varie pas (idem sur les autres bornes)
Code erreur de la carte 6 Wiring error detected (low limit exceeded)
Quand on inverse les fils code erreur 5 Wiring error detected (high limit exceeded)
Les tests suivant ont été déjà réalisé
1) Changement d'automate par un M251 --> NOK
2) Changement en lieu et place de la carte analogique --> NOK
3) Changement du mode de d'acquisition (4mA-20mA --> 0-10V) --> NOK
4) Modification du câblage (la je ne sais pas comment) --> NOK
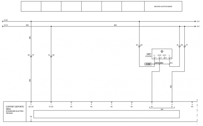
Ci dessous le schémas de câblage de la carte J'essaye de poster le code automate assez vite
Merci d'avance, pour vos réponses, pistes que vous pourrez me donner
PS: je ne suis pas en face du projet ça risque de ne pas être simple XD
A+
Mant'
Bon j'ai un de mes collègues bloqué (pour ne pas dire complètement bloqué) sur une configuration avec un M241 et une carte ana 4 entrée TM3AI4.
IDE (Somachine)
Les symptômes sont les suivant:
Lorsque l'intensité varie sur les bornes 7 & 8, la variable IW"X" ne varie pas (idem sur les autres bornes)
Code erreur de la carte 6 Wiring error detected (low limit exceeded)
Quand on inverse les fils code erreur 5 Wiring error detected (high limit exceeded)
Les tests suivant ont été déjà réalisé
1) Changement d'automate par un M251 --> NOK
2) Changement en lieu et place de la carte analogique --> NOK
3) Changement du mode de d'acquisition (4mA-20mA --> 0-10V) --> NOK
4) Modification du câblage (la je ne sais pas comment) --> NOK
Ci dessous le schémas de câblage de la carte J'essaye de poster le code automate assez vite
Merci d'avance, pour vos réponses, pistes que vous pourrez me donner
PS: je ne suis pas en face du projet ça risque de ne pas être simple XD
A+
Mant'
"Ce que l'on conçoit bien s'énonce clairement, et les mots pour le dire arrivent aisément." Nicolas Boileau
L'urgence, c'est fait!
L'impossible, c'est en cours!
Pour les miracles, il faut prévoir un délai!
L'urgence, c'est fait!
L'impossible, c'est en cours!
Pour les miracles, il faut prévoir un délai!
-
philou77
- Mi homme - Mi automate

- Messages : 2142
- Enregistré le : 21 oct. 2015, 10:00
- Localisation : Ile de France
Re: Problème entre M241 et TM3 AI4
Salut !
C'est quoi la ref de ton capteur ?
Si tu as raccordé du 0-10V sur une boucle de courant, ça sent pas bon pour ta carte....
C'est quoi la ref de ton capteur ?
Si tu as raccordé du 0-10V sur une boucle de courant, ça sent pas bon pour ta carte....
Si vous avez compris tout ce que je viens d'écrire, c'est que j'ai dû faire une erreur quelque part ! 
Re: Problème entre M241 et TM3 AI4
C'est sur le schémas c'est un o1d100 en 4-20mA
La carte a déjà été changé
La carte a déjà été changé
"Ce que l'on conçoit bien s'énonce clairement, et les mots pour le dire arrivent aisément." Nicolas Boileau
L'urgence, c'est fait!
L'impossible, c'est en cours!
Pour les miracles, il faut prévoir un délai!
L'urgence, c'est fait!
L'impossible, c'est en cours!
Pour les miracles, il faut prévoir un délai!
- itasoft
- Mi homme - Mi automate

- Messages : 7805
- Enregistré le : 20 oct. 2015, 10:15
- Localisation : Lyon
- Contact :
Re: Problème entre M241 et TM3 AI4
slts,
le premier renseignement à donner comme dit philou c'est la REF DU CAPTEUR
et avant de changer tout le materiel (les fous) il faut tester la carte ana. avec une pile
le premier renseignement à donner comme dit philou c'est la REF DU CAPTEUR
et avant de changer tout le materiel (les fous) il faut tester la carte ana. avec une pile
Automaticien privé (de tout)
itasoft@free.fr
itasoft@free.fr
Re: Problème entre M241 et TM3 AI4
Re,
Mé oh
bon cette fois ci je met la doc du capteur
http://www.ifm.com/products/fr/ds/O1D100.htm
On a testé la carte d'entrée analogique avec une alimentation a tension variable entre 0 & 10V, idem même souci...
A+
Mé oh
http://www.ifm.com/products/fr/ds/O1D100.htm
On a testé la carte d'entrée analogique avec une alimentation a tension variable entre 0 & 10V, idem même souci...
A+
"Ce que l'on conçoit bien s'énonce clairement, et les mots pour le dire arrivent aisément." Nicolas Boileau
L'urgence, c'est fait!
L'impossible, c'est en cours!
Pour les miracles, il faut prévoir un délai!
L'urgence, c'est fait!
L'impossible, c'est en cours!
Pour les miracles, il faut prévoir un délai!
Re: Problème entre M241 et TM3 AI4
Disons qu'on a de bon rapport (financier) avec certains fournisseursitasoft a écrit : et avant de changer tout le materiel (les fous) il faut tester la carte ana. avec une pile
"Ce que l'on conçoit bien s'énonce clairement, et les mots pour le dire arrivent aisément." Nicolas Boileau
L'urgence, c'est fait!
L'impossible, c'est en cours!
Pour les miracles, il faut prévoir un délai!
L'urgence, c'est fait!
L'impossible, c'est en cours!
Pour les miracles, il faut prévoir un délai!
- itasoft
- Mi homme - Mi automate

- Messages : 7805
- Enregistré le : 20 oct. 2015, 10:15
- Localisation : Lyon
- Contact :
Re: Problème entre M241 et TM3 AI4
slts,
On a testé la carte d'entrée analogique avec une alimentation a tension variable entre 0 & 10V, idem même souci...
on s'autorise à penser que pour ce test la voie est configurée en 0/10V
On a testé la carte d'entrée analogique avec une alimentation a tension variable entre 0 & 10V, idem même souci...
on s'autorise à penser que pour ce test la voie est configurée en 0/10V
Automaticien privé (de tout)
itasoft@free.fr
itasoft@free.fr
Re: Problème entre M241 et TM3 AI4
Je m'autorise aussi a le penser, j'imagine que le copain au milieu de la pampa n'était pas trop fatigué pour le faire quand il a fait le test ^^itasoft a écrit : on s'autorise à penser que pour ce test la voie est configurée en 0/10V
"Ce que l'on conçoit bien s'énonce clairement, et les mots pour le dire arrivent aisément." Nicolas Boileau
L'urgence, c'est fait!
L'impossible, c'est en cours!
Pour les miracles, il faut prévoir un délai!
L'urgence, c'est fait!
L'impossible, c'est en cours!
Pour les miracles, il faut prévoir un délai!
-
philou77
- Mi homme - Mi automate

- Messages : 2142
- Enregistré le : 21 oct. 2015, 10:00
- Localisation : Ile de France
Re: Problème entre M241 et TM3 AI4
Re !
Le capteur en usine est configuré sur une sortie en courant, donc si aucun paramétrage réalisé sur le capteur, il faut considérer la carte d'entrée.
1 - Vérifier si elle est bien configurée en 4-20 mA !
2 - Si mélange entre courant et tension alors Court circuit, d'ou destruction probable de la voie d'entrée (voir aussi le capteur..) PS : c'est du vécu en schneider et ça pardonne pas (peu) !
3 - Dans le cas ou ton matériel n'a pas souffert, en cas de lower limite, le capteur est peut être en 0-20mA et la voie elle en 4-20mA ! d'ou un dépassement !
Donc test la voie d'entrée comme te l'a justement proposé Itasoft, afin de vérifier si la boucle de courant fonctionne !
Le capteur en usine est configuré sur une sortie en courant, donc si aucun paramétrage réalisé sur le capteur, il faut considérer la carte d'entrée.
1 - Vérifier si elle est bien configurée en 4-20 mA !
2 - Si mélange entre courant et tension alors Court circuit, d'ou destruction probable de la voie d'entrée (voir aussi le capteur..) PS : c'est du vécu en schneider et ça pardonne pas (peu) !
3 - Dans le cas ou ton matériel n'a pas souffert, en cas de lower limite, le capteur est peut être en 0-20mA et la voie elle en 4-20mA ! d'ou un dépassement !
Donc test la voie d'entrée comme te l'a justement proposé Itasoft, afin de vérifier si la boucle de courant fonctionne !
Si vous avez compris tout ce que je viens d'écrire, c'est que j'ai dû faire une erreur quelque part ! 
- itasoft
- Mi homme - Mi automate

- Messages : 7805
- Enregistré le : 20 oct. 2015, 10:15
- Localisation : Lyon
- Contact :
Re: Problème entre M241 et TM3 AI4
slts,
ceci dit, si on configure et teste en tension 0/10V les 4 voies et que aucune ne marche là ya vraiment un mystère
ceci dit, si on configure et teste en tension 0/10V les 4 voies et que aucune ne marche là ya vraiment un mystère
Automaticien privé (de tout)
itasoft@free.fr
itasoft@free.fr
