Programmation Mesure de Puissance dans M340
-
philou77
- Mi homme - Mi automate

- Messages : 2142
- Enregistré le : 21 oct. 2015, 10:00
- Localisation : Ile de France
Re: Programmation Mesure de Puissance dans M340
Bon bah déjà ça , ça marche pas.
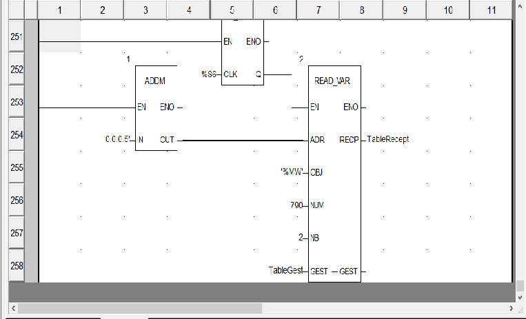
Il te faut préparer ton tampon de gestion de com et de réception AVANT de faire le READ_VAR
Il te faut faire le READ_VAR sur un FRONT MONTANT.
Regarde dans l'aide de READ_VAR et suit l'exemple (adapté à ton cas)
Il te faut préparer ton tampon de gestion de com et de réception AVANT de faire le READ_VAR
Il te faut faire le READ_VAR sur un FRONT MONTANT.
Regarde dans l'aide de READ_VAR et suit l'exemple (adapté à ton cas)
Si vous avez compris tout ce que je viens d'écrire, c'est que j'ai dû faire une erreur quelque part ! 
Re: Programmation Mesure de Puissance dans M340
T'aurai pas une photo d'écran ?
Re: Programmation Mesure de Puissance dans M340
ou un lien ?
-
philou77
- Mi homme - Mi automate

- Messages : 2142
- Enregistré le : 21 oct. 2015, 10:00
- Localisation : Ile de France
Re: Programmation Mesure de Puissance dans M340
Si vous avez compris tout ce que je viens d'écrire, c'est que j'ai dû faire une erreur quelque part ! 
- JC87
- Mi homme - Mi automate

- Messages : 2231
- Enregistré le : 20 oct. 2015, 13:00
- Localisation : Nouvelle Aquitaine
Re: Programmation Mesure de Puissance dans M340
Bonsoir,
Coté matériel ça a l'air bon en effet. Le probléme est donc certainement coté programme, comme l'a dit philou77il faut lancer le read_var sur un front montant. On peut recopier par exemple le bit %S6 qui clignote toute les secondes dans un bit et utiliser le front de ce bit. En série il faut aussi rajouter le bit de compte rendu d'activité du bloc qui signal qu'il est en mesure de traiter une requête. Dans ton exemple ce serait le bit "TableGest[0].0". Personnellement j'utilise un graphe pour séquencer la com. et traiter les résultats mais je travaille en littéral (ST), si tu n'est pas familier avec ce langage ça peut être plus difficile à comprendre, mais je peut te faire passer le code si tu veut.
JC
Coté matériel ça a l'air bon en effet. Le probléme est donc certainement coté programme, comme l'a dit philou77il faut lancer le read_var sur un front montant. On peut recopier par exemple le bit %S6 qui clignote toute les secondes dans un bit et utiliser le front de ce bit. En série il faut aussi rajouter le bit de compte rendu d'activité du bloc qui signal qu'il est en mesure de traiter une requête. Dans ton exemple ce serait le bit "TableGest[0].0". Personnellement j'utilise un graphe pour séquencer la com. et traiter les résultats mais je travaille en littéral (ST), si tu n'est pas familier avec ce langage ça peut être plus difficile à comprendre, mais je peut te faire passer le code si tu veut.
JC
"On veut faire du zéro défaut mais on a zéro bonhomme et zéro budget, et bien à la fin on a zéro résultat..."
Re: Programmation Mesure de Puissance dans M340
Merci Philou77 et JC87.
J'ai fais tout pareil que sur l'aide Schneider.
Je lui injecte demain, et je vous tiens au jus.
Si c'est bon, après je récupère ma mesure dans une table réception dans Vijeo
J'ai fais tout pareil que sur l'aide Schneider.
Je lui injecte demain, et je vous tiens au jus.
Si c'est bon, après je récupère ma mesure dans une table réception dans Vijeo
-
philou77
- Mi homme - Mi automate

- Messages : 2142
- Enregistré le : 21 oct. 2015, 10:00
- Localisation : Ile de France
Re: Programmation Mesure de Puissance dans M340
Salut !
Là au moins, tu devrait avoir ta led SER COM qui clignote, signe d'une 'activité' sur la com.
Oui, tu retrouveras tes valeurs lues dans ta table de réception.
tu peux utiliser les bit Req_Ok et Req_Non_Ok pour savoir si la lecture à bien été faite, car en cas d'échec de lecture, la table de réception conserve ses valeurs précédentes !
Ensuite, si tu n'as QUE des échecs de lecture, regarde le câblage et la configuration de la com.
Là au moins, tu devrait avoir ta led SER COM qui clignote, signe d'une 'activité' sur la com.
Oui, tu retrouveras tes valeurs lues dans ta table de réception.
tu peux utiliser les bit Req_Ok et Req_Non_Ok pour savoir si la lecture à bien été faite, car en cas d'échec de lecture, la table de réception conserve ses valeurs précédentes !
Ensuite, si tu n'as QUE des échecs de lecture, regarde le câblage et la configuration de la com.
Si vous avez compris tout ce que je viens d'écrire, c'est que j'ai dû faire une erreur quelque part ! 
Re: Programmation Mesure de Puissance dans M340
Merci.
Déjà mon voyant SER COM clignote.
Déjà mon voyant SER COM clignote.
