En fait, ça ne venait ni du format de l'adresse ADDR ('{1.102SYS}' fonctionne parfaitement), ni d'un mauvais paramétrage du Write_Var.
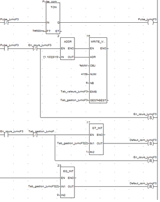
J'avais cadencé le Write_Var avec %S5, pensant que 100ms suffisaient largement.
Ne voyant rien battre à l'écran, je pensais bêtement que le rafraichissement de la com de mon PC n'était pas assez rapide, comme bien souvent.
Erreur !
Le doute s'insinuait petit à petit...
Un éclair de génie : je remplace %S5 par %S6, et là : Ooooh les chiffres apparaissent sur le Jumo !!
Doute sur le %S5. Je le mets dans une équation d'un des voyants de l'installation : voyant reste éteint !
Alors ça... Le bit %S5 ne fonctionne pas sur ma CPU
J'ai donc créé un pulse par une petite tempo et tout fonctionne désormais.
Tout ?
Euh.. non, reste que j'arrive pas à monter un défaut en cas de coupure de com, comme je l'avais fait avec le M340 avec le même code.
Le compte rendu de communication m'indique un timeout à toutes les com et ce, même en explosant la valeur dans ma table de gestion.
Et en cas de coupure de com (je débranche le câble ethernet), la com continue comme si de rien n'était alors que sur le M340, elle s'interrompait après 2 ou 3 secondes et le mot du rapport de com prenait la valeur 7 (problème lors de l'envoi à la cible).
Je précise : Tab_gestion_jumoF3 est un ARRAY[1..4] OF INT, il commence donc à 1 pas à 0 !
Le timeout est fixé à 500ms.
Voici le code (provisoire, je le ré-écrirait plus proprement) :
