Communication avec API APRIL SMC 50
Communication avec API APRIL SMC 50
Bonjour à tous,
Je vais vous exposé mon problème depuis le début, on a un automate APRIL SMC 50, la batterie de la carte d'alimentation a cramer, on a réussit à trouvé une carte d'occasion qu'on a fais révisé chez un électronicien, entre temps on a du perdre le programme dans l'automate.
On a tous ce qu'il faut pour pouvoir ré-injecté le programme (VPSOFT + le programme API), par contre pas moyen de se connecté à cet automate.
Est-ce qu'il y a un câble spécial ou autre? Nous avons un câble RS232 SUB D9/ SUB D25 standard et nous n'arrivons pas à nous connecté.
J'ai pu voir sur un site (http://www.irai.com/a8/a8.pdf au milieu de la page 4), qu'il faudrait un boitier de conversion RS232 / boucle de courant.
Connaissez vous aussi les paramètres de com standard pour ce type d'automate? Je n'ai essayé qu'avec cette configuration, celle par défaut du logiciel VPSOFT:
-9600 Bits par seconde
-8 Bits de données
-Parité: pair
-1 Bit d'arrêt
-Aucun contrôle de flux
Je fais appel à la mémoire des plus anciens pour m'aiguiller dans mon problème, j'ai passé plusieurs heures sur le net à chercher des informations mais sans grand succès...
Merci d'avance pour vos réponses.
EDIT: ah oui j'ai posté dans Schneider car APRIL avait été racheté par Schneider
Je vais vous exposé mon problème depuis le début, on a un automate APRIL SMC 50, la batterie de la carte d'alimentation a cramer, on a réussit à trouvé une carte d'occasion qu'on a fais révisé chez un électronicien, entre temps on a du perdre le programme dans l'automate.
On a tous ce qu'il faut pour pouvoir ré-injecté le programme (VPSOFT + le programme API), par contre pas moyen de se connecté à cet automate.
Est-ce qu'il y a un câble spécial ou autre? Nous avons un câble RS232 SUB D9/ SUB D25 standard et nous n'arrivons pas à nous connecté.
J'ai pu voir sur un site (http://www.irai.com/a8/a8.pdf au milieu de la page 4), qu'il faudrait un boitier de conversion RS232 / boucle de courant.
Connaissez vous aussi les paramètres de com standard pour ce type d'automate? Je n'ai essayé qu'avec cette configuration, celle par défaut du logiciel VPSOFT:
-9600 Bits par seconde
-8 Bits de données
-Parité: pair
-1 Bit d'arrêt
-Aucun contrôle de flux
Je fais appel à la mémoire des plus anciens pour m'aiguiller dans mon problème, j'ai passé plusieurs heures sur le net à chercher des informations mais sans grand succès...
Merci d'avance pour vos réponses.
EDIT: ah oui j'ai posté dans Schneider car APRIL avait été racheté par Schneider
- itasoft
- Mi homme - Mi automate

- Messages : 7806
- Enregistré le : 20 oct. 2015, 10:15
- Localisation : Lyon
- Contact :
Re: Communication avec API APRIL SMC 50
slts,
sur le APRIL SMC 50 comment est la prise console, c'est une prise ronde DIN 7 broches ou un sub-d 9 ou 25 broches ???????
sur le APRIL SMC 50 comment est la prise console, c'est une prise ronde DIN 7 broches ou un sub-d 9 ou 25 broches ???????
Automaticien privé (de tout)
itasoft@free.fr
itasoft@free.fr
Re: Communication avec API APRIL SMC 50
Sur le SMC 50 c'est une sub D25 broches,
J'ai oublié de précisé, sur la partie à gauche de l'automate j'ai 2 slots ou j'ai 3 modules,
j'ai un module qui prend toute la hauteur avec une clé pour RUN/transfert je pense avec une LED en dessous qui passe de vert à rouge suivant la position de la clé, avec une SUB D 25 tout en bas,
et sur le slot de droite j'ai 2 modules, sur celui de haut avec une LED qui reste tout le temps verte et en dessous j'ai un autre module juste avec une prise SUB D25
EDIT: https://rmsnegoce.com/en/rmsnegoce-plc/744-2uc50.html ce serais le module de gauche
https://rmsnegoce.com/en/april/525-5mvv83-0.html le module en haut à droite
https://rmsnegoce.com/en/april/510-3cs50.html le module en bas à droite (je ne suis pas sur de cette référence mais le module ressemble fortement à celui ci)
- itasoft
- Mi homme - Mi automate

- Messages : 7806
- Enregistré le : 20 oct. 2015, 10:15
- Localisation : Lyon
- Contact :
Re: Communication avec API APRIL SMC 50
slts,
ça doit être en boucle de courant il faudrait connaitre le brochage de la prise console (sub-d 25) et avoir le convertisseur RS232/BC
boitier BOX0020 ou TSXTE01
ça doit être en boucle de courant il faudrait connaitre le brochage de la prise console (sub-d 25) et avoir le convertisseur RS232/BC
boitier BOX0020 ou TSXTE01
Automaticien privé (de tout)
itasoft@free.fr
itasoft@free.fr
Re: Communication avec API APRIL SMC 50
D'accord, merci pour cette info,
T'as pu regardé mon EDIT du post précédant pour que tu puisse visualisé la config ?
Ce serais sur quel module qui faudrait se branché?
Je pense que sa va être compliqué d'avoir ces infos chez schneider vu qu'ils ont arrêter le SAV en 2004 si je dis pas de bêtises...
- itasoft
- Mi homme - Mi automate

- Messages : 7806
- Enregistré le : 20 oct. 2015, 10:15
- Localisation : Lyon
- Contact :
Re: Communication avec API APRIL SMC 50
slts,
je pense sur la sub-d celle qui est sur l'UC
en fait il faudrait avoir le brochage correspondant au SUB-D à la place de la prise DIN
--
je pense sur la sub-d celle qui est sur l'UC
en fait il faudrait avoir le brochage correspondant au SUB-D à la place de la prise DIN
--
Automaticien privé (de tout)
itasoft@free.fr
itasoft@free.fr
- JC87
- Mi homme - Mi automate

- Messages : 2239
- Enregistré le : 20 oct. 2015, 13:00
- Localisation : Nouvelle Aquitaine
Re: Communication avec API APRIL SMC 50
Bonjour,
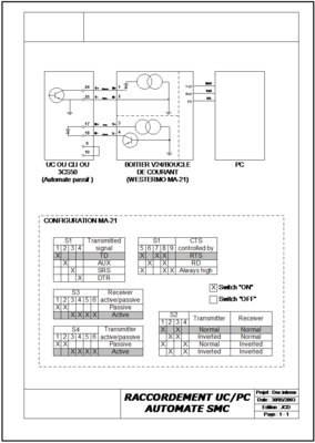
En Effet il faut un convertisseur RS232/BC. idéalement Une MA-21 de Westermo qui était la boucle utilisé par Telemecanique sous la référence TSXTE01 pour les automates de la série 7. Voici un schéma avec le brochage et la configuration de la boucle qui doit être active ce qui n'est pas le cas pour les automates Tele.
JC
En Effet il faut un convertisseur RS232/BC. idéalement Une MA-21 de Westermo qui était la boucle utilisé par Telemecanique sous la référence TSXTE01 pour les automates de la série 7. Voici un schéma avec le brochage et la configuration de la boucle qui doit être active ce qui n'est pas le cas pour les automates Tele.
JC
"On veut faire du zéro défaut mais on a zéro bonhomme et zéro budget, et bien à la fin on a zéro résultat..."
- itasoft
- Mi homme - Mi automate

- Messages : 7806
- Enregistré le : 20 oct. 2015, 10:15
- Localisation : Lyon
- Contact :
Re: Communication avec API APRIL SMC 50
@JC
c'est tout bon pour lui alors, il as le brochage de la sub-d 25 sur ton schéma , je vois que tu as un joli musé bien fourni, LOL
c'est tout bon pour lui alors, il as le brochage de la sub-d 25 sur ton schéma , je vois que tu as un joli musé bien fourni, LOL
Automaticien privé (de tout)
itasoft@free.fr
itasoft@free.fr
Re: Communication avec API APRIL SMC 50
Bonjour,
Je suis une collègue de Jeremy qui cherche aussi une solution pour notre API APRIL.
Merci pour ces reponses rapides. J'ai regardé pour trouver le MA21 en vente et c'est compliqué. Il y a peut-être un TSXTE01 et aussi un convertisseur sur un site marchand (Lien ci-dessous). Pouvez-vous me dire si ces 2 modèles fonctionnent?(TSXTE01 passif ?)
https://fr.rs-online.com/mobile/p/adapt ... e/6403584/
Je suis une collègue de Jeremy qui cherche aussi une solution pour notre API APRIL.
https://fr.rs-online.com/mobile/p/adapt ... e/6403584/
- itasoft
- Mi homme - Mi automate

- Messages : 7806
- Enregistré le : 20 oct. 2015, 10:15
- Localisation : Lyon
- Contact :
Re: Communication avec API APRIL SMC 50
slts,
oui le Radiospares à 87,90 € convient il peut faire actif 20mA mais il faut l'alimenter en 5V soit par la prise USB du PC ou sur une alim 5Vcc externe
oui le Radiospares à 87,90 € convient il peut faire actif 20mA mais il faut l'alimenter en 5V soit par la prise USB du PC ou sur une alim 5Vcc externe
Automaticien privé (de tout)
itasoft@free.fr
itasoft@free.fr
