Question Relai à allumage cyclique.

Partie du forum pour tout ce qui concerne la partie hard, ou matérielle, dans l'industrie. Forum, conseil, astuce et entraide sur le matériel d'automatisme ou d'informatique industrielle .
Répondre
ChrisBreizh
Apprend le binaire
Apprend le binaire
Messages : 2
Enregistré le : 27 nov. 2018, 23:21

Question Relai à allumage cyclique.

Message par ChrisBreizh »

Bonjour,
Je suis totalement néophyte, je suis vraiment perdu alors je serai concis.

Je dois démarrer une prise sur laquelle est branchée un Ozonisateur (Générateur à décharge Corona) pendant des durées courtes par exemple 15 secondes à 60 secondes. Je dois réaliser divers test afin de faire ces activations toutes les 5 ou 10 ou 15 minutes afin d'expérimenter les taux d'ozone produits puis dissipé.

Je ne comprend pas quel est le nom du composant nécessaire.
Je souhaite un relai qui fonctionne en boucle donc cyclique et qui active une prise 12V ou 220V peut m'importe mais que je puisse bien choisir les intervales.

J'ai l'impression d'avoir trouvé le bon truc dans amazon avec un objet de genre ? https://www.amazon.fr/Kit-minuteur-Impu ... ewpoints=1

Que dois-je acheter ?

Merci infiniement.
Avatar du membre
itasoft
Mi homme - Mi automate
Mi homme - Mi automate
Messages : 7806
Enregistré le : 20 oct. 2015, 10:15
Localisation : Lyon
Contact :

Re: Question Relai à allumage cyclique.

Message par itasoft »

slts,
il te faut un relais clignotant avec un temps réglable 0à60s pour la marche et un temps réglable 0à60mn pour l’arrêt (c'est pas courant)
-cliquer dessus
_______________Capture.JPG
celui du lien ne convient pas, sinon ça peut aussi se faire avec 2 relais temporisés standard TON
cliquer dessus pour agrandir
-------
Le fichier joint ________IP.JPG n’est plus disponible.
Fichiers joints
________IP.JPG
Automaticien privé (de tout)
itasoft@free.fr
ChrisBreizh
Apprend le binaire
Apprend le binaire
Messages : 2
Enregistré le : 27 nov. 2018, 23:21

Re: Question Relai à allumage cyclique.

Message par ChrisBreizh »

Merci pour l'info donc j'achète deux relai et je les connecte en fait ?
Sinon je pensais me procurrer un arduino et un relai et piloter le relai par un petit programme qu'en pensez vous ?
Avatar du membre
ProfnovA
Créateur de langage
Créateur de langage
Messages : 578
Enregistré le : 21 oct. 2015, 08:21

Re: Question Relai à allumage cyclique.

Message par ProfnovA »

S'il s'agit d'une installation industrielle, utilise des relais et/ou tempo industriels. Par exemple:

https://fr.rs-online.com/web/p/products ... lsrc=aw.ds
Avatar du membre
itasoft
Mi homme - Mi automate
Mi homme - Mi automate
Messages : 7806
Enregistré le : 20 oct. 2015, 10:15
Localisation : Lyon
Contact :

Re: Question Relai à allumage cyclique.

Message par itasoft »

slts,
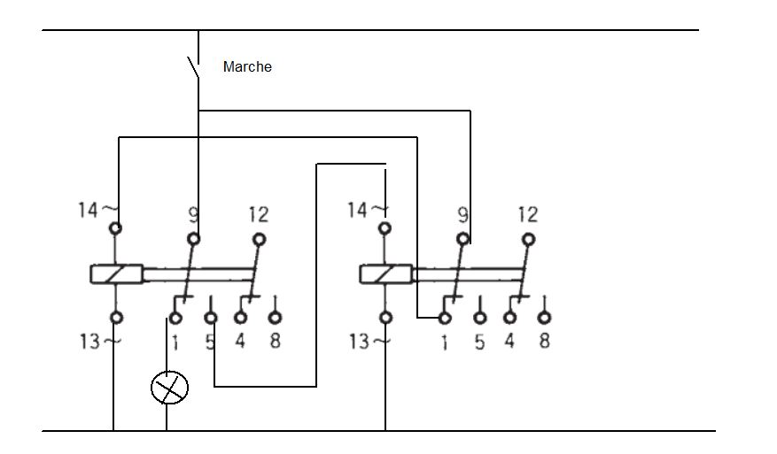
oui l'Arduino ou le relais à profnova ou 2 relais Amazon à 5,56 € (en fonction de ton budget) .
---------
_barr.JPG
_barr.JPG (17.5 Kio) Vu 4405 fois
cablage des 2 relais Amazon
-------
_1234.JPG
Automaticien privé (de tout)
itasoft@free.fr
Phil40
Code sa première boucle
Code sa première boucle
Messages : 20
Enregistré le : 22 oct. 2015, 19:45
Localisation : Castets des Landes

Re: Question Relai à allumage cyclique.

Message par Phil40 »

bonjour,Chris
T’embête pas a câbler tu prends un relais qui fait les 2 pour moins de 50€:
https://fr.rs-online.com/web/p/relais-t ... s/8285164/
Avatar du membre
itasoft
Mi homme - Mi automate
Mi homme - Mi automate
Messages : 7806
Enregistré le : 20 oct. 2015, 10:15
Localisation : Lyon
Contact :

Re: Question Relai à allumage cyclique.

Message par itasoft »

Phil40 a écrit : 30 nov. 2018, 14:16 bonjour,Chris
T’embête pas a câbler tu prends un relais qui fait les 2 pour moins de 50€:
https://fr.rs-online.com/web/p/relais-t ... s/8285164/
ça fait une différence de 40€ , moi pour 40€ je câble
Automaticien privé (de tout)
itasoft@free.fr
Répondre