Bonjour,
je veux réaliser un programme pour centrale à béton.
en effet on a plusieurs formules de dosage, selon le type de béton voulu les quantités des différents composants changent.
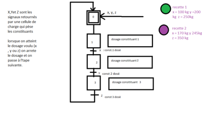
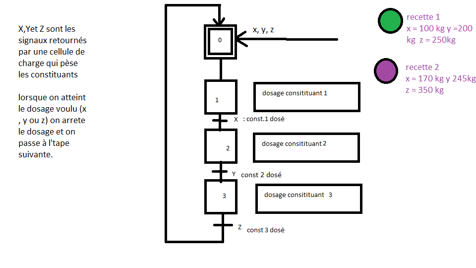
par exemple avec recette 1 béton : on a besoin de 100 kg / ciment 200 kg / sable 250 kg gravier
recette 2 béton : 170 kg / ciment 245 kg/ sable 350 kg gravier
on va choisir avec une bouton dans l'interface de commande entre recette 1 ou recette 2 .
pour élaborer le grafcet d'un tel programme , je veux le faire en une seule grafcet qui aura en transitions des variables x y et z et chaque fois quand choisit la recette, les valeurs correspondants ( x=170 kg/ y = 245 kg/z=350 kg par exemple pour recette 2) seront transmise au grafcet . ( l’idée est illustré en image joint )
est il possible de le faire ? sinon comment procéder ?
cordialement
grafcet et interface homme machine
-
moussa2019
- Apprend le binaire

- Messages : 2
- Enregistré le : 20 mars 2019, 16:53
-
philou77
- Mi homme - Mi automate

- Messages : 2142
- Enregistré le : 21 oct. 2015, 10:00
- Localisation : Ile de France
Re: grafcet et interface homme machine
Salut !
Oui, c'est possible de la faire comme tu le souhaites.
à part que tu ne dis pas quels matériels tu utilises
Oui, c'est possible de la faire comme tu le souhaites.
à part que tu ne dis pas quels matériels tu utilises
Si vous avez compris tout ce que je viens d'écrire, c'est que j'ai dû faire une erreur quelque part ! 