TSX premium et Unitelway

Forum traitant des automates industriels de marque Schneider - Telemecanique
BenAutom
Code son premier grafcet
Code son premier grafcet
Messages : 32
Enregistré le : 02 mars 2019, 13:24

Re: TSX premium et Unitelway

Message par BenAutom »

Unitelway + machine virtuelle ça fait pas bon ménage....

https://www.geea.org/IMG/pdf/Guide_PL7_ ... sferer.pdf
Pour la partie "dépannage" qui pourrait être utile
domore
Apprend le binaire
Apprend le binaire
Messages : 8
Enregistré le : 11 juil. 2020, 07:27

Re: TSX premium et Unitelway

Message par domore »

Je vérifie ça demain. Pour info,ce n'est pas un magelis tactile, c’est un XBT F024110;
Avatar du membre
itasoft
Mi homme - Mi automate
Mi homme - Mi automate
Messages : 7807
Enregistré le : 20 oct. 2015, 10:15
Localisation : Lyon
Contact :

Re: TSX premium et Unitelway

Message par itasoft »

domore a écrit : 12 juil. 2020, 15:26 Je vérifie ça demain. Pour info,ce n'est pas un magelis tactile, c’est un XBT F024110;
-----------
il faut débrancher le IHM de la boite et le connecter sur la prise AUX de la boite via le cordon XBTZ968 et tout marchera.
c'est normal car sans le cordon XBTZ968 le IHM prend la même adresse que la console (le PC) donc conflit
c'est simple pour confirmer ça il suffit de débrancher le XBT de la boite
Automaticien privé (de tout)
itasoft@free.fr
Avatar du membre
itasoft
Mi homme - Mi automate
Mi homme - Mi automate
Messages : 7807
Enregistré le : 20 oct. 2015, 10:15
Localisation : Lyon
Contact :

Re: TSX premium et Unitelway

Message par itasoft »

slts
le cordon XBTZ968 impose l'adresse unitelway n°4 au l'IHM car sans le cordon le IHM prends les mêmes adresses que la console (n°1,2,3)
--------
AXXX1.JPG
Automaticien privé (de tout)
itasoft@free.fr
domore
Apprend le binaire
Apprend le binaire
Messages : 8
Enregistré le : 11 juil. 2020, 07:27

Re: TSX premium et Unitelway

Message par domore »

Bonjour,
je pensais faire un petit schéma de l'installation mais je n'ai pas eu le temps. Le Magelis est branché sur un boitier TSXSCA62 qui est lui-même relié au TSXPACC01; (le magelis est à quelques mètres de l'un des API et à 30 mètres de l'autre.)
Avatar du membre
itasoft
Mi homme - Mi automate
Mi homme - Mi automate
Messages : 7807
Enregistré le : 20 oct. 2015, 10:15
Localisation : Lyon
Contact :

Re: TSX premium et Unitelway

Message par itasoft »

slts,
j'avais compris que le Magelis était branché à l’intérieur de la boite TSXPACC01 , si il est branché sur une des prise de la boite SCA62 alors tout est correctement fait. le pb doit avoir un rapport avec la VM
Automaticien privé (de tout)
itasoft@free.fr
domore
Apprend le binaire
Apprend le binaire
Messages : 8
Enregistré le : 11 juil. 2020, 07:27

Re: TSX premium et Unitelway

Message par domore »

J'ai la même chose sans VM. directement avec W10
Avatar du membre
itasoft
Mi homme - Mi automate
Mi homme - Mi automate
Messages : 7807
Enregistré le : 20 oct. 2015, 10:15
Localisation : Lyon
Contact :

Re: TSX premium et Unitelway

Message par itasoft »

slts,
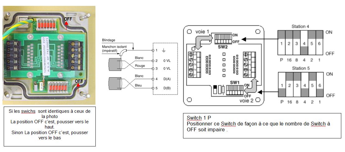
ça veut dire qu'il ya un conflit d'adresses, vérifier les adresses dans la boite SCA62, le XBT doit être à l'adresse 4 et la prise non utilisée avec tous les swichs sur ON, le cable dit être XBTZ-908
----------
Doc_Boite_SCA62.JPG
Automaticien privé (de tout)
itasoft@free.fr
Répondre