Bonjour,
Sur un régime TN, terre et neutre confondu,
J'ai des équipements en 220v,
Puis-je utiliser une phase et la terre du coup pour créer mon 220 v ?
( j'equilibrerais en utilisant un coup une phase pour un équipement puis une autre phase pour un autre équipement)
Ou je dois installer un transfo 400v triphasé vers 220 v..?
En vous remerciant pour l'aide que vous pourrez m'apporter.
Régime TN
Re: Régime TN
Oui, en TNC, tu peux recréer ton neutre via la terre.
Si quelquefois tu te sens petit, inutile, démoralisé ou dépressif, n'oublies jamais que tu as été un jour le plus rapide et le meilleur spermatozoïde de ta bande ...
-
philou77
- Mi homme - Mi automate

- Messages : 2142
- Enregistré le : 21 oct. 2015, 10:00
- Localisation : Ile de France
Re: Régime TN
Salut !
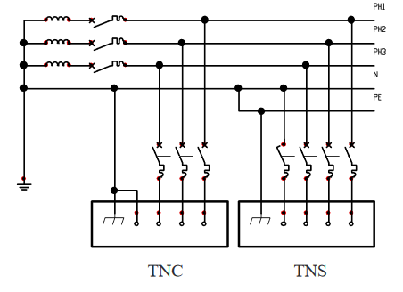
Tu semble vouloir faire du tnc !
C’est interdit en dessous de 10mm2
Regarde ici https://www.infoelec.dz/article/regimes ... ou-it.html
Tu semble vouloir faire du tnc !
C’est interdit en dessous de 10mm2
Regarde ici https://www.infoelec.dz/article/regimes ... ou-it.html
Si vous avez compris tout ce que je viens d'écrire, c'est que j'ai dû faire une erreur quelque part ! 
Re: Régime TN
Il est en TNC et veut repasser sur du TNS sur certains équipements.philou77 a écrit : ↑26 août 2020, 08:48 Salut !
Tu semble vouloir faire du tnc !
C’est interdit en dessous de 10mm2
Regarde ici https://www.infoelec.dz/article/regimes ... ou-it.html
Si quelquefois tu te sens petit, inutile, démoralisé ou dépressif, n'oublies jamais que tu as été un jour le plus rapide et le meilleur spermatozoïde de ta bande ...
Re: Régime TN
Bonjour,
Brancher les appareils entre phase et terre va faire sauter les différentiels de protection.
Je préconiserai plutôt un autotransfo monophasé 400/230.
Brancher les appareils entre phase et terre va faire sauter les différentiels de protection.
Je préconiserai plutôt un autotransfo monophasé 400/230.
Re: Régime TN
Ah ah ah, blague validée, la terre étant ton neutre, tu veux déclencher quoi ?

Je confirme donc : On peut combiner un réseau TNC puis un TNS, mais jamais l'inverse.
Si quelquefois tu te sens petit, inutile, démoralisé ou dépressif, n'oublies jamais que tu as été un jour le plus rapide et le meilleur spermatozoïde de ta bande ...
Re: Régime TN
Salut
C'est possible si:
Section Pen minimum 16°
On peut le faire qu'une fois TNS en aval du tnc pas l'inverse
Pas de différentiel en amont
On ne coupe jamais le Pen par des disjoncteurs ou inter
Ça c de mémoire, a vérifier
A+
C'est possible si:
Section Pen minimum 16°
On peut le faire qu'une fois TNS en aval du tnc pas l'inverse
Pas de différentiel en amont
On ne coupe jamais le Pen par des disjoncteurs ou inter
Ça c de mémoire, a vérifier
A+
Re: Régime TN
Merci pour votre aide



