[M221] codeur incrémental, compteur rapide [RESOLU]
Re: [M221] codeur incrémental, compteur rapide
Sur ce modèle, on choisit les caractéristiques à la commande.
Ce n'est pas programmable.
Ce n'est pas programmable.
La théorie, c’est quand on sait tout et que rien ne fonctionne. La pratique, c’est quand tout fonctionne et que personne ne sait pourquoi. Ici, nous avons réuni théorie et pratique : rien ne fonctionne ... et personne ne sait pourquoi !
- itasoft
- Mi homme - Mi automate

- Messages : 7806
- Enregistré le : 20 oct. 2015, 10:15
- Localisation : Lyon
- Contact :
Re: [M221] codeur incrémental, compteur rapide
bon pour en finir la configuration coté M221 c'est tout bon, coté codeur ya quelque chose qui est en l'air (pas au 0V) ce qui expliquerait que ça fait n'importe quoi, ou alors sur le M221 ça ne marche que en Totem pole , ?
Modifié en dernier par itasoft le 25 sept. 2022, 05:04, modifié 1 fois.
Automaticien privé (de tout)
itasoft@free.fr
itasoft@free.fr
- itasoft
- Mi homme - Mi automate

- Messages : 7806
- Enregistré le : 20 oct. 2015, 10:15
- Localisation : Lyon
- Contact :
Re: [M221] codeur incrémental, compteur rapide
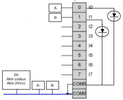
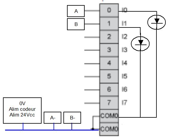
--------c'est le raccordement que j'avais fais mais c'était un codeur à sortie Totem pole, à voir ---------
--------schema interne -----
--------schema interne -----
Modifié en dernier par itasoft le 26 sept. 2022, 00:26, modifié 5 fois.
Automaticien privé (de tout)
itasoft@free.fr
itasoft@free.fr
Re: [M221] codeur incrémental, compteur rapide
salut
c'est bizarre, je viens de faire un retrofit sur un M221:
j'avais des codeurs TTL, j'ai mis un convertisseur Motrona GV210 pour sortir en HTL
et j'ai envoyé les 2 signaux A et B directement sur les entrées I0 et I1
après tu configure le HSC0 en biphasé et ça doit rouler...
Si tu tourne doucement ton codeur, tu vois les led des entrées clignoter? elles ont l'ai d'etre identiques?
A+
c'est bizarre, je viens de faire un retrofit sur un M221:
j'avais des codeurs TTL, j'ai mis un convertisseur Motrona GV210 pour sortir en HTL
et j'ai envoyé les 2 signaux A et B directement sur les entrées I0 et I1
après tu configure le HSC0 en biphasé et ça doit rouler...
Si tu tourne doucement ton codeur, tu vois les led des entrées clignoter? elles ont l'ai d'etre identiques?
A+
-
Gigi
- Forcené des structures

- Messages : 172
- Enregistré le : 13 janv. 2022, 22:51
- Localisation : Tourcoing
Re: [M221] codeur incrémental, compteur rapide
Si le compteur compte deux fois plus d’impulsions en utilisant les voies À et B c’est normal.les 1000 points/ tour c’est la résolution pour la voie À seule en général.
Reste le problème du décomptage mais tu indiques que l’inversion du sens est détectée mais pas comment du coup.
Reste le problème du décomptage mais tu indiques que l’inversion du sens est détectée mais pas comment du coup.
C'est en forgeant qu'on devient forgeron !
- itasoft
- Mi homme - Mi automate

- Messages : 7806
- Enregistré le : 20 oct. 2015, 10:15
- Localisation : Lyon
- Contact :
Re: [M221] codeur incrémental, compteur rapide
slts,
N'importe quoi, en quadrature X1 le décalage de 90° ne sert qu'a déterminer le sent de rotation, ça décrément ou ça incrémente ça ne double pas la valeur courante
---
N'importe quoi, en quadrature X1 le décalage de 90° ne sert qu'a déterminer le sent de rotation, ça décrément ou ça incrémente ça ne double pas la valeur courante
---
Modifié en dernier par itasoft le 26 sept. 2022, 00:32, modifié 1 fois.
Automaticien privé (de tout)
itasoft@free.fr
itasoft@free.fr
-
Gigi
- Forcené des structures

- Messages : 172
- Enregistré le : 13 janv. 2022, 22:51
- Localisation : Tourcoing
Re: [M221] codeur incrémental, compteur rapide
Si c’est vérifié et validé qu’il est bien quadrature X1 alors tu as raison , méa culpa.
C'est en forgeant qu'on devient forgeron !
Re: [M221] codeur incrémental, compteur rapide
Quand je tourne l'arbre du codeur doucement à la main, je vois les deux leds I0.0 et I0.1 clignoter, mais toujours ensemble.skip74 a écrit : ↑25 sept. 2022, 10:13 salut
c'est bizarre, je viens de faire un retrofit sur un M221:
j'avais des codeurs TTL, j'ai mis un convertisseur Motrona GV210 pour sortir en HTL
et j'ai envoyé les 2 signaux A et B directement sur les entrées I0 et I1
après tu configure le HSC0 en biphasé et ça doit rouler...
Si tu tourne doucement ton codeur, tu vois les led des entrées clignoter? elles ont l'ai d'etre identiques?
A+
La théorie, c’est quand on sait tout et que rien ne fonctionne. La pratique, c’est quand tout fonctionne et que personne ne sait pourquoi. Ici, nous avons réuni théorie et pratique : rien ne fonctionne ... et personne ne sait pourquoi !
Re: [M221] codeur incrémental, compteur rapide
itasoft a écrit : ↑25 sept. 2022, 18:33 slts,
N'importe quoi, en quadrature X1 le décalage de 90° ne sert qu'a déterminer le sent de rotation, ça décrément ou ça incrémente ça ne double pas la valeur courante
---
A ce propos, question bête: si il tourne manuellement dans l’autre sens est que ça décrémente ?
Si non c’est que ça fait n’importe quoi, ya bien les signaux qui ne sont pas référencés au 0V
Quand je tourne à l'envers ça ne décrémente jamais.
La théorie, c’est quand on sait tout et que rien ne fonctionne. La pratique, c’est quand tout fonctionne et que personne ne sait pourquoi. Ici, nous avons réuni théorie et pratique : rien ne fonctionne ... et personne ne sait pourquoi !
Re: [M221] codeur incrémental, compteur rapide
Les 2 LEDs devraient être décalées... Le problème vient de là
Es tu. Bien sûr que le commun des entrées est
Bien relié au 0v?
A+
Es tu. Bien sûr que le commun des entrées est
Bien relié au 0v?
A+
