[Ecostruxure Control Expert] Retour Read_Var

Forum traitant des automates industriels de marque Schneider - Telemecanique
Lynqyx
Code sa première boucle
Code sa première boucle
Messages : 17
Enregistré le : 25 avr. 2023, 11:28

[Ecostruxure Control Expert] Retour Read_Var

Message par Lynqyx »

Bonjour,
Je dois remonter des infos de comptage d'une passerelle vers un M580, n'ayant qu'un M340 à ma disposition pour le moment, c'est donc ce que j'utilise. Mon problème est le suivant, je récupère bien les valeurs que je souhaite sauf la dernière, je m'explique: avec mon Bloc READ_VAR je lis dans un registre de 3028 à 3032 pare exemple, je converti en real (j'adresse des REAL sur la même adresse que sur les INT) et là pour ma première et deuxième valeurs récupérer j'ai bien les bonnes valeurs, mais pour la troisième j'ai une valeur de 0 soit random.. J'ai essayé de taper dans un autre registre mais pareil la troisième valeur est erronée alors que les deux premières sont correctes. J'ai pensé peu-être à la valeur du timeout du bloc READ_VAR mais je ne trouve toujours pas pourquoi après avoir essayé plusieurs solutions (prendre une plus grande plage dans le registre de la passerelle etc ..mais toujours cette 3e valeur fausse).
Je vous laisse des images plus explicites ci-joint.

En espérant que quelqu'un a la solution.

Vous remerciant.

Cordialement.
Fichiers joints
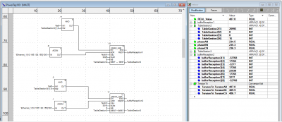
Tableau de la passerelle où aller lire.
Tableau de la passerelle où aller lire.
Code
Code
Déclarations des variables
Déclarations des variables
MiGaNuTs
Mi homme - Mi automate
Mi homme - Mi automate
Messages : 1573
Enregistré le : 12 nov. 2015, 21:02
Localisation : 45 - Loiret
Contact :

Re: [Ecostruxure Control Expert] Retour Read_Var

Message par MiGaNuTs »

Bonjour,
Normalement M340 ou M580 pour cette fonction ça ne change absolument rien. Ta plateforme de tests est OK.

Pour une raison qui m’échappe j'ai l'impression que les valeurs de TableReception[5] et [6] sont inversées.

A tu essayé a tout hasard de lire en 3030 pour voir si tu te retrouve avec le bonne valeur de CN dans BN ?
Lynqyx
Code sa première boucle
Code sa première boucle
Messages : 17
Enregistré le : 25 avr. 2023, 11:28

Re: [Ecostruxure Control Expert] Retour Read_Var

Message par Lynqyx »

Bonjour,
oui j'ai déjà essayé de lire juste la 3e (de manière isolée) et toujours le même problème. J'ai également déjà essayé de convertir avec des blocs et ne pas passer par l'adressage, pour inversé les INT et toujours le même problème.
Modifié en dernier par Lynqyx le 17 mai 2023, 09:03, modifié 1 fois.
Lynqyx
Code sa première boucle
Code sa première boucle
Messages : 17
Enregistré le : 25 avr. 2023, 11:28

Re: [Ecostruxure Control Expert] Retour Read_Var

Message par Lynqyx »

Je peux également visualiser les valeurs des tensions directement sur la passerelle via la page web, et je peux donc vérifier si mes valeurs sont présentes, justes etc ...
Cedric39
Générateur de blocs fonctions
Générateur de blocs fonctions
Messages : 134
Enregistré le : 05 déc. 2015, 09:47

Re: [Ecostruxure Control Expert] Retour Read_Var

Message par Cedric39 »

Bonjour,
Je te donne une piste qui peu arriver

Il y a des chances d'avoir un décalage. Tu lis le 3028 mais en fait c'est le regitre 3030. et le resultat du 5 et 6 va lire un registre 3034-3035 qui n'xiste pas ou qui n'a pas le bon format.

ca semble ok car le résultat proche des 230 est oK
Pour trouver le décalage il faudrait trouver une valeur isolée a lire qui n'as pas la même valeur que les registre a coté. Moi en général j'essai de lire le registre fréquence, la valeur doit être dans les 50 .
Avatar du membre
sinced
Mi homme - Mi automate
Mi homme - Mi automate
Messages : 1273
Enregistré le : 13 oct. 2015, 16:56

Re: [Ecostruxure Control Expert] Retour Read_Var

Message par sinced »

Pour moi pour l'instant tu dois déjà lire en considérant qu'il peut y avoir un décalage dans tes mesures.
Essaies de lire plus de mots que prévus en rajouter 2 indices en arrière sur le mot indiqué dans le manuel de ta passerelle.
Ensuite essaies de voir la correspondance de chaque réel formé.
C'est quoi comme passerelle ?
Est-ce que les variables avant les 3028 sont aussi des tensions ?
Lynqyx
Code sa première boucle
Code sa première boucle
Messages : 17
Enregistré le : 25 avr. 2023, 11:28

Re: [Ecostruxure Control Expert] Retour Read_Var

Message par Lynqyx »

Effectivement, je pense qu'il y a un décalage, cependant quand j’agrandis les plages de récupération, ou j’agrandis la requête ou en décalant la requête , je ne trouve pas de valeurs cohérentes.
J'utilise une pas600 SE connecté avec un TOR de mesure, (je n’ai pas de charge donc uniquement les valeurs de tension).
J'ai éssayé de récupérer la fréquence qui est un registre très isolé 3110 et rien avant rien après directement (3086 avant et 3131 après) et je ne trouve pas de valeur..
Mais je continue sur la piste du décalage.
Fichiers joints
registre plus grand.png
Frenquence.png
Lynqyx
Code sa première boucle
Code sa première boucle
Messages : 17
Enregistré le : 25 avr. 2023, 11:28

Re: [Ecostruxure Control Expert] Retour Read_Var

Message par Lynqyx »

J'ai trouvé la solution et je ne sais pas comment je suis passé à coté sachant que j'ai déjà essayé ce cas.. mais grâce à vous j'ai trouvé la solution (enfin je pense reste à confirmé) mais j'ai décalé l'adresse de départ et agrandis l'index de réception. J'ai trois valeurs cohérentes maintenant, je vais vérifier avec la requête pour les tensions triphasés.
Vous remerciant encore.
Merci de votre bienveillance ainsi que du temps passé à me répondre.

Cordialement
Lynqyx
Code sa première boucle
Code sa première boucle
Messages : 17
Enregistré le : 25 avr. 2023, 11:28

Re: [Ecostruxure Control Expert] Retour Read_Var

Message par Lynqyx »

Les valeurs triphasés : OK.

Merci
Lynqyx
Code sa première boucle
Code sa première boucle
Messages : 17
Enregistré le : 25 avr. 2023, 11:28

Re: [Ecostruxure Control Expert] Retour Read_Var

Message par Lynqyx »

Cependant si quelqu'un a l'explication du décalage je l'a veux bien. Parce un REAL c'est 32 bits donc un tableau de 6 int16 c'est bien 3 REAL, donc Pourquoi je dois faire une requête décalé et en avoir un tableau de 8 INT en retour et pas juste le double. De plus j'ai toujours que 3 REAL adressées sur le tableau de INT.

Merci d'avance.

Cordialement
Fichiers joints
variables.png
resolutionProb.png
Répondre