Problème cablage et programmation automate

Partie du forum pour tout ce qui concerne les automates industriels B&R, Beckhoff, Phoenix Contact etc...
Répondre
ethno
Code sa première boucle
Code sa première boucle
Messages : 16
Enregistré le : 05 août 2016, 12:02

Problème cablage et programmation automate

Message par ethno »

Bonjour,
Je viens solliciter votre aide pour résoudre un problème un peu complexe pour moi mais peut être simple pour des experts.
Dans le cadre de mon stage, je viens de récupérer une installation en stand by depuis 2 ans (à moitié câblée) que je dois mettre au gout du jour
Le problème est que je ne suis pas automaticien ni électrotechnicien. J’ai accepté le projet par défi car très intéressant mais ça commence à se corser car il y’a beaucoup de choses que je ne maitrise pas
Voilà
J’en suis juste à l’armoire électrique pour l’instant.
« Bp départ essai » doit pouvoir faire démarrer l’installation en faisant tourner un moteur
Arrivée à une vitesse V1, la bobine du relais V1 dois coller le contact V1 « idem pour V2 » afin d’avoir une alim 48 V pour piloter des électrovannes.
Une fois V2 atteinte, je dois pouvoir réarmer par appui sur le « Bp réa »

Je dispose d’un commutateur qui me permet de choisir mon essai en sortant V1 ou V2 par injection d’huile « Inj »
Un tachymètre me sert pour l’instant que de consigne pour ne pas dépasser une vitesse limite.

Je n’ai pas encore câblé (Kt4 et Kb7) pour les contrôles de vitesse car je ne sais pas comment m’y prendre.

Actuellement j’ai un gros souci, j’ai câblé des commutateurs pour simuler mes entrées mais l’installation ne démarre pas sur « départ essai » mais uniquement sur ordre de « déblocage carter »

J’ai aussi des doutes sur le programme entré dans l’automate, mais bon pour l’instant je veux être sûr du câblage avant d’insulter le programme automate .
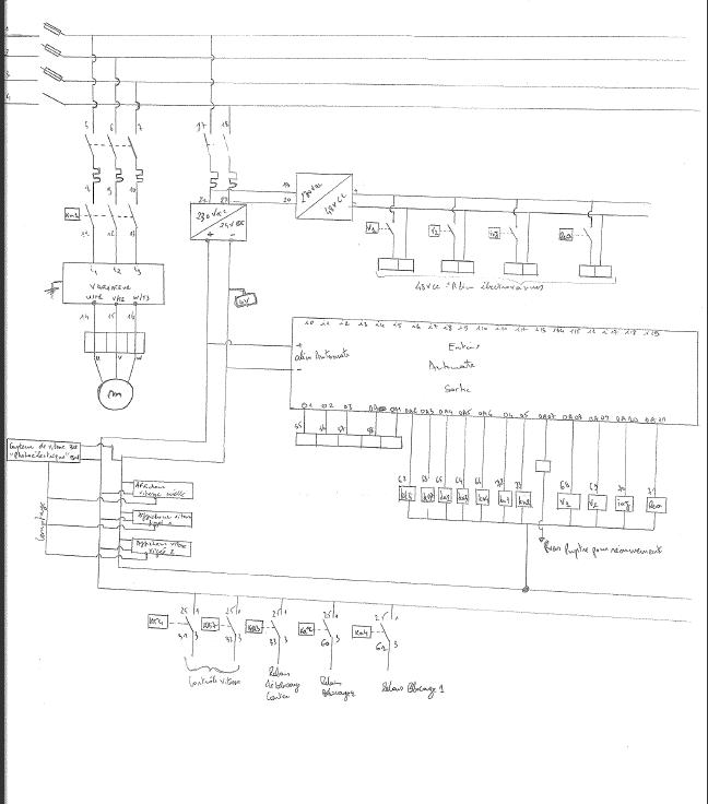
Avec le schéma en pièce jointe, pourriez vous me dire ce qui ne va pas pour l’instant ?
Pourquoi mon départ essai ne fonctionne pas ? qu’ai-je loupé ?

Merci d’avance
Fichiers joints
AUTO2.jpg
Avatar du membre
maxpeigne
Dieu du process
Dieu du process
Messages : 771
Enregistré le : 11 oct. 2015, 17:31
Localisation : Nord pas de calais

Re: Problème cablage et programmation automate

Message par maxpeigne »

ethno a écrit :Le problème est que je ne suis pas automaticien ni électrotechnicien. J’ai accepté le projet par défi car très intéressant mais ça commence à se corser car il y’a beaucoup de choses que je ne maitrise pas
Quelle est ta formation alors? Si tu n'es pas du métier (ou que tu n'ais pas de formation liée), il te manquera des bases théoriques qui ne se devinent pas.

Peux tu avoir le programme de l'automate? Sans celui ci il sera difficile de savoir comment fonctionne ton "mode essai".
http://automacile.fr - Site et tutoriels sur l'arduino.
ethno
Code sa première boucle
Code sa première boucle
Messages : 16
Enregistré le : 05 août 2016, 12:02

Re: Problème cablage et programmation automate

Message par ethno »

Je suis un master en management "amélioration continue". rien de bien technique mais je suis emmené ç comprendre ces genres de problèmes si je veux les améliorer. voilà pourquoi j'ai ce genre de problème.

oui je peux réccuperer le programme
Avatar du membre
maxpeigne
Dieu du process
Dieu du process
Messages : 771
Enregistré le : 11 oct. 2015, 17:31
Localisation : Nord pas de calais

Re: Problème cablage et programmation automate

Message par maxpeigne »

Il faudrait regarder dans le programme quelle condition autre que "depart essai" est nécéssaire pour lancer ton cycle. Si tu parles de verouillage carter c'est qu'il doit certainement y avoir une vérification des sécurités avant de lancer son cycle.
http://automacile.fr - Site et tutoriels sur l'arduino.
ethno
Code sa première boucle
Code sa première boucle
Messages : 16
Enregistré le : 05 août 2016, 12:02

Re: Problème cablage et programmation automate

Message par ethno »

Enfait je pense que mon cablag n'est pas complet. Je viens de revérifier de mon cablâge et il manque le cablage du relais tachymètre et les deux relais pour le controle de la vitesse (je dispose de deux potards de 4.7 kohm pour ça )
un autre problème, en mettant le jus, tous mes sorties sont déja à un alors que certain devaieint être à 0

quetions
-Je n'ai aucune idée du cablâge des deux potards pour le contrôle de la vitesse (savoir quand le moteur est à l'arret) sacahnt que j'ai deja un potard qui me sert de montée/baisse de vitesse manuel cablé sur le variateur.
-
Quelqu'un peut- me proposer un schéma de commande simple pour un démarrage de moteur avec un départ essai par bp pour la mise en route du moteur grace à un variateur
arret du moteur
controle de la vitesse du moteur avec un potard. cela me permettrait de comprendre ce qui a été fait car j'ai un doute sur le cablage
merci d'avance
Avatar du membre
Bernardo59
Mi homme - Mi automate
Mi homme - Mi automate
Messages : 1054
Enregistré le : 20 oct. 2015, 05:48
Localisation : Nimes
Contact :

Re: Problème cablage et programmation automate

Message par Bernardo59 »

Salut,

Sans connaitre ce qu'il y a dans le programme automate, sans avoir les schémas électriques et en se basant sur des spéculations téchniques, tu vas en avoir pour des mois avant de comprendre réellement le système... :shock:

Ca va etre compliqué de t'aider, tu as quoi comme document qui provient de la machine ?
ethno
Code sa première boucle
Code sa première boucle
Messages : 16
Enregistré le : 05 août 2016, 12:02

Re: Problème cablage et programmation automate

Message par ethno »

Oui tu as raison
j'ai uniquement le schéma de puissance que j'ai mis en pièce jointe
pas de schéma de commande
donc je fais du suivi de fils pour essayer de comprendre mais bon... ça commence à faire un peu un grand basard
Répondre