Bonjour, je suis actuellement sur un rétrofit d'une machine et on passe sur un M340 avec un port modbus TCP/IP et je vais vers un switch pour connecter tout le reste, avec des var en modbus TCP/IP, je m'y connais pas du tout avec schneider et le modbus j'ai vu qu'avec les vars ATV320 j'ai la possibilité de créer un profil IO avec une carte NOC ou alors de faire sans mais devoir taper toutes les étapes de marche directement sur les adresses modbus avec des blocs write_var et read_var docs que j'ai trouver ici ->
https://www.se.com/fr/fr/faqs/FA301780/,
je pense le plus simple sera de rajouter une carte NOC pour cela mais pour le var SEW j'ai pas réussi a trouver beaucoup d'infos voici le var que je dois utiliser SEW MCX91A-1130-5E3-4-T01/001/DI/CSO/CFE/CDM/CMM
est-ce que c'est le même principe qu'avec le ATV320 ? je dois juste trouver le bon DTM ? et après créer mon profil IO sur un des ports de la carte NOC ?
est-ce que c'est possible de communiquer avec le var SEW sans carte NOC ou c'est trop galère ?
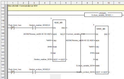
et est-ce que tout est disponible sur ecostruxure control expert classic V16 ou je vais avoir besoin d'autres logiciels surtout en mise en service je présume, pour info je n'ai pas les vars a ma disposition donc je fais que des essais a l'aveugle de base j'avais fait sa mais je ne pense pas que sa va marcher car j'avais fait sans carte NOC en +
Communication M340 et SEW
-
Bastien
- Première mise en service

- Messages : 54
- Enregistré le : 23 oct. 2020, 10:47
- Localisation : VICHY
Re: Communication M340 et SEW
Bonjour,
J'ai fais un projet avec un M340 et un variateurs SEW "MCX91A-0040-5E3-4-T01/001/DI/CSO/CFE/CDM/CMM".
Ce dernier est connecté sur ma NOC0401 avec le fichier EDS qui va bien et tout fonctionne comme il faut.
Je pense que la seule différence entre nos variateurs est la puissance à première vu.
Envoyer mail en MP pour envoi du fichier EDS si besoin
J'ai fais un projet avec un M340 et un variateurs SEW "MCX91A-0040-5E3-4-T01/001/DI/CSO/CFE/CDM/CMM".
Ce dernier est connecté sur ma NOC0401 avec le fichier EDS qui va bien et tout fonctionne comme il faut.
Je pense que la seule différence entre nos variateurs est la puissance à première vu.
Envoyer mail en MP pour envoi du fichier EDS si besoin
