Variateur de fréquence
Re: Variateur de fréquence
Merci a tous pour vos réponses.
Les machines appartiennent à mon grand père. je vais les chercher la semaine du 7 juin.
A ce moment la je pourrais prendre plus de photos et vous donner plus d'infos.
Je voudrais aussi préciser une chose dite lors de mon dernier message.Il y a bien un câble qui sort du moteur avec au bout une cosse 6 broches (peut n'y a t-il pas autant de fils?)
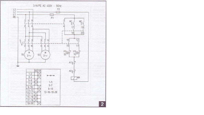
Cependant je pense que le schéma électrique en intéresserait plus d'un. Il y a un câblage en 230 v et en 400v
Merci pour votre temps.
Les machines appartiennent à mon grand père. je vais les chercher la semaine du 7 juin.
A ce moment la je pourrais prendre plus de photos et vous donner plus d'infos.
Je voudrais aussi préciser une chose dite lors de mon dernier message.Il y a bien un câble qui sort du moteur avec au bout une cosse 6 broches (peut n'y a t-il pas autant de fils?)
Cependant je pense que le schéma électrique en intéresserait plus d'un. Il y a un câblage en 230 v et en 400v
Merci pour votre temps.
- itasoft
- Mi homme - Mi automate

- Messages : 7805
- Enregistré le : 20 oct. 2015, 10:15
- Localisation : Lyon
- Contact :
Re: Variateur de fréquence
slts,
une cosse à 6 broches ?? à quoi ça ressemble ? jamais vu
A part ça, le truc du condensateur c'est du gadget, avec ça on as plus de couple surtout si on doit démarrer en charge
une cosse à 6 broches ?? à quoi ça ressemble ? jamais vu
A part ça, le truc du condensateur c'est du gadget, avec ça on as plus de couple surtout si on doit démarrer en charge
Modifié en dernier par itasoft le 30 mai 2021, 17:20, modifié 1 fois.
Automaticien privé (de tout)
itasoft@free.fr
itasoft@free.fr
Re: Variateur de fréquence
Bonjour,
c'est bien le schéma de ton combiné?
Si oui, du coup, ce n'est pas un dalander 2 vitesses.
Le schéma sous-entend qu'il est bien prévu pour tourner en 220 tri.
Le principe de raccordement en utilisant un condensateur pour simuler la 3ème phase je ne connaissais pas et viens de le découvrir.
On en parle ici https://bricolage.linternaute.com/forum ... -mono-220v par exemple
Sauf que sur ton schéma, ils ont représenté le même couplage étoile dans les 2 cas, ce qui n'est pas possible.
Si tu raccorde en 220 en suivant le schéma, tu devra de plus coupler chaque moteur en Triangle.
Afin que chaque enroulement soit alimenté en 220V comme c'est le cas lorsqu’on couple en étoile et qu'on alimente en 380 suivant la formule, l'enroulement recoit 380/V3 soit 220V (voir ci-dessous ):
c'est bien le schéma de ton combiné?
Si oui, du coup, ce n'est pas un dalander 2 vitesses.
Le schéma sous-entend qu'il est bien prévu pour tourner en 220 tri.
Le principe de raccordement en utilisant un condensateur pour simuler la 3ème phase je ne connaissais pas et viens de le découvrir.
On en parle ici https://bricolage.linternaute.com/forum ... -mono-220v par exemple
Sauf que sur ton schéma, ils ont représenté le même couplage étoile dans les 2 cas, ce qui n'est pas possible.
Si tu raccorde en 220 en suivant le schéma, tu devra de plus coupler chaque moteur en Triangle.
Afin que chaque enroulement soit alimenté en 220V comme c'est le cas lorsqu’on couple en étoile et qu'on alimente en 380 suivant la formule, l'enroulement recoit 380/V3 soit 220V (voir ci-dessous ):
Re: Variateur de fréquence
Oui c'est bien le schéma du combiné scie toupie.
Je connaissais déjà le branchement avec condensateur mais effectivement sans plaque à borne je ne saurais le mettre en triangle.
Je connaissais déjà le branchement avec condensateur mais effectivement sans plaque à borne je ne saurais le mettre en triangle.
Re: Variateur de fréquence
Sauf que ce n'est pas les mêmes moteurs qui sont représentés :DurandO a écrit : ↑30 mai 2021, 17:14 Bonjour,
c'est bien le schéma de ton combiné?
Si oui, du coup, ce n'est pas un dalander 2 vitesses.
Le schéma sous-entend qu'il est bien prévu pour tourner en 220 tri.
Le principe de raccordement en utilisant un condensateur pour simuler la 3ème phase je ne connaissais pas et viens de le découvrir.
On en parle ici https://bricolage.linternaute.com/forum ... -mono-220v par exemple
Sauf que sur ton schéma, ils ont représenté le même couplage étoile dans les 2 cas, ce qui n'est pas possible.
Si tu raccorde en 220 en suivant le schéma, tu devra de plus coupler chaque moteur en Triangle.
Afin que chaque enroulement soit alimenté en 220V comme c'est le cas lorsqu’on couple en étoile et qu'on alimente en 380 suivant la formule, l'enroulement recoit 380/V3 soit 220V (voir ci-dessous ):
En alim tri : moteur tri
En alim mono : moteur mono
Si quelquefois tu te sens petit, inutile, démoralisé ou dépressif, n'oublies jamais que tu as été un jour le plus rapide et le meilleur spermatozoïde de ta bande ...
- Béryl
- Mi homme - Mi automate

- Messages : 1953
- Enregistré le : 20 oct. 2015, 12:00
- Localisation : localhost
Re: Variateur de fréquence
Ce n'est pas un Dahlander vu qu'il n'y a qu'une vitesse sur la plaque à bornes.
Je ne vois pas de couplage mentionné sur les schémas.
Les 6 bornes doivent être les arrivées moteurs.
Pour du 230V, il faut les coupler en triangle.
La bidouille du condensateur : déjà, j'en aurais mis 2, un pour chaque moteur. Ensuite, il faut savoir que tu déclasses ton moteur en le câblant comme cela, tu vas perdre du couple.
L'idéal est donc de rajouter un var 230V mono qui sort du 400 tri pour chaque moteur.
Et profites-en pour intercaler au moins une protection pour chaque var/moteur aussi ; actuellement, ils ne sont pas protégés.
Je ne vois pas de couplage mentionné sur les schémas.
Les 6 bornes doivent être les arrivées moteurs.
Pour du 230V, il faut les coupler en triangle.
La bidouille du condensateur : déjà, j'en aurais mis 2, un pour chaque moteur. Ensuite, il faut savoir que tu déclasses ton moteur en le câblant comme cela, tu vas perdre du couple.
L'idéal est donc de rajouter un var 230V mono qui sort du 400 tri pour chaque moteur.
Et profites-en pour intercaler au moins une protection pour chaque var/moteur aussi ; actuellement, ils ne sont pas protégés.
Re: Variateur de fréquence
Bonjour,
La dessus, j'ai moi-même un combiné mono, tu démarre sans charge, c'est à la coupe (pendant l'usinage) que tu as de la charge.
Si c'est juste pour le plaisir de faire tourner la machine du grand-père, ce que je comprends, la solution du condo est pas si mal.
Sur sa machine il a un sélecteur, soit toupie (TO), soit scie circulaire (SC). C'est pourquoi il n'ont prévu qu'un condo : les moteurs sont peut-être de même puissance. Tu commande qu'un moteur à la fois.
La dessus, j'ai moi-même un combiné mono, tu démarre sans charge, c'est à la coupe (pendant l'usinage) que tu as de la charge.
Pour le variateur, j'avais proposé cela aussi, mais si c'est pour bricoler de temps en temps, cela fait un budget!L'idéal est donc de rajouter un var 230V mono qui sort du 400 tri pour chaque moteur.
Et profites-en pour intercaler au moins une protection pour chaque var/moteur aussi ; actuellement, ils ne sont pas protégés.
Si c'est juste pour le plaisir de faire tourner la machine du grand-père, ce que je comprends, la solution du condo est pas si mal.
C'est de ceci auquel je pensai en terme de couplageJe ne vois pas de couplage mentionné sur les schémas.
Re: Variateur de fréquence
Peut être un bobinage de démarrage.
J'ai souvenir que certains moteur mono avait un bobinage de déphasage qui s'ouvrait ensuite via un contact centrifuge
Si quelquefois tu te sens petit, inutile, démoralisé ou dépressif, n'oublies jamais que tu as été un jour le plus rapide et le meilleur spermatozoïde de ta bande ...

