Bonjour,
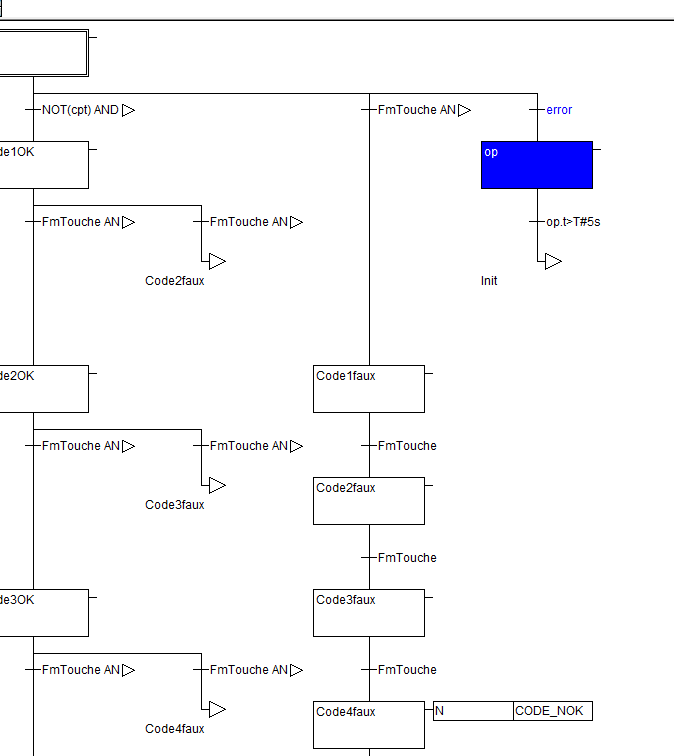
Je comprends pas pourquoi il y'a un blocage dans l'étape op, et que je ne passe pas à la transition op.t>T#5s
.
Merci
blocage etape
Re: blocage etape
oui mais c'est moi qui a écris error qui est le nom de ma transition.
En gros quand il y'a 3 codes consécutifs faux , une étape doit permettre d'attendre 5 seconds.
En gros quand il y'a 3 codes consécutifs faux , une étape doit permettre d'attendre 5 seconds.
- itasoft
- Mi homme - Mi automate

- Messages : 7804
- Enregistré le : 20 oct. 2015, 10:15
- Localisation : Lyon
- Contact :
Re: blocage etape
Slts,
Il faut connaître les équations utilisées pour les transitions pour se prononcer
Il faut connaître les équations utilisées pour les transitions pour se prononcer
Automaticien privé (de tout)
itasoft@free.fr
itasoft@free.fr
- maxpeigne
- Dieu du process

- Messages : 771
- Enregistré le : 11 oct. 2015, 17:31
- Localisation : Nord pas de calais
Re: blocage etape
Un truc tout bete mais dans "op.t>T#5s" il ne faut pas mettre le T#5s avec le t en minuscule?
http://automacile.fr - Site et tutoriels sur l'arduino.
- filou59
- Forcené des structures

- Messages : 190
- Enregistré le : 20 oct. 2015, 23:26
- Localisation : Nord
Re: blocage etape
Pas de prb T ou t ca passe.
Re: blocage etape
Autre question "bête", le module programme dans lequel est écrit ce SFC reste -l parcouru en permanence quand l'étape op est activée ? 

