A quoi sert ce transformateur d'isolement ?
A quoi sert ce transformateur d'isolement ?
Bonjour a tous,
Nouveau sur ce forum, et étant en BTS, j'aurais besoin d'aide par rapport à l'utilité d'un transformateur d'isolement dans une armoire de commande.
Je sais qu'il sert normalement à séparer électriquement la partie primaire de la partie secondaire (donc une fonction de protection), et aussi de changer de régime de neutre.
Mais dans ce cas, je n'arrive pas à comprendre à quoi il sert dans l'armoire de commande ?
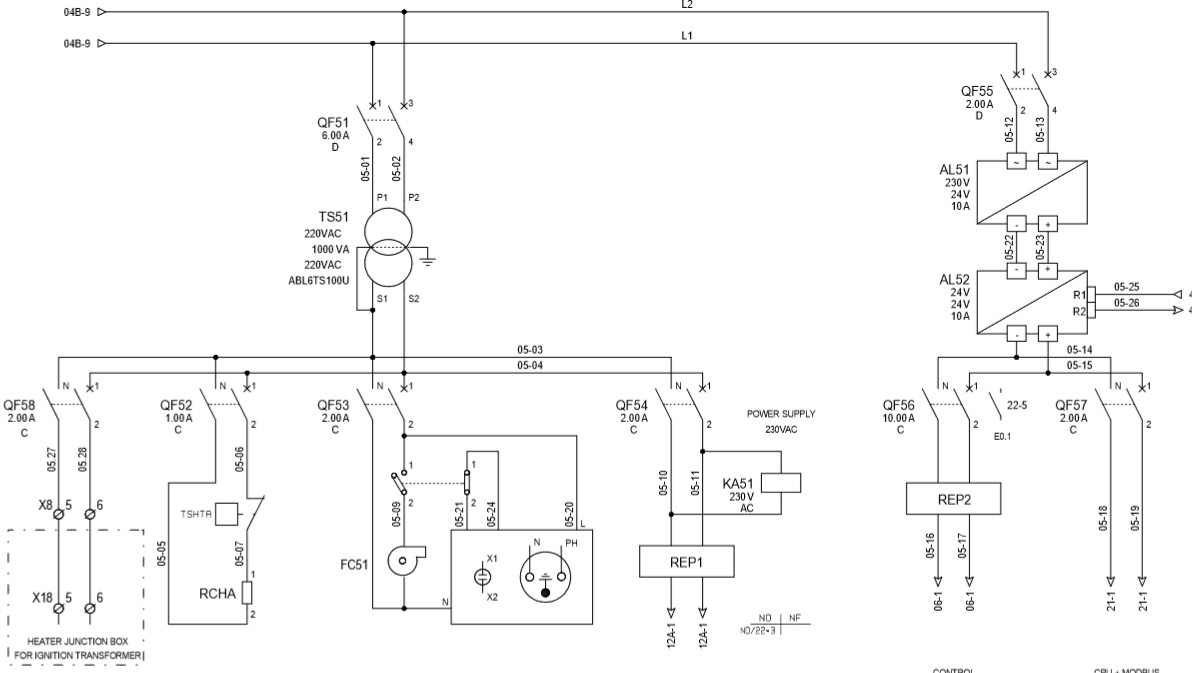
Ci dessous, le schéma électrique comprenant le tranfo (désole pour la netteté) : Pourquoi faudrait-il ici séparer les deux réseaux ?
Si besoin : En aval du transfo d'isolement, on trouve juste une boite de jonction, une résistance chauffante (système anti-condensation), un éclairage avec un ventilo puis un boitier de détecteur de flamme.
Ensuite a droite, les deux disjoncteur protège la partie commande et la partie automatisation.
Merci d'avance pour vos réponses.
Nouveau sur ce forum, et étant en BTS, j'aurais besoin d'aide par rapport à l'utilité d'un transformateur d'isolement dans une armoire de commande.
Je sais qu'il sert normalement à séparer électriquement la partie primaire de la partie secondaire (donc une fonction de protection), et aussi de changer de régime de neutre.
Mais dans ce cas, je n'arrive pas à comprendre à quoi il sert dans l'armoire de commande ?
Ci dessous, le schéma électrique comprenant le tranfo (désole pour la netteté) : Pourquoi faudrait-il ici séparer les deux réseaux ?
Si besoin : En aval du transfo d'isolement, on trouve juste une boite de jonction, une résistance chauffante (système anti-condensation), un éclairage avec un ventilo puis un boitier de détecteur de flamme.
Ensuite a droite, les deux disjoncteur protège la partie commande et la partie automatisation.
Merci d'avance pour vos réponses.
Re: A quoi sert ce transformateur d'isolement ?
Changement de régime de neutre?
C'est quoi le AL52?
C'est quoi le AL52?
La pile la plus utilisée: la pile GIGO. Bien plus souvent que les FIFO ou LIFO.
Garbage in, garbage out!
Garbage in, garbage out!
- JC87
- Mi homme - Mi automate

- Messages : 2233
- Enregistré le : 20 oct. 2015, 13:00
- Localisation : Nouvelle Aquitaine
Re: A quoi sert ce transformateur d'isolement ?
Bonjour,
Tu a probablement un contrôle de flamme par ionisation et dans ce cas on met généralement un transfo d'isolement au cas ou le neutre ne serait pas relié à la terre et véhiculerait une tension incompatible (plus de six volts) avec le dit contrôle.
JC
Tu a probablement un contrôle de flamme par ionisation et dans ce cas on met généralement un transfo d'isolement au cas ou le neutre ne serait pas relié à la terre et véhiculerait une tension incompatible (plus de six volts) avec le dit contrôle.
JC
"On veut faire du zéro défaut mais on a zéro bonhomme et zéro budget, et bien à la fin on a zéro résultat..."
-
philou77
- Mi homme - Mi automate

- Messages : 2142
- Enregistré le : 21 oct. 2015, 10:00
- Localisation : Ile de France
Re: A quoi sert ce transformateur d'isolement ?
un transfo d'isolement, ça existe pas.. on parle de transformateur de séparation...
Son rôle : séparer GALVANIQUEMENT des circuits électriques ( empêcher le contact du primaire avec le secondaire) puis effectivement de changer le régime de neutre... que l'on doit refaire OBLIGATOIREMENT au secondaire.
Accessoirement, adapter la tension entre le réseau et les composants de la machine.
Quel est le régime de Neutre du réseau ? IT certainement.
Tu te retrouves avec un régime de neutre TN au secondaire de TS51.
Si tu as une prise de courant sous QF53 un différentiel 30mA est obligatoire !
Le rôle de AL51 est d'adapter la tension réseau pour AL52 je suppose.
Dans ce cas,le schéma n'est pas bon, c'est pas un convertisseur mais un transfo... A propos, il te manque une liaison entre le fil 05-22 et la terre !
Le rôle de AL52 est je suppose de passer de AC vers DC
Il te manque là aussi une liaison entre le fil 05-14 et la terre.
Son rôle : séparer GALVANIQUEMENT des circuits électriques ( empêcher le contact du primaire avec le secondaire) puis effectivement de changer le régime de neutre... que l'on doit refaire OBLIGATOIREMENT au secondaire.
Accessoirement, adapter la tension entre le réseau et les composants de la machine.
Quel est le régime de Neutre du réseau ? IT certainement.
Tu te retrouves avec un régime de neutre TN au secondaire de TS51.
Si tu as une prise de courant sous QF53 un différentiel 30mA est obligatoire !
Le rôle de AL51 est d'adapter la tension réseau pour AL52 je suppose.
Dans ce cas,le schéma n'est pas bon, c'est pas un convertisseur mais un transfo... A propos, il te manque une liaison entre le fil 05-22 et la terre !
Le rôle de AL52 est je suppose de passer de AC vers DC
Il te manque là aussi une liaison entre le fil 05-14 et la terre.
Si vous avez compris tout ce que je viens d'écrire, c'est que j'ai dû faire une erreur quelque part ! 
- itasoft
- Mi homme - Mi automate

- Messages : 7806
- Enregistré le : 20 oct. 2015, 10:15
- Localisation : Lyon
- Contact :
Re: A quoi sert ce transformateur d'isolement ?
@JC;Philou
Vous êtes fortiches les gars, je serais incapable d'expliquer aux autres à quoi sert un transfo d'isolement ou de séparation (de sexe),
Vous êtes fortiches les gars, je serais incapable d'expliquer aux autres à quoi sert un transfo d'isolement ou de séparation (de sexe),
Automaticien privé (de tout)
itasoft@free.fr
itasoft@free.fr
Re: A quoi sert ce transformateur d'isolement ?
Salut les gars,
C'est simple : regardez en haut, on distribue en L1-L2.
Comme on a besoin du neutre pour le matos, faut mettre un transfo.
C'est simple : regardez en haut, on distribue en L1-L2.
Comme on a besoin du neutre pour le matos, faut mettre un transfo.
- itasoft
- Mi homme - Mi automate

- Messages : 7806
- Enregistré le : 20 oct. 2015, 10:15
- Localisation : Lyon
- Contact :
Re: A quoi sert ce transformateur d'isolement ?
C'est simple : regardez en haut, on distribue en L1-L2.
ça voudrait dire que l'on serait sur du triphasé 240Vac, étonnant , c'est pour quel pays ?
ça voudrait dire que l'on serait sur du triphasé 240Vac, étonnant , c'est pour quel pays ?
Automaticien privé (de tout)
itasoft@free.fr
itasoft@free.fr
Re: A quoi sert ce transformateur d'isolement ?
Bonjour à tous et merci pour vos réponses.
Oui AL52 permet d'adapter la tension et AL52 est juste une alim 24V. L'armoire sera installée sur un navire (donc le régime de neutre importe peu non ? ) Il y'a aussi des récepteurs situé en zone ATEX, je ne sais pas si cela importe. Donc si j'ai bien compris on mets un transfo d'isolement car on à besoin d'un neutre pour les équipements au secondaire ? Mais dans ce cas a droite c'est pareil sous AL52 on a besoin d'un neutre pourtant on arrive aussi en L1 L2 et pas de transfo.
Oui AL52 permet d'adapter la tension et AL52 est juste une alim 24V. L'armoire sera installée sur un navire (donc le régime de neutre importe peu non ? ) Il y'a aussi des récepteurs situé en zone ATEX, je ne sais pas si cela importe. Donc si j'ai bien compris on mets un transfo d'isolement car on à besoin d'un neutre pour les équipements au secondaire ? Mais dans ce cas a droite c'est pareil sous AL52 on a besoin d'un neutre pourtant on arrive aussi en L1 L2 et pas de transfo.
Modifié en dernier par Nouchh le 18 juin 2018, 11:48, modifié 1 fois.
-
philou77
- Mi homme - Mi automate

- Messages : 2142
- Enregistré le : 21 oct. 2015, 10:00
- Localisation : Ile de France
Re: A quoi sert ce transformateur d'isolement ?
Sallut,
suis pas spécialiste des bateaux, mais je doute qu'un navire en fer en milieu marin n'ai pas de terre !!!
Le régime de neutre est là pour protéger les personnes AVANT tout !
si aucun conducteur relié à la terre, comment ton disjoncteur va pouvoir détecter un court circuit (puisqu'il n'y en aura pas !! ) ??
suis pas spécialiste des bateaux, mais je doute qu'un navire en fer en milieu marin n'ai pas de terre !!!
Le régime de neutre est là pour protéger les personnes AVANT tout !
si aucun conducteur relié à la terre, comment ton disjoncteur va pouvoir détecter un court circuit (puisqu'il n'y en aura pas !! ) ??
Si vous avez compris tout ce que je viens d'écrire, c'est que j'ai dû faire une erreur quelque part ! 

