Page 1 sur 2

A quoi sert ce transformateur d'isolement ?

Posté : 15 juin 2018, 15:28
par Nouchh
Bonjour a tous,
Nouveau sur ce forum, et étant en BTS, j'aurais besoin d'aide par rapport à l'utilité d'un transformateur d'isolement dans une armoire de commande.
Je sais qu'il sert normalement à séparer électriquement la partie primaire de la partie secondaire (donc une fonction de protection), et aussi de changer de régime de neutre.
Mais dans ce cas, je n'arrive pas à comprendre à quoi il sert dans l'armoire de commande ?
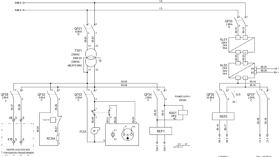
Ci dessous, le schéma électrique comprenant le tranfo (désole pour la netteté) :
Capture.PNG
Pourquoi faudrait-il ici séparer les deux réseaux ?
Si besoin : En aval du transfo d'isolement, on trouve juste une boite de jonction, une résistance chauffante (système anti-condensation), un éclairage avec un ventilo puis un boitier de détecteur de flamme.
Ensuite a droite, les deux disjoncteur protège la partie commande et la partie automatisation.
Merci d'avance pour vos réponses.

Re: A quoi sert ce transformateur d'isolement ?

Posté : 15 juin 2018, 16:40
par Francisco
Changement de régime de neutre?

C'est quoi le AL52?

Re: A quoi sert ce transformateur d'isolement ?

Posté : 15 juin 2018, 17:22
par JC87
Bonjour,

Tu a probablement un contrôle de flamme par ionisation et dans ce cas on met généralement un transfo d'isolement au cas ou le neutre ne serait pas relié à la terre et véhiculerait une tension incompatible (plus de six volts) avec le dit contrôle.

JC

Re: A quoi sert ce transformateur d'isolement ?

Posté : 15 juin 2018, 17:40
par philou77
un transfo d'isolement, ça existe pas.. on parle de transformateur de séparation...

Son rôle : séparer GALVANIQUEMENT des circuits électriques ( empêcher le contact du primaire avec le secondaire) puis effectivement de changer le régime de neutre... que l'on doit refaire OBLIGATOIREMENT au secondaire.
Accessoirement, adapter la tension entre le réseau et les composants de la machine.

Quel est le régime de Neutre du réseau ? IT certainement.

Tu te retrouves avec un régime de neutre TN au secondaire de TS51.
Si tu as une prise de courant sous QF53 un différentiel 30mA est obligatoire !

Le rôle de AL51 est d'adapter la tension réseau pour AL52 je suppose.
Dans ce cas,le schéma n'est pas bon, c'est pas un convertisseur mais un transfo... A propos, il te manque une liaison entre le fil 05-22 et la terre !

Le rôle de AL52 est je suppose de passer de AC vers DC
Il te manque là aussi une liaison entre le fil 05-14 et la terre.

Re: A quoi sert ce transformateur d'isolement ?

Posté : 15 juin 2018, 20:52
par itasoft
@JC;Philou
Vous êtes fortiches les gars, je serais incapable d'expliquer aux autres à quoi sert un transfo d'isolement ou de séparation (de sexe),

Re: A quoi sert ce transformateur d'isolement ?

Posté : 15 juin 2018, 22:18
par fish
Salut les gars,
C'est simple : regardez en haut, on distribue en L1-L2.
Comme on a besoin du neutre pour le matos, faut mettre un transfo.

Re: A quoi sert ce transformateur d'isolement ?

Posté : 15 juin 2018, 22:28
par itasoft
C'est simple : regardez en haut, on distribue en L1-L2.

ça voudrait dire que l'on serait sur du triphasé 240Vac, étonnant , c'est pour quel pays ?

Re: A quoi sert ce transformateur d'isolement ?

Posté : 16 juin 2018, 18:44
par fish
itasoft a écrit : 15 juin 2018, 22:28 C'est simple : regardez en haut, on distribue en L1-L2.

ça voudrait dire que l'on serait sur du triphasé 240Vac, étonnant , c'est pour quel pays ?
Y a plus d'une boîte en France qui a encore des bouts d'usine en tri 230v.

Re: A quoi sert ce transformateur d'isolement ?

Posté : 18 juin 2018, 08:06
par Nouchh
Bonjour à tous et merci pour vos réponses.
Oui AL52 permet d'adapter la tension et AL52 est juste une alim 24V. L'armoire sera installée sur un navire (donc le régime de neutre importe peu non ? ) Il y'a aussi des récepteurs situé en zone ATEX, je ne sais pas si cela importe. Donc si j'ai bien compris on mets un transfo d'isolement car on à besoin d'un neutre pour les équipements au secondaire ? Mais dans ce cas a droite c'est pareil sous AL52 on a besoin d'un neutre pourtant on arrive aussi en L1 L2 et pas de transfo.

Re: A quoi sert ce transformateur d'isolement ?

Posté : 18 juin 2018, 10:40
par philou77
Sallut,

suis pas spécialiste des bateaux, mais je doute qu'un navire en fer en milieu marin n'ai pas de terre !!!

Le régime de neutre est là pour protéger les personnes AVANT tout !

si aucun conducteur relié à la terre, comment ton disjoncteur va pouvoir détecter un court circuit (puisqu'il n'y en aura pas !! ) ??