[RESOLU] Schéma câble de liaison XBT-P / SCA62
- JC87
- Mi homme - Mi automate

- Messages : 2242
- Enregistré le : 20 oct. 2015, 13:00
- Localisation : Nouvelle Aquitaine
[RESOLU] Schéma câble de liaison XBT-P / SCA62
Bonjour,
Je dois remplacer un XBT-P022010 raccordé actuellement en direct sur la voie 1 d'un SCM2116 dans un TSX47-30, le protocole est donc de l'Unitelway. L'afficheur de remplacement est un HMIGTO4310. L'installation étant très critique (fonctionnement 7 jours sur 7, 16h sur 24) j'envisage de monter une SCA62 ce qui me permettra de basculer rapidement d'un afficheur à l'autre pour les essais. La com. avec le nouvel afficheur fonctionne très bien, mon câblage SCM2116-SCA62 puis SCA62-HMIGTO est correct. Par contre ma com. SCA62-XBT-P ne marche pas. Je pensais que le câble 25pts-15pts entre l'XBT et le SCA était un XBT-Z908 dont on trouve le schéma dans le dossier câble Schneider mais comme ça ne marche pas je me demande si c'est bien le bon. Je pourrai essayer de me connecter directement dans le SCA sur le bornier interne mais j'aimerai vraiment utiliser la prise abonné pour des questions de praticité. Bref, Est ce que quelqu'un aurait le schéma du câble nécessaire pour raccorder un XBT-P sur une SCA 62 ? Merci.
JC
Je dois remplacer un XBT-P022010 raccordé actuellement en direct sur la voie 1 d'un SCM2116 dans un TSX47-30, le protocole est donc de l'Unitelway. L'afficheur de remplacement est un HMIGTO4310. L'installation étant très critique (fonctionnement 7 jours sur 7, 16h sur 24) j'envisage de monter une SCA62 ce qui me permettra de basculer rapidement d'un afficheur à l'autre pour les essais. La com. avec le nouvel afficheur fonctionne très bien, mon câblage SCM2116-SCA62 puis SCA62-HMIGTO est correct. Par contre ma com. SCA62-XBT-P ne marche pas. Je pensais que le câble 25pts-15pts entre l'XBT et le SCA était un XBT-Z908 dont on trouve le schéma dans le dossier câble Schneider mais comme ça ne marche pas je me demande si c'est bien le bon. Je pourrai essayer de me connecter directement dans le SCA sur le bornier interne mais j'aimerai vraiment utiliser la prise abonné pour des questions de praticité. Bref, Est ce que quelqu'un aurait le schéma du câble nécessaire pour raccorder un XBT-P sur une SCA 62 ? Merci.
JC
Modifié en dernier par JC87 le 15 oct. 2018, 09:55, modifié 1 fois.
"On veut faire du zéro défaut mais on a zéro bonhomme et zéro budget, et bien à la fin on a zéro résultat..."
Re: Schéma câble de liaison XBT-P / SCA62
en première idée vérif des switches pour le codeage de l'adresse utw + switch fin de ligne
- itasoft
- Mi homme - Mi automate

- Messages : 7806
- Enregistré le : 20 oct. 2015, 10:15
- Localisation : Lyon
- Contact :
Re: Schéma câble de liaison XBT-P / SCA62
slts,
le HMIGTO4310 fonctionne car l'adresse unite se met dans le vijeo designer, pour le XBTP02 avec le cordon XBTZ908 il faut mettre la même adresse sur la boite SCA62 quelle adresse unite tu mis sue le Vijeo ?
--cliquer dessus
le HMIGTO4310 fonctionne car l'adresse unite se met dans le vijeo designer, pour le XBTP02 avec le cordon XBTZ908 il faut mettre la même adresse sur la boite SCA62 quelle adresse unite tu mis sue le Vijeo ?
--cliquer dessus
Automaticien privé (de tout)
itasoft@free.fr
itasoft@free.fr
- JC87
- Mi homme - Mi automate

- Messages : 2242
- Enregistré le : 20 oct. 2015, 13:00
- Localisation : Nouvelle Aquitaine
Re: Schéma câble de liaison XBT-P / SCA62
J'ai en effet pensé a ces switchs sauf que mon XBT-P n'a aucune adresse déclaré dans XBTL1000 et actuellement il est branché en direct sur le coupleur de com. donc je ne vois pas bien quelle adresse mettre. J'ai bien essayé de mettre une adresse 4 pour l'XBT-P (c'est celle que j'ai dans Vijeo) mais ça com pas, je pense vraiment que le probléme vient de mon câble mais je n'arrive pas à mettre la main sur un schéma sûr de celui-ci.
JC
JC
"On veut faire du zéro défaut mais on a zéro bonhomme et zéro budget, et bien à la fin on a zéro résultat..."
- itasoft
- Mi homme - Mi automate

- Messages : 7806
- Enregistré le : 20 oct. 2015, 10:15
- Localisation : Lyon
- Contact :
Re: Schéma câble de liaison XBT-P / SCA62
ça vient pas du cable, il faut mettre l'adresse n°1 dans vijeo et dans la boite SCA62 et dans la conf SCM2116 lui faire scruter 2 adresses unite
Automaticien privé (de tout)
itasoft@free.fr
itasoft@free.fr
- JC87
- Mi homme - Mi automate

- Messages : 2242
- Enregistré le : 20 oct. 2015, 13:00
- Localisation : Nouvelle Aquitaine
Re: Schéma câble de liaison XBT-P / SCA62
Tu est vraiment sur que le XBTZ908 est bien le câble a utiliser pour brancher un XBT-P sur une SCA62 ?
JC
JC
"On veut faire du zéro défaut mais on a zéro bonhomme et zéro budget, et bien à la fin on a zéro résultat..."
- itasoft
- Mi homme - Mi automate

- Messages : 7806
- Enregistré le : 20 oct. 2015, 10:15
- Localisation : Lyon
- Contact :
Re: Schéma câble de liaison XBT-P / SCA62
bon, j'explique: le XBTGT occupe 2 adresses Unite soit 4/5 quand il est connecté sur un TSX57 ou 37 car la console occupe les adresses 1/2/3
le XBTGT Sur la SCM2116 lui mettre l'adresses 1/2 et pareil sur la boite SCA62 puis dans la conf de la SCM verifier que ya bien au moins 2 adresses de déclarées, après ça on doit pouvoir connecter sur la SC2116 soit l'un soit l'autre
le XBTGT Sur la SCM2116 lui mettre l'adresses 1/2 et pareil sur la boite SCA62 puis dans la conf de la SCM verifier que ya bien au moins 2 adresses de déclarées, après ça on doit pouvoir connecter sur la SC2116 soit l'un soit l'autre
Automaticien privé (de tout)
itasoft@free.fr
itasoft@free.fr
- JC87
- Mi homme - Mi automate

- Messages : 2242
- Enregistré le : 20 oct. 2015, 13:00
- Localisation : Nouvelle Aquitaine
Re: Schéma câble de liaison XBT-P / SCA62
Le probléme c'est pas le GTO, lui je peut mettre n'importe quelle adresse sur le SCA ça marche quand même. Mon probléme contre toute attente c'est l'XBT-P qui ne marche pas alors que sur site en direct ça fonctionne. C'est pour ça que j'ai un doute sur le câblage du câble 25 pts-15pts. Je vais connecter l'XBT-P directement dans le SCA sur le bornier, je verrai ce que ça donne.
JC
JC
"On veut faire du zéro défaut mais on a zéro bonhomme et zéro budget, et bien à la fin on a zéro résultat..."
- itasoft
- Mi homme - Mi automate

- Messages : 7806
- Enregistré le : 20 oct. 2015, 10:15
- Localisation : Lyon
- Contact :
Re: Schéma câble de liaison XBT-P / SCA62
tête de mule ?
ceci dit, tu as pas dit avec quelle cable tu va de la SCM2116 à la boite SCA62
ceci dit, tu as pas dit avec quelle cable tu va de la SCM2116 à la boite SCA62
Automaticien privé (de tout)
itasoft@free.fr
itasoft@free.fr
- itasoft
- Mi homme - Mi automate

- Messages : 7806
- Enregistré le : 20 oct. 2015, 10:15
- Localisation : Lyon
- Contact :
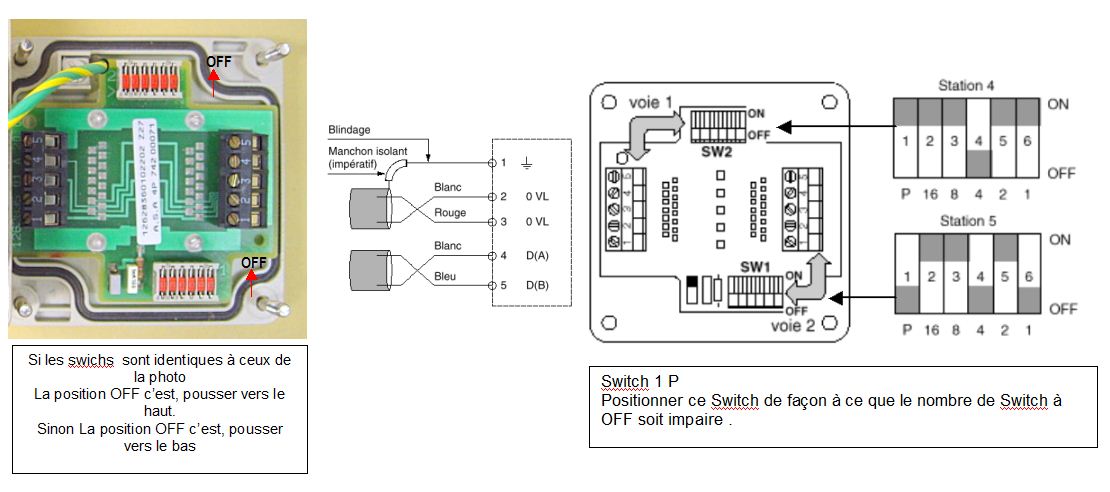
Re: Schéma câble de liaison XBT-P / SCA62
slts,
je te dessine un mouton
------
je te dessine un mouton
------
Automaticien privé (de tout)
itasoft@free.fr
itasoft@free.fr
