Heure Zelio
Heure Zelio
Bonjour à tous.
Pour faire une comparaison avec les heures de lever et coucher du soleil, j'ai besoin de l'heure courante. Ils l'ont cachée où? J'arrive pas à la trouver. C'est pas dans le status, les programmateurs horaires ne conviennent pas.
Si vous avez une astuce ou si vous savez où ça perche...
Pour faire une comparaison avec les heures de lever et coucher du soleil, j'ai besoin de l'heure courante. Ils l'ont cachée où? J'arrive pas à la trouver. C'est pas dans le status, les programmateurs horaires ne conviennent pas.
Si vous avez une astuce ou si vous savez où ça perche...
La pile la plus utilisée: la pile GIGO. Bien plus souvent que les FIFO ou LIFO.
Garbage in, garbage out!
Garbage in, garbage out!
Re: Heure Zelio
SR2B12FU, le SR3 ne semble pas mieux.
Sur millenium 4 ça marche.
Sur millenium 4 ça marche.
La pile la plus utilisée: la pile GIGO. Bien plus souvent que les FIFO ou LIFO.
Garbage in, garbage out!
Garbage in, garbage out!
- itasoft
- Mi homme - Mi automate

- Messages : 7806
- Enregistré le : 20 oct. 2015, 10:15
- Localisation : Lyon
- Contact :
Re: Heure Zelio
slts,
effectivement on ne peut lire la date et l'heure courante, j'ai pas trouvé.
Une bidouille infâme consisterait en FBD d'utiliser le bloc ARCHIVAGE qui délivre la date et l'heure courante en sortie à condition que l'on fasse bagoter l'entrée.
[attachment=0]CaptureHere.JPG[/attachment]
effectivement on ne peut lire la date et l'heure courante, j'ai pas trouvé.
Une bidouille infâme consisterait en FBD d'utiliser le bloc ARCHIVAGE qui délivre la date et l'heure courante en sortie à condition que l'on fasse bagoter l'entrée.
[attachment=0]CaptureHere.JPG[/attachment]
- Fichiers joints
-
- CaptureHere.JPG (13.57 Kio) Vu 6182 fois
Automaticien privé (de tout)
itasoft@free.fr
itasoft@free.fr
-
philou77
- Mi homme - Mi automate

- Messages : 2142
- Enregistré le : 21 oct. 2015, 10:00
- Localisation : Ile de France
Re: Heure Zelio
SAlut !
Il y a une horloge astronomique non ?
Pas besoin de comparaison, elle te donnera un bit à 1 entre le lever et le coucher du soleil... selon ta position géographique et la date courante.
Ca peut t'aider ?
Il y a une horloge astronomique non ?
Pas besoin de comparaison, elle te donnera un bit à 1 entre le lever et le coucher du soleil... selon ta position géographique et la date courante.
Ca peut t'aider ?
Si vous avez compris tout ce que je viens d'écrire, c'est que j'ai dû faire une erreur quelque part ! 
Re: Heure Zelio
J'ai intégré ça, pas de problème. Le truc c'est quand tu décales les heures pour lever de soleil + 1h et coucher - 1h par exemple. Dans ce cas, il faut comparer avec l'heure courante. Du coup, j'ai testé le nouveau logiciel du millenium. L'heure courante est dispo. J'ai trouvé une bizarrerie, à savoir un bloc de conversion h:mn en mn, qui sort ce qu'on rentre sous la même forme.
Mis à part que le M4 ne semble dispo que en 24Vcc, il semble pas mal et, du coup, en avance sur le Zelio. Y aura-t-il une évolution Zélio???
Mis à part que le M4 ne semble dispo que en 24Vcc, il semble pas mal et, du coup, en avance sur le Zelio. Y aura-t-il une évolution Zélio???
La pile la plus utilisée: la pile GIGO. Bien plus souvent que les FIFO ou LIFO.
Garbage in, garbage out!
Garbage in, garbage out!
Re: Heure Zelio
Bonjour,
J'ai développé un programme qui avait un peut les mêmes besoin que toi:
Une fonction levé-couché du soleil avec position géographique et fuseau horaire ok active une tempo TON en minute. La sortie de la tempo est heure du levé + tempo.
Une fonction levé-couché du soleil avec position géographique et fuseau horaire - 300 minutes (5h) L'info soleil couché active une tempo TON en minute. La présélection tempo est présélection +300. La sortie de la tempo est heure du couché - présélection.
C'est peut être pas clair a expliquer en texte, si besoin je peut faire une capture du programme.
Cédric
J'ai développé un programme qui avait un peut les mêmes besoin que toi:
Une fonction levé-couché du soleil avec position géographique et fuseau horaire ok active une tempo TON en minute. La sortie de la tempo est heure du levé + tempo.
Une fonction levé-couché du soleil avec position géographique et fuseau horaire - 300 minutes (5h) L'info soleil couché active une tempo TON en minute. La présélection tempo est présélection +300. La sortie de la tempo est heure du couché - présélection.
C'est peut être pas clair a expliquer en texte, si besoin je peut faire une capture du programme.
Cédric
Re: Heure Zelio
Perso, je ne connais pas de tempo qui anticipe.
La pile la plus utilisée: la pile GIGO. Bien plus souvent que les FIFO ou LIFO.
Garbage in, garbage out!
Garbage in, garbage out!
Re: Heure Zelio
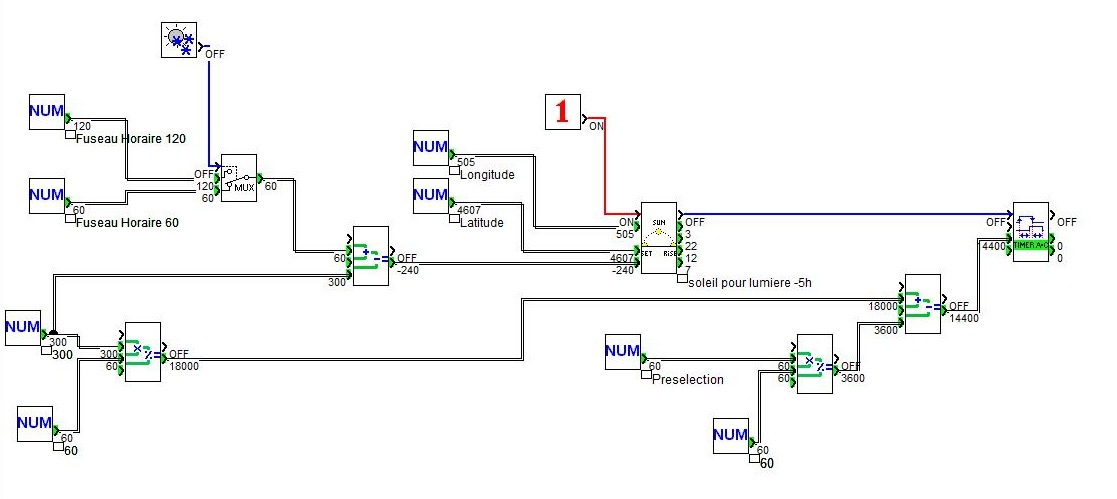
Comme promis, voici comment j'ai fait pour avoir un signal "Avant couché du soleil"
j'ai enlevé tout le reste du programme pour eclaircir.
Le fuseau horaire est décalé de 5 heure, si le num "préselection" est a 0 (min), la tempo a 18000 en preselection donc 5 heures.
Si le num "preselection" a 60 min comme la capture, la tempo a 14400 en preselection, donc 4 heures ... donc sortie active 1 heure avant couché du soleil ...
Forcement la preselection maxi doit etre 300 minutes.
Itasoft, je te prend l'idée de ta "bidouille infâme" pour date et heure courante qui est 100 fois mieu que ce que j'avais fait avec un time prog, un preset-hmeter, des aditions ...
Le fuseau horaire est décalé de 5 heure, si le num "préselection" est a 0 (min), la tempo a 18000 en preselection donc 5 heures.
Si le num "preselection" a 60 min comme la capture, la tempo a 14400 en preselection, donc 4 heures ... donc sortie active 1 heure avant couché du soleil ...
Forcement la preselection maxi doit etre 300 minutes.
Itasoft, je te prend l'idée de ta "bidouille infâme" pour date et heure courante qui est 100 fois mieu que ce que j'avais fait avec un time prog, un preset-hmeter, des aditions ...
-
Oceantrotter
- Apprend le binaire

- Messages : 1
- Enregistré le : 13 sept. 2018, 09:51
Re: Heure Zelio
Bonjour à tous.
J'ai retrouvé votre discussion en cherchant des informations sur une bizzarerie rencontrée sur un module Zélio avec la function d'heure de lever et coucher du soleil. Je m'explique;
J'ai un module SR3B261FU + extension SR3T61FU qui commande mes volets roulants depuis plusieurs années. Un interrupteur crépusculaire envoie le signal pour les ouvertures et fermetures et cela fonctionne plutot bien. La programmation est en FBD.
J'ai découvert recemment sur le logiciel de programmation la function 'heure de lever et coucher du soleil' que je n'avais pas repéré auparavant et qui aurait pu m'économiser l'interrupteur extérieur (à moins que cette function soit récente). Aussi je me suis interressé à cette function mais rencontre les difficultés suivantes:
Lorsque je rentre sur le bloc les coordonnées décimales de ma ville (Nantes, lat 4730, long -150, UTC+120min), les heures de lever et coucher générées sont très différentes de la réalité (lever environ 2h plus tard et coucher environ 2h plus tôt). Pensant que mes coordonnées étaient inexactes, j'ai utilisé celles données en exemple dans l'aide (Moscou, Canberra...) et là aussi le résultat ne colle pas. Mon horloge PC est pourtant à l'heure.
Avez vous déjà constaté ce phénomène ?
En attendant vos commentaires,
Bien à vous.
J'ai retrouvé votre discussion en cherchant des informations sur une bizzarerie rencontrée sur un module Zélio avec la function d'heure de lever et coucher du soleil. Je m'explique;
J'ai un module SR3B261FU + extension SR3T61FU qui commande mes volets roulants depuis plusieurs années. Un interrupteur crépusculaire envoie le signal pour les ouvertures et fermetures et cela fonctionne plutot bien. La programmation est en FBD.
J'ai découvert recemment sur le logiciel de programmation la function 'heure de lever et coucher du soleil' que je n'avais pas repéré auparavant et qui aurait pu m'économiser l'interrupteur extérieur (à moins que cette function soit récente). Aussi je me suis interressé à cette function mais rencontre les difficultés suivantes:
Lorsque je rentre sur le bloc les coordonnées décimales de ma ville (Nantes, lat 4730, long -150, UTC+120min), les heures de lever et coucher générées sont très différentes de la réalité (lever environ 2h plus tard et coucher environ 2h plus tôt). Pensant que mes coordonnées étaient inexactes, j'ai utilisé celles données en exemple dans l'aide (Moscou, Canberra...) et là aussi le résultat ne colle pas. Mon horloge PC est pourtant à l'heure.
Avez vous déjà constaté ce phénomène ?
En attendant vos commentaires,
Bien à vous.

