Actuellement je travaille avec un M340 et je dois contrôler un moteur pas à pas (Oriental Motor) et donc communiquer avec son driver via une com Modbus RTU (RS 485).
J'essaie d'envoyer des données vers le driver mais celui-ci ne reçoit rien. C'est la première fois que je tente ce genre de chose avec Schneider.
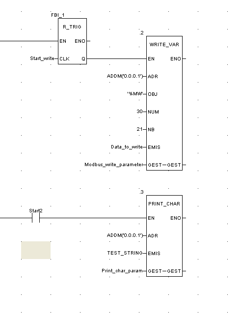
Vous pourrez voir sur les photos mes parametres de com série ainsi que mes 2 lignes pour essayer d'envoyer. Il y a aussi les paramètres de com qui sont (je pense) identiques au M340. Lorsque je simule, la LED serial du controleur P34 1000 clignote bien.
Il n'y a pas de code d'erreur lors de l'envoi.
C'est la première fois et donc je me demandais si l'adresse avec ADDM('0.0.0.1') était bonne ? Je suis relié directement avec un RJ45.
L'adresse de mon tableau de données commence bien par %MW30, c'est ce que je dois spécifié dans le bloc write_var je suppose.
Si quelqu'un pourrait m'aiguiller vers une solution ce serait top
Par avance merci !

