Problème variateur + E/S Analogiques automate
Problème variateur + E/S Analogiques automate
Bonjour,
Je débute dans l'électricité et je suis face à un problème.
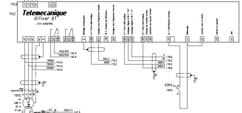
J'ai dans mon schéma électrique, deux variateurs, reliés chacun à un moteur de turbine. (Je prendrai le cas pour un seul variateur car les deux sont identiques).
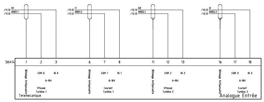
Sur mon plan électrique, mon variateur a une sortie nommée "Consigne des Fréquences Tension" qui est reliée à ma carte de sortie analogique.
J'ai aussi deux autres sorties nommées "Analogue Signal 0-10 V 'Hz'" et "Analogue Signal 0-10 V 'A' " qui sont reliées à ma carte d'entrée analogique.
J'ai regarder les docs techniques des deux cartes d'entrées /sorties analogiques, et j'ai (je crois) compris que leur signal était en 4-20mA mais sous forme 0-10 000 (donc 4mA = 0 et 20mA=10 000).
Je vous avoue je suis totalement perdu avec tout ces chiffres, je ne comprend pas bien tout ca. Quelqu'un aurait une explication plus simple ?
Références :
Variateur Atv61hd11n4
Carte d'entrée analogique : TSX AEY 414
Carte de sortie analogique : TSX ASY 410
Photo du plan électrique en pièce jointe
Mon but final est de programmer mon automate mais je n'arrive pas à comprendre comment récupérer la consigne du variateur au moteur avec toutes ces conversions.
Merci d'avance si vous avez une réponse !
Je débute dans l'électricité et je suis face à un problème.
J'ai dans mon schéma électrique, deux variateurs, reliés chacun à un moteur de turbine. (Je prendrai le cas pour un seul variateur car les deux sont identiques).
Sur mon plan électrique, mon variateur a une sortie nommée "Consigne des Fréquences Tension" qui est reliée à ma carte de sortie analogique.
J'ai aussi deux autres sorties nommées "Analogue Signal 0-10 V 'Hz'" et "Analogue Signal 0-10 V 'A' " qui sont reliées à ma carte d'entrée analogique.
J'ai regarder les docs techniques des deux cartes d'entrées /sorties analogiques, et j'ai (je crois) compris que leur signal était en 4-20mA mais sous forme 0-10 000 (donc 4mA = 0 et 20mA=10 000).
Je vous avoue je suis totalement perdu avec tout ces chiffres, je ne comprend pas bien tout ca. Quelqu'un aurait une explication plus simple ?
Références :
Variateur Atv61hd11n4
Carte d'entrée analogique : TSX AEY 414
Carte de sortie analogique : TSX ASY 410
Photo du plan électrique en pièce jointe
Mon but final est de programmer mon automate mais je n'arrive pas à comprendre comment récupérer la consigne du variateur au moteur avec toutes ces conversions.
Merci d'avance si vous avez une réponse !
- chgui
- Générateur de blocs fonctions

- Messages : 126
- Enregistré le : 20 oct. 2015, 08:05
- Localisation : Amiens
Re: Problème variateur + E/S Analogiques automate
Salut,
Normalement c'est une sortie analogique coté API "Consigne des Fréquences Tension" vers entrée Var : pilotage fréquence du variateur (la vitesse)
Ton automate lui travail avec des points (numérique) 0...10 000 ( que l'on peux changer d'ailler mais bon...) la carte de sortie automate convertie le numérique en analogique 4..20mA pour le "transporter" vers ton Var qui va à son tour le convertire en numérique pour travailer...
Du coup par exemple ta sortie API 0...10 000 en numérique / convertion analogique 4..20mA vers ton var
0..10 000 par exemple ca représente 0..50hz pour ton var
0..10 000 -> 4.. 20mA -> 0..50hz.
Et inversement pour les sortie ana var vers entrée ana API....
Je sais pas si c'est vraiment claire!!!
Normalement c'est une sortie analogique coté API "Consigne des Fréquences Tension" vers entrée Var : pilotage fréquence du variateur (la vitesse)
Ton automate lui travail avec des points (numérique) 0...10 000 ( que l'on peux changer d'ailler mais bon...) la carte de sortie automate convertie le numérique en analogique 4..20mA pour le "transporter" vers ton Var qui va à son tour le convertire en numérique pour travailer...
Du coup par exemple ta sortie API 0...10 000 en numérique / convertion analogique 4..20mA vers ton var
0..10 000 par exemple ca représente 0..50hz pour ton var
0..10 000 -> 4.. 20mA -> 0..50hz.
Et inversement pour les sortie ana var vers entrée ana API....
Je sais pas si c'est vraiment claire!!!
-
ericlardechois
- Forcené des structures

- Messages : 154
- Enregistré le : 18 déc. 2017, 11:28
Re: Problème variateur + E/S Analogiques automate
Bonjour,
Tes variateurs sont commandés en 0-10V, la carte TSX ASY 410 envoie les ordres.
Tes variateur renvoient deux informations, la fréquence et le courant, ces informations sont envoyées en 0-10V par le variateur.
La carte TSX AEY 414 reçois ces informations
Je n'ai pas la doc des cartes sous les yeux, mais il est possible que les cartes automate puissent traiter du 4-20mA ou du 0-10V soit par câblage diffèrent soit par paramétrage.
Il faut regarder la documentation de ce coté là. Et il faut câbler et/ou paramétrer pour du 0-10V.
Pour la partie programmation, cela dépend de ce que tu voudra faire.
Eric
Tes variateurs sont commandés en 0-10V, la carte TSX ASY 410 envoie les ordres.
Tes variateur renvoient deux informations, la fréquence et le courant, ces informations sont envoyées en 0-10V par le variateur.
La carte TSX AEY 414 reçois ces informations
Je n'ai pas la doc des cartes sous les yeux, mais il est possible que les cartes automate puissent traiter du 4-20mA ou du 0-10V soit par câblage diffèrent soit par paramétrage.
Il faut regarder la documentation de ce coté là. Et il faut câbler et/ou paramétrer pour du 0-10V.
Pour la partie programmation, cela dépend de ce que tu voudra faire.
Eric
Re: Problème variateur + E/S Analogiques automate
Déja merci beaucoup pour vos réponses !!
Du coup si je résume, et si j'ai bien compris :
Pour mon chemin de ma carte de sortie analogique, cette carte sort du 0...10 000 en signal numérique ? Puis avec un convertisseur Numérique/Analogique on obtient du 4..20mA (donc 0 correspond à 4 mA et 10 000 à 20mA ? ) puis ensuite ca transporte vers mon variateur qui est en 0-50Hz ? (La fréquence 0-50Hz on est d'accord elle dépend de celle rentrée dans les réglages du variateur ? Pas toujours 0-50Hz si ?)
Je sais que je suis long à la compréhension désolé d'avance mais je fais mon maximum pour comprendre^^
Du coup si je résume, et si j'ai bien compris :
Pour mon chemin de ma carte de sortie analogique, cette carte sort du 0...10 000 en signal numérique ? Puis avec un convertisseur Numérique/Analogique on obtient du 4..20mA (donc 0 correspond à 4 mA et 10 000 à 20mA ? ) puis ensuite ca transporte vers mon variateur qui est en 0-50Hz ? (La fréquence 0-50Hz on est d'accord elle dépend de celle rentrée dans les réglages du variateur ? Pas toujours 0-50Hz si ?)
Je sais que je suis long à la compréhension désolé d'avance mais je fais mon maximum pour comprendre^^
-
ericlardechois
- Forcené des structures

- Messages : 154
- Enregistré le : 18 déc. 2017, 11:28
Re: Problème variateur + E/S Analogiques automate
Re
Le signal 0-10V que tu envoi à ton variateur va avoir l'effet programmé dans le variateur.
Cela peut être une variation de vitesse de 0 à 50Hz, de 0 à 100Hz, 25 à 150z.... bref à programmer.
Le paramétrage de ta carte et/ou le câblage doit correspondre à une transmission de signal 0-10V.
Le 4-20mA ne doit pas être utilisé dans ton cas.
Selon le programme et la carte, le signal est découplable en petit "pas" de tension par exemple 0.01V.
Eric
Le signal 0-10V que tu envoi à ton variateur va avoir l'effet programmé dans le variateur.
Cela peut être une variation de vitesse de 0 à 50Hz, de 0 à 100Hz, 25 à 150z.... bref à programmer.
Le paramétrage de ta carte et/ou le câblage doit correspondre à une transmission de signal 0-10V.
Le 4-20mA ne doit pas être utilisé dans ton cas.
Selon le programme et la carte, le signal est découplable en petit "pas" de tension par exemple 0.01V.
Eric
Re: Problème variateur + E/S Analogiques automate
Re,
D'accord je crois avoir compris. La plage de fréquence dépend de celle qui est programmée dans mon variateur.
Et du coup, le 4-20mA ne nous sert à rien. J'aurai juste à convertir mon 0-10V en 0..10 000 puis en 0-50Hz si ma plage de fréquence est celle-ci. C'est cela ?
D'accord je crois avoir compris. La plage de fréquence dépend de celle qui est programmée dans mon variateur.
Et du coup, le 4-20mA ne nous sert à rien. J'aurai juste à convertir mon 0-10V en 0..10 000 puis en 0-50Hz si ma plage de fréquence est celle-ci. C'est cela ?
- chgui
- Générateur de blocs fonctions

- Messages : 126
- Enregistré le : 20 oct. 2015, 08:05
- Localisation : Amiens
Re: Problème variateur + E/S Analogiques automate
A c'est du 0-10v, déso j'avais pas fait attention, mais le principe est le même, le processeur de l'automate, lui gére du numérique c'est ta carte d'entrée analogique qui convertie la tension 0-10v ou le courant 4..20mA en signaux numérique et la carte de sortie qui convertie les signaux numérique en signaux analogique, et pour le variateur c'est la même chose son "processeur" travail en numérique, les signaux analogique permettent de faire la laison entre le var et l'automate
Donc si tu veux piloté ton var de 0-50hz(par exemple)
Dans l'automate 0 points -> carte sortie analogique automate 0v - entrée analogique Var 0v -> "processeur" Var 0Hz
Dans l'automate 10 000 points -> carte sortie analogique automate 10v - entrée analogique Var 10v -> "processeur" Var 50Hz
du coup 0pts->0v->0Hz ... 10 000pts->10v->50Hz
Donc si tu veux piloté ton var de 0-50hz(par exemple)
Dans l'automate 0 points -> carte sortie analogique automate 0v - entrée analogique Var 0v -> "processeur" Var 0Hz
Dans l'automate 10 000 points -> carte sortie analogique automate 10v - entrée analogique Var 10v -> "processeur" Var 50Hz
du coup 0pts->0v->0Hz ... 10 000pts->10v->50Hz
Re: Problème variateur + E/S Analogiques automate
ok ca marche c'est super clair comme ca, et du coup la conversion est beaucoup plus simple pour mon programme ce sera juste un simple "produit en croix" que j'aurai à faire.
Et pour les entrées analogiques du coup c'est exactement la même chose mais dans l'autre sens ?
Et pour les entrées analogiques du coup c'est exactement la même chose mais dans l'autre sens ?
- chgui
- Générateur de blocs fonctions

- Messages : 126
- Enregistré le : 20 oct. 2015, 08:05
- Localisation : Amiens
Re: Problème variateur + E/S Analogiques automate
Oui c'est la même chose mais dans l'autre sens, c'est le var qui envoie.Theocpn a écrit : ↑28 mai 2021, 12:51 ok ca marche c'est super clair comme ca, et du coup la conversion est beaucoup plus simple pour mon programme ce sera juste un simple "produit en croix" que j'aurai à faire.
Et pour les entrées analogiques du coup c'est exactement la même chose mais dans l'autre sens ?
Re: Problème variateur + E/S Analogiques automate
D'accord merci, du coup dans l'autre sens j'aurai cette fois un signal de fréquence qui sera envoyé (fréquence paramétrée dans le variateur) mais aussi un signal de courant (2 bornes) correspondant au courant dans le variateur ? et ca ira vers la carte d'entrée analogique en 4-20mA ou 0-10V puis en point 0..10 000 vers l'automate ! C'est bon ?
