il s'agit de blocs différents, un appelé DB1 et le suivant DB2. Le premier va lire la voie A avec pour adresse w#16#300
et le suivant va lire la voie B avec adresse w#16#301.
8 résultats trouvés
- 29 nov. 2021, 20:47
- Forum : Siemens
- Sujet : Rétrofit mortaiseuse avec S7-300
- Réponses : 3
- Vues : 876
- 26 nov. 2021, 23:57
- Forum : Siemens
- Sujet : Rétrofit mortaiseuse avec S7-300
- Réponses : 3
- Vues : 876
Rétrofit mortaiseuse avec S7-300
Bonjour,
Dans le cadre d'un projet d'automatisation j'aurai besoin d'aide concernant plusieurs questions au fur et à mesure de son avancement.
J'ai quelque bases sommaire en automatisme mais sans plus.
Voici une petite présentation du projet en question:
Il s'agit de faire un rétrofit d'une ...
Dans le cadre d'un projet d'automatisation j'aurai besoin d'aide concernant plusieurs questions au fur et à mesure de son avancement.
J'ai quelque bases sommaire en automatisme mais sans plus.
Voici une petite présentation du projet en question:
Il s'agit de faire un rétrofit d'une ...
- 26 nov. 2021, 23:15
- Forum : Siemens
- Sujet : Problème de lecture entrée analogique
- Réponses : 11
- Vues : 2492
Re: Problème de lecture entrée analogique
J'avais écris PIW752 en adresse d'entrée sous TIA. Et je viens d'essayer comme sur la photo et ça fonctionne.
20211126_172852.jpg
Merci pour votre aide.
J'ai également encore des questions concernant mon projet d'automatisation.
Je viens de créer pour cela un nouveau sujet sur le forum ...
20211126_172852.jpg
Merci pour votre aide.
J'ai également encore des questions concernant mon projet d'automatisation.
Je viens de créer pour cela un nouveau sujet sur le forum ...
- 24 nov. 2021, 21:12
- Forum : Siemens
- Sujet : Problème de lecture entrée analogique
- Réponses : 11
- Vues : 2492
Re: Problème de lecture entrée analogique
Bonjour,
Après avoir suivi vos conseils j'ai pu déterminer la cause du problème. Il s'agissait en faite d'un problème de câblage, la borne étant en faite un petit peu usée, le fil ne faisait pas bien contact.
La lecture se fait correctement.
J'ai également installé TIA portal et il contient bien ...
Après avoir suivi vos conseils j'ai pu déterminer la cause du problème. Il s'agissait en faite d'un problème de câblage, la borne étant en faite un petit peu usée, le fil ne faisait pas bien contact.
La lecture se fait correctement.
J'ai également installé TIA portal et il contient bien ...
- 19 nov. 2021, 14:09
- Forum : Siemens
- Sujet : Problème de lecture entrée analogique
- Réponses : 11
- Vues : 2492
Re: Problème de lecture entrée analogique
Merci, pour vos réponses. Je vais tester cela et reviendrai vers vous dès que ce sera fait.
Petite question encore, l'automate en question est un S7 300 CPU 313C qui devra également être en liaison avec une IHM sur KTP600. Je programme actuellement sur step7 v5.6.
Serait-il préférable de passer sous ...
Petite question encore, l'automate en question est un S7 300 CPU 313C qui devra également être en liaison avec une IHM sur KTP600. Je programme actuellement sur step7 v5.6.
Serait-il préférable de passer sous ...
- 18 nov. 2021, 23:28
- Forum : Siemens
- Sujet : Problème de lecture entrée analogique
- Réponses : 11
- Vues : 2492
- 18 nov. 2021, 23:13
- Forum : Siemens
- Sujet : Problème de lecture entrée analogique
- Réponses : 11
- Vues : 2492
- 18 nov. 2021, 21:55
- Forum : Siemens
- Sujet : Problème de lecture entrée analogique
- Réponses : 11
- Vues : 2492
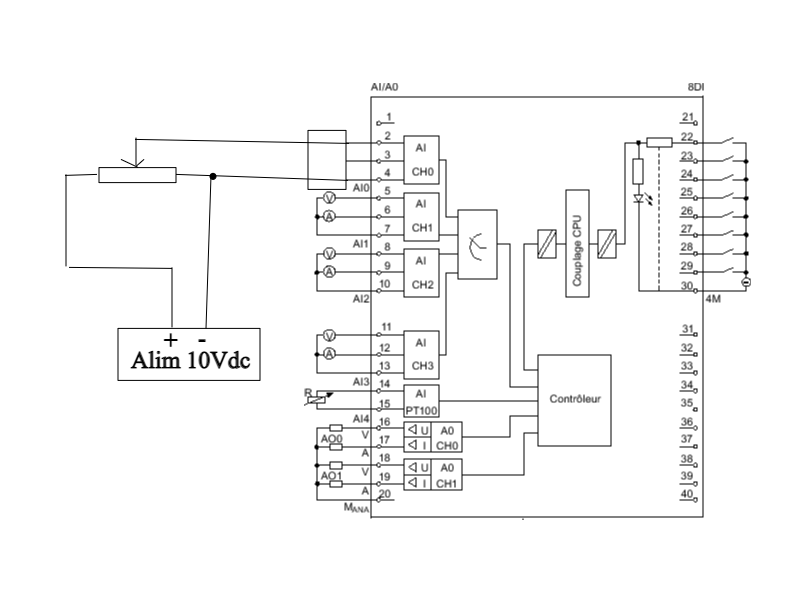
Problème de lecture entrée analogique
Bonjour,
J'ai un petit problème de lecture sur une entrée analogique sur un S7 313C.
j'ai raccorder un potentiomètre sur l'entrée AI 0 renvoyant un signal 0 à 10v, j'utilise un bloc FC105 mais la valeur maximal sur l'entrée in sur le bloc ne dépasse pas 40O alors que je suis à 10V.
D'ou peut venir ...
J'ai un petit problème de lecture sur une entrée analogique sur un S7 313C.
j'ai raccorder un potentiomètre sur l'entrée AI 0 renvoyant un signal 0 à 10v, j'utilise un bloc FC105 mais la valeur maximal sur l'entrée in sur le bloc ne dépasse pas 40O alors que je suis à 10V.
D'ou peut venir ...