Connecteur HE10

Forum traitant des automates industriels de marque Schneider - Telemecanique
Avatar du membre
Ulairi
Expert de l'héxadécimal
Expert de l'héxadécimal
Messages : 366
Enregistré le : 20 oct. 2015, 06:22

Re: Connecteur HE10

Message par Ulairi »

A priori son capteur c'est celui-là :

http://www.bamo.fr/cbx/_ftp/msf775-01.pdf

Le collecteur est ouvert, ne pas oublier la résistance de tirage de 2000 ohms !

Note : merci de préciser le matériel utilisé, c'est tout de même essentiel pour pouvoir répondre aux questions posées.
Enseignant en BTS électrotechnique (Pas taper sur l'intru !)
Avatar du membre
itasoft
Mi homme - Mi automate
Mi homme - Mi automate
Messages : 7803
Enregistré le : 20 oct. 2015, 10:15
Localisation : Lyon
Contact :

Re: Connecteur HE10

Message par itasoft »

slts,
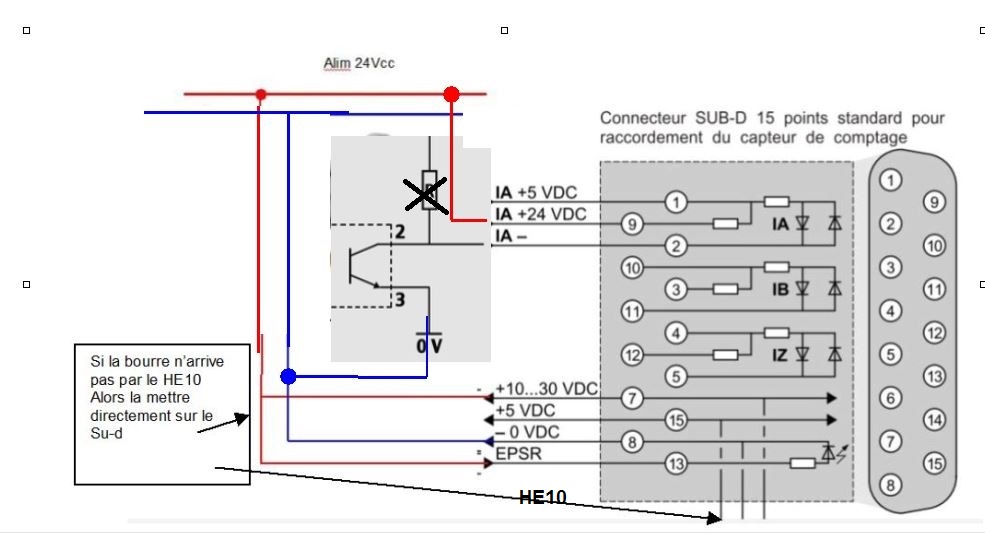
ci dessous le BON branchement


cliquer dessus pour agrandir
codeur.JPG
Automaticien privé (de tout)
itasoft@free.fr
TS95
Aguerri de l'automation
Aguerri de l'automation
Messages : 76
Enregistré le : 24 févr. 2017, 08:37

Re: Connecteur HE10

Message par TS95 »

Bonjour,

merci pour vos réponses. J'utilise en effet ce débitmètre mais avec une version antérieur. Le branchage reste le même cependant. Je test ce câblage... Ce que t'appelle la bourre c'est l'alimentation ?
TS95
Aguerri de l'automation
Aguerri de l'automation
Messages : 76
Enregistré le : 24 févr. 2017, 08:37

Re: Connecteur HE10

Message par TS95 »

Toujours aucunes détection du débit et défaut I/0 clignotant lorsque je ne connecte pas le HE10. Lorsque je connecte le HE10, plus aucun défaut mais aucune détection de Front montant. Pourtant le IA est clignotant dans la fenêtre de config, cest quil détecte quelque chose.
Avatar du membre
itasoft
Mi homme - Mi automate
Mi homme - Mi automate
Messages : 7803
Enregistré le : 20 oct. 2015, 10:15
Localisation : Lyon
Contact :

Re: Connecteur HE10

Message par itasoft »

slts,
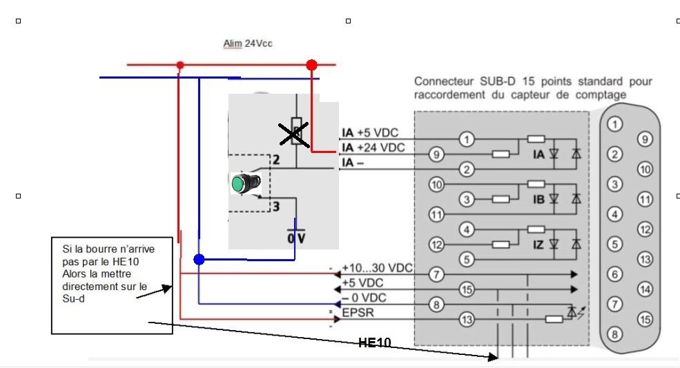
pour savoir si ça compte, mettre un bouton poussoir à la place du codeur

cliquer dessus
codeur.JPG
Automaticien privé (de tout)
itasoft@free.fr
TS95
Aguerri de l'automation
Aguerri de l'automation
Messages : 76
Enregistré le : 24 févr. 2017, 08:37

Re: Connecteur HE10

Message par TS95 »

Oui ça compte, car la valeur de IA réagis bien lorsque j'envoie l'eau et lorsque je la coupe. Il clignote quand il faut, s'éteint quand il faut. Malgré cela, je reste en Mesure invalide et valeur courant = 0. De plus, dans Mon grafcet, le contact correspondant à la détection des impulsions ne réagit pas et reste tjrs à 0
Avatar du membre
itasoft
Mi homme - Mi automate
Mi homme - Mi automate
Messages : 7803
Enregistré le : 20 oct. 2015, 10:15
Localisation : Lyon
Contact :

Re: Connecteur HE10

Message par itasoft »

(*programme*)



(* Carte Comptage CTY2A à l'emplacement 8 *)
%MD8.0.4:=16777000;(*Preselection*)
%Q8.0.1:=%S1 OR %S0;(*Raz*)
Valeur_codeur_m:=%ID8.0;
%Q8.0:=TRUE;(*Validation compteur*)
Automaticien privé (de tout)
itasoft@free.fr
TS95
Aguerri de l'automation
Aguerri de l'automation
Messages : 76
Enregistré le : 24 févr. 2017, 08:37

Re: Connecteur HE10

Message par TS95 »

Ligne 3 la valeur du codeur et %ID n'ont pas le même type de donné donc tu ne peux pas mettre une égalité
Avatar du membre
itasoft
Mi homme - Mi automate
Mi homme - Mi automate
Messages : 7803
Enregistré le : 20 oct. 2015, 10:15
Localisation : Lyon
Contact :

Re: Connecteur HE10

Message par itasoft »

slts,
déjà c'est pas une égalité, c'est une affectation, Valeur_codeur est du type 32 bits %MD ou ( DINT sur Unity)
ignorant !!!!
LOL
Automaticien privé (de tout)
itasoft@free.fr
TS95
Aguerri de l'automation
Aguerri de l'automation
Messages : 76
Enregistré le : 24 févr. 2017, 08:37

Re: Connecteur HE10

Message par TS95 »

A la place de Valeur_codeur_m je suis censé mettre mon %I1.1, mais son type n'est pas correspondant au %ID, donc affectation impossible
Répondre