Mode manuel sur programme SFC

Forum traitant des automates industriels de marque Mitsubishi electric
Avatar du membre
Autoreverse
Aguerri de l'automation
Aguerri de l'automation
Messages : 78
Enregistré le : 04 mai 2019, 12:30
Contact :

Mode manuel sur programme SFC

Message par Autoreverse »

Bonjour, sur un FX je dois ajouter un mode manuel pour faciliter les opérations de maintenance.
Le programme étant en SFC (Grafcet) le but est de passer manuellement à l'étape suivante en envoyant une impulsion sur une entrée dédiée.
Sauf qu'une impulsion sur cette entrée saute systématiquement toutes les étapes :|
J'ai essayé divers stratagèmes comme ajouter des relais auxiliaires fonctionnant sur l'étape active ou filtrer l'entrée avec la fonction [PLS] mais ça ne fonctionne pas mieux :(
Avatar du membre
itasoft
Mi homme - Mi automate
Mi homme - Mi automate
Messages : 7804
Enregistré le : 20 oct. 2015, 10:15
Localisation : Lyon
Contact :

Re: Mode manuel sur programme SFC

Message par itasoft »

Slts,
Mettre le contact "front montant" de l'entrée dédiée
Automaticien privé (de tout)
itasoft@free.fr
Avatar du membre
Autoreverse
Aguerri de l'automation
Aguerri de l'automation
Messages : 78
Enregistré le : 04 mai 2019, 12:30
Contact :

Re: Mode manuel sur programme SFC

Message par Autoreverse »

Merci pour ta réponse, malheureusement la fonction est grisée avec le FX0S.
Avatar du membre
itasoft
Mi homme - Mi automate
Mi homme - Mi automate
Messages : 7804
Enregistré le : 20 oct. 2015, 10:15
Localisation : Lyon
Contact :

Re: Mode manuel sur programme SFC

Message par itasoft »

slts,
faire un "front montant" programmé
exemple:
cliquer dessus
_1234.JPG
Automaticien privé (de tout)
itasoft@free.fr
Avatar du membre
Autoreverse
Aguerri de l'automation
Aguerri de l'automation
Messages : 78
Enregistré le : 04 mai 2019, 12:30
Contact :

Re: Mode manuel sur programme SFC

Message par Autoreverse »

L'astuce est sympa, mais ça saute toujours toutes les étapes.
J'ai une petite idée avec une fonction de type télérupteur, je creuse de ce coté en espérant ne pas faire une usine à gaz.
Avatar du membre
Autoreverse
Aguerri de l'automation
Aguerri de l'automation
Messages : 78
Enregistré le : 04 mai 2019, 12:30
Contact :

Re: Mode manuel sur programme SFC

Message par Autoreverse »

Voilà quelque chose qui fonctionne, ça donne ceci en Ladder avec X20 en entrée mode test :
-|X20|-------------[PLS M20]-
-|M20|------------[ALT M21]-
-|M21|------------[PLS M22]-
-|/M21|-----------[PLS M23]-
Le contact M22 permet de passer les transitions paires et M23 les transitions impaires.
Reste à tenter de simplifier tout ça car cela ajoute 10pas au programme.
Avatar du membre
itasoft
Mi homme - Mi automate
Mi homme - Mi automate
Messages : 7804
Enregistré le : 20 oct. 2015, 10:15
Localisation : Lyon
Contact :

Re: Mode manuel sur programme SFC

Message par itasoft »

slts,
Si c'est écris dans une section avant le grafcet , c'est pas normal que ça saute toutes les étapes, es que c'est un grafcet graphique ou programmé ?
Règles et normes du Grafcet :
Le passage à l’étape suivante ne doit se faire que au tour de cycle suivant, si ça passe toutes les étapes c'est que cette règle n'est pas respectée.
Automaticien privé (de tout)
itasoft@free.fr
Peio
Générateur de blocs fonctions
Générateur de blocs fonctions
Messages : 108
Enregistré le : 22 oct. 2015, 19:51

Re: Mode manuel sur programme SFC

Message par Peio »

Bonjour,

Je pense que si tu inverses les équations de tes étapes, tu n'auras plus de problèmes
Ecris en premier dans ton programme l'équation de la dernière étape, puis l'avant dernière .... jusqu'à la première

Cordialement
Avatar du membre
Autoreverse
Aguerri de l'automation
Aguerri de l'automation
Messages : 78
Enregistré le : 04 mai 2019, 12:30
Contact :

Re: Mode manuel sur programme SFC

Message par Autoreverse »

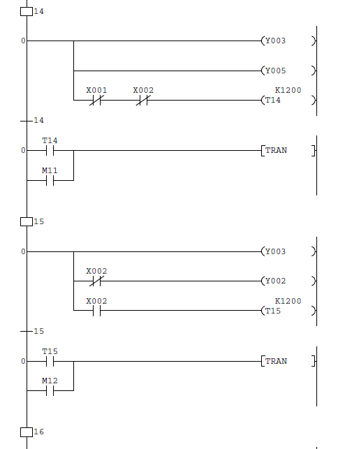
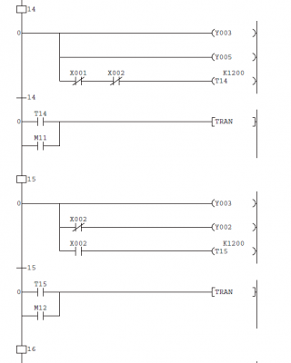
Un petit aperçu du programme, partie SFC :
tg3a.png
Et la partie Ladder :
tg3b.png
tg3b.png (7.59 Kio) Vu 10115 fois
X0 = départ cycle.
X7 = entrée mode test (bouton poussoir en série avec un inter à clé et un contact auxiliaire du sectionneur de puissance).
Si j'utilise X7 directement toutes les étapes sont sautées, par contre avec ce pifpaf à base de télérupteur et bobines M11/M12 ça fonctionne normalement.
Avatar du membre
itasoft
Mi homme - Mi automate
Mi homme - Mi automate
Messages : 7804
Enregistré le : 20 oct. 2015, 10:15
Localisation : Lyon
Contact :

Re: Mode manuel sur programme SFC

Message par itasoft »

slts,
Telerupteur ou non, le problème n'est pas là, il faut respecter la norme Grafcet ou ne pas appeler ça un "Grafcet"
ça sera un vrai Grafcet quand le bit "front montant" ne sautera plus toutes les étapes.
Automaticien privé (de tout)
itasoft@free.fr
Répondre