régulation temp° par vanne 3 voies 4..20ma

Forum traitant des automates industriels de marque Schneider - Telemecanique
Avatar du membre
kcnarf
Première mise en service
Première mise en service
Messages : 60
Enregistré le : 23 mai 2017, 17:07
Localisation : Rennes

régulation temp° par vanne 3 voies 4..20ma

Message par kcnarf »

Bonjour tout le monde,
est ce quelqu'un a déjà fait ce genre de choses. j'ai prévu d'utiliser le bloc Unity PIDFF avec un bloc Auto Tune juste avant.
J'ai jamais démarré ce genre de vanne. J'ose espérer partir sur la bonne piste.
Merci de votre aide;
Franck
la théorie c'est quand on sait tout mais que rien ne marche. La pratique c'est quand tout fonctionne et qu'on ne sait pas pourquoi.
Avatar du membre
sinced
Mi homme - Mi automate
Mi homme - Mi automate
Messages : 1273
Enregistré le : 13 oct. 2015, 16:56

Re: régulation temp° par vanne 3 voies 4..20ma

Message par sinced »

Bonjour,
Est il possible de decrire un peu ton procede ?
La vanne 3 voies c'est pour quoi ? Eau chaude/Eau froide ? Dosage de produit ?
Avatar du membre
kcnarf
Première mise en service
Première mise en service
Messages : 60
Enregistré le : 23 mai 2017, 17:07
Localisation : Rennes

Re: régulation temp° par vanne 3 voies 4..20ma

Message par kcnarf »

bonjour sinced et merci pour ta réponse
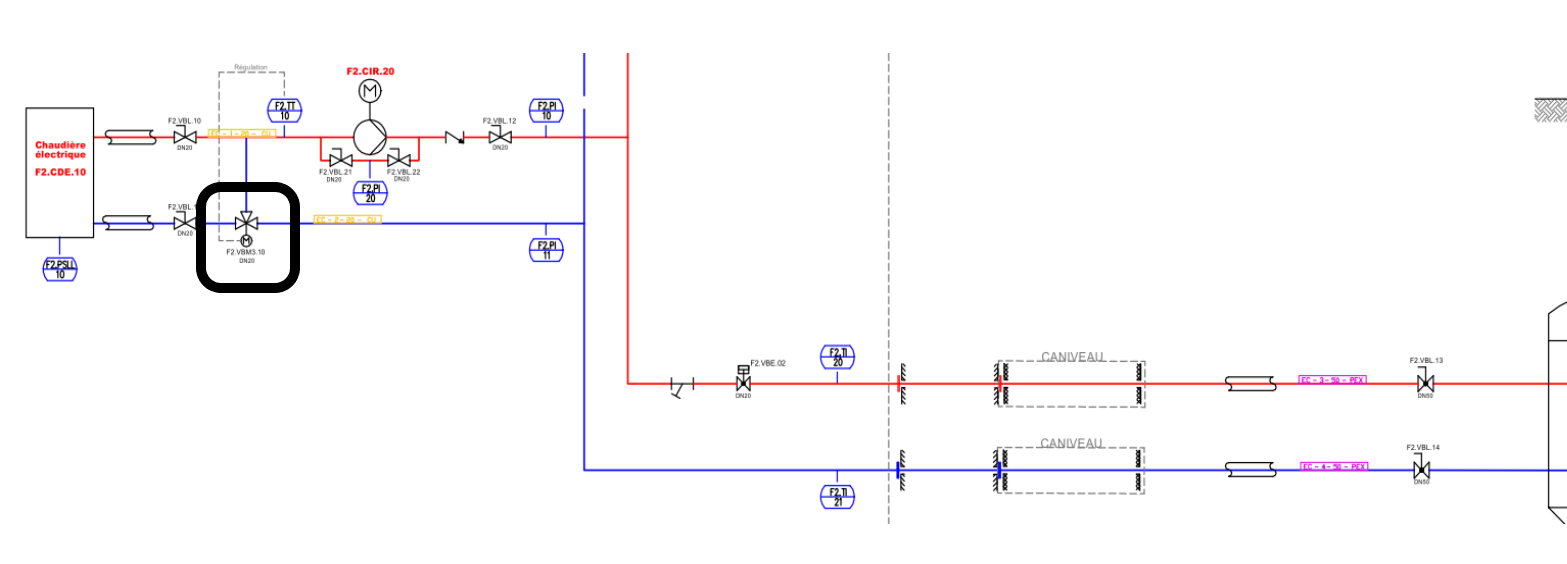
je joins un petit descriptif. Globalement on doit réguler en sortie de chaudière un chaud/froid.
Consigne aux alentours de 37°(méthanisation).
La vanne 3 voies est montée sur le retour eau froide. Elle ouvre plus ou moins ce retour.
regul v3v.png
la théorie c'est quand on sait tout mais que rien ne marche. La pratique c'est quand tout fonctionne et qu'on ne sait pas pourquoi.
Avatar du membre
kcnarf
Première mise en service
Première mise en service
Messages : 60
Enregistré le : 23 mai 2017, 17:07
Localisation : Rennes

Re: régulation temp° par vanne 3 voies 4..20ma

Message par kcnarf »

personne n'a une idée ?
la théorie c'est quand on sait tout mais que rien ne marche. La pratique c'est quand tout fonctionne et qu'on ne sait pas pourquoi.
Avatar du membre
itasoft
Mi homme - Mi automate
Mi homme - Mi automate
Messages : 7805
Enregistré le : 20 oct. 2015, 10:15
Localisation : Lyon
Contact :

Re: régulation temp° par vanne 3 voies 4..20ma

Message par itasoft »

slts,
déjà habituellement on met la vanne 3 voies au départ chaudière pour un mélange avec le retour eau froide
Comment se commande ta vanne 3 voies ? signal analogique ou TOR si ana. commande par la sortie du PID si TOR module SERVO en sortie du PID
Automaticien privé (de tout)
itasoft@free.fr
Avatar du membre
athenophis
Code sa première boucle
Code sa première boucle
Messages : 18
Enregistré le : 06 mai 2020, 22:46
Localisation : Lot et Garonne

Re: régulation temp° par vanne 3 voies 4..20ma

Message par athenophis »

la vanne 3 voie est bien sur le retour (comme ça elle reste prioritaire avec les pertes de charge du réseau et le KV de la pompe), on dit qu'elle est positionnée en mélange.
la régulation je suppose une sonde sur le départ et un moteur 0-10V ou 4-20mA pour piloter ton servomoteur, ensuite il faut faire une régulation PID.
sur une installation comme elle est dessinée je bloquerais le bi-pass de la V3V pour éviter de fermer complètement le côté chaudière.
pour ce genre d'installation normalement il faut mettre une bouteille de découplage comme ça ta chaudière boucle et régule sur la bouteille et toi ta V3V fait son taf côté régul.
pour le côté prog je ne peux pas te conseiller car je travail sur des automates "exotiques" par rapport à vous, donc j'ai créer mes blocs pour la gestion des V3V avec PI ou PID.

voilà si ça peut aider
Les cons, ça ose tout. C'est même à ça qu'on les reconnaît.(Michel Audiard)
Avatar du membre
itasoft
Mi homme - Mi automate
Mi homme - Mi automate
Messages : 7805
Enregistré le : 20 oct. 2015, 10:15
Localisation : Lyon
Contact :

Re: régulation temp° par vanne 3 voies 4..20ma

Message par itasoft »

slts,
on dit qu'elle est positionnée en mélange.
----------
Suis pas spécialiste en chaudières mais tu veux dire que avec la V3V on envoi +/- d'eau chaude sur le retour eau froide ??
Automaticien privé (de tout)
itasoft@free.fr
Avatar du membre
athenophis
Code sa première boucle
Code sa première boucle
Messages : 18
Enregistré le : 06 mai 2020, 22:46
Localisation : Lot et Garonne

Re: régulation temp° par vanne 3 voies 4..20ma

Message par athenophis »

itasoft a écrit : 17 juil. 2021, 00:56 slts,
on dit qu'elle est positionnée en mélange.
----------
Suis pas spécialiste en chaudières mais tu veux dire que avec la V3V on envoi +/- d'eau chaude sur le retour eau froide ??
non dans ce cas on est sur l'aspiration de la pompe au niveau du bipasse donc on mélange le retour avec une partie du départ de la chaudière, on est en répartition toujours ouvert côté émetteur et on réparti le débit une partie sur le bipasse pompe et une partie vers la chaudière.
le montage sur le départ chaudière peut être également fait tu va mélanger le départ de la chaudière avec le retour des émetteurs mais il faut prendre en compte le KV de la pompe et être assez loin de la pompe (pour éviter les problèmes de cavitation) il faut que le moteur de la V3V soit assez puissant pour palier aux pertes de charges (en gros quoi).

le mieux sur ce type d'installation serait de mettre la V3V sur le retour, le bipasse après le refoulement de la pompe et le côté toujours ouvert vers la chaudière comme ça il y a toujours une circulation d'eau dans la chaudière (c'est mieux pour sa régulation) => là on est en montage "décharge"
donc suivant comment tu veux réguler ta température soit tu monte en "mélange" température variable/débit constant soit tu monte en "décharge" débit variable/température constante.
enfin on s'écarte du sujet initial mais ça fait réviser :lol:
Les cons, ça ose tout. C'est même à ça qu'on les reconnaît.(Michel Audiard)
Avatar du membre
itasoft
Mi homme - Mi automate
Mi homme - Mi automate
Messages : 7805
Enregistré le : 20 oct. 2015, 10:15
Localisation : Lyon
Contact :

Re: régulation temp° par vanne 3 voies 4..20ma

Message par itasoft »

slts,
OK, compris
Automaticien privé (de tout)
itasoft@free.fr
Avatar du membre
kcnarf
Première mise en service
Première mise en service
Messages : 60
Enregistré le : 23 mai 2017, 17:07
Localisation : Rennes

Re: régulation temp° par vanne 3 voies 4..20ma

Message par kcnarf »

merci itasoft et atheno pour avoir pris le temps de me répondre.
Je vois que tu es un spécialiste de ce type de régulation atheno (dommage que tu ne travailles pas en schneider :D )
Concernant mon système, je pilote en 0..10V la vanne.
Question :
si je monte en tension je fais quoi ? ouverture vanne ? fermeture vanne ? la température varie dans quel sens ?
en gros : 10V ----> Vanne 100% ouverte ? 2V ---> fermeture ? (il m'a semblé voir qu' on ne travaille pas en dessous de 2Volts sur ce type de vanne)
Franck
Répondre