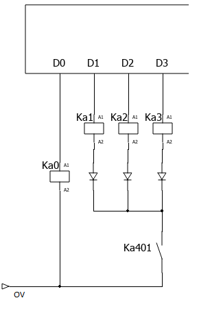
Dans ce cas, ça ne résout pas vraiment mon problème: j'ai déjà des relais commandés individuellement par les sorties de l'automate (représentés par les relais Ka1, Ka2... sur mon schéma).Non du tout chaque relais est commandé indépendamment par une sortie de l’automate (repéré 1+, 2+ etc etc…)
Ka 401 est situé en amont de ces relais, commandé par plusieurs autres organes (l'AU, un commutateur auto/manuel, et une sortie de l'automate indiquant que celui-ci est opérationnel)
Je suis d'accord, et c'est également le cas: un des contacts de Ka401 est branché sur une entrée automate, et si cette entrée tombe à 0 post initialisation, le programme sort en défaut.si je devais le faire, Je câblerai KA401 sur une entrée de l’automate et programmerai cette condition dans l’automate.
Le rôle du circuit présenté ici est de servir de sécurité câblée dans le cas ou l'automate ne fonctionnerait pas correctement, (tout en permettant à l'opérateur de venir créer des anomalies dans le process quand l'automate fonctionne normalement)
@philou77, Gigi
L'ampèrage est clairement un problème pour les diodes, effectivement; je suis en train de regarder si il serait possible de déplacer l'action de Ka401 un niveau au dessus, sur l'alimentation des bobines

