Je suis viens de réaliser le câblage d'un coffret électrique destiné à la domotique d'une maison neuve.
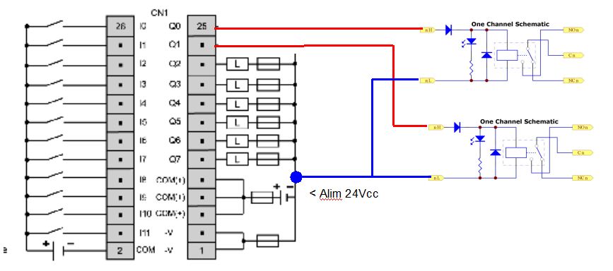
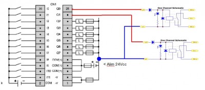
Celui-ci est composé d'un automate twido TWDLMDA40DTK avec une extension TWDDDI32DK et une extension TWDDDO32UK.
Les sorties pilotent des interfaces de ce type:
http://www.ebay.fr/itm/201224692697?_tr ... EBIDX%3AIT
Malheureusement les sorties ne fonctionnent pas, toutes mes sorties sont à 1 sur les interfaces (relais collé) alors quelles sont à 0 sur l'automate. Si j'active une sortie sur l'automate, le relais sur l'interface de change pas d'état.
J'y connais rien en électronique, pouvez-vous m'expliquer le problème au vu des schémas des interfaces et de l'automate.
J'espère qu'il y a une solution, sinon je suis dans la m...
Merci d'avance .
Câblage des sorties automates:

Câblage des relais de mes interfaces omron:



