Precision sur DFB

Forum traitant des automates industriels de marque Schneider - Telemecanique
Avatar du membre
andala
Créateur de langage
Créateur de langage
Messages : 505
Enregistré le : 19 déc. 2016, 10:24
Localisation : Atlantide

Precision sur DFB

Message par andala »

Bonjour a tous,
j'ai un problème sur la compréhension d'un DFB!
vu qu'une image est parfois mieux qu'un long discours, je vous joint donc des images ;)

apres avoir vu les 3 image ci jointes, Pouvez-vous me dire pourquoi dans le DFB le bit du mot "M_vanne[0]:X2 n’était pas activé alors que son "homologue" %MW22520:X2 lui l’était? dans quel circonstance cela est-il possible ?

PS: les images n'ont pas été prise au moment du probleme !
Fichiers joints
programme incluant le DFB
programme incluant le DFB
Image du programme au mot %MW22520:X2
Image du programme au mot %MW22520:X2
programme a l'interieur du DFB
programme a l'interieur du DFB
dans_DFB.jpg (10.55 Kio) Vu 4828 fois
Une bonne action en entraine toujours une autre
Avatar du membre
Cyril93
Maître du binaire
Maître du binaire
Messages : 484
Enregistré le : 29 oct. 2015, 14:22
Localisation : IDF

Re: Precision sur DFB

Message par Cyril93 »

Salut,

"M_vanne[0]:X2" sur la capture c'est un contact que l'on voit, impossible de répondre sans voir l'équation de la bobine.
Avatar du membre
andala
Créateur de langage
Créateur de langage
Messages : 505
Enregistré le : 19 déc. 2016, 10:24
Localisation : Atlantide

Re: Precision sur DFB

Message par andala »

Cyril93 a écrit : 21 févr. 2017, 09:42 Salut,

"M_vanne[0]:X2" sur la capture c'est un contact que l'on voit, impossible de répondre sans voir l'équation de la bobine.
M_vanne[0]:X2 n'a pas de bobine; la bobine qui lui correspond est %MW22520:X2 mais en ce moment meme %MW22520:X2=1 alors que M_vanne[0]:X2=0
c'est sa que je comprend pas !
Une bonne action en entraine toujours une autre
Avatar du membre
Cyril93
Maître du binaire
Maître du binaire
Messages : 484
Enregistré le : 29 oct. 2015, 14:22
Localisation : IDF

Re: Precision sur DFB

Message par Cyril93 »

ça doit travailler sur les mots, impossible de dire sans voir le code du DFB, envoi en MP si tu peux
Avatar du membre
andala
Créateur de langage
Créateur de langage
Messages : 505
Enregistré le : 19 déc. 2016, 10:24
Localisation : Atlantide

Re: Precision sur DFB

Message par andala »

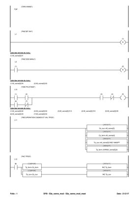
tu veux tout le programme du DFB ? ok ^^
Fichiers joints
LD _ DFB - S3a_vanne_mod - S3a_3.jpg
LD _ DFB - S3a_vanne_mod - S3a_2.jpg
LD _ DFB - S3a_vanne_mod - S3a_1.jpg
Une bonne action en entraine toujours une autre
Avatar du membre
andala
Créateur de langage
Créateur de langage
Messages : 505
Enregistré le : 19 déc. 2016, 10:24
Localisation : Atlantide

Re: Precision sur DFB

Message par andala »

la suite
Fichiers joints
LD _ DFB - S3a_vanne_mod - S3a_5.jpg
LD _ DFB - S3a_vanne_mod - S3a_4.jpg
Une bonne action en entraine toujours une autre
Avatar du membre
Cyril93
Maître du binaire
Maître du binaire
Messages : 484
Enregistré le : 29 oct. 2015, 14:22
Localisation : IDF

Re: Precision sur DFB

Message par Cyril93 »

Je suis pas sur que PL7 PRO sache faire la visu dynamique de la bonne instance. Je me rappel plus à vrai dire peux être que quelqu'un d'autre pourra nous renseigner sur la visualisation dynamique des instances des DFB ?
philou77
Mi homme - Mi automate
Mi homme - Mi automate
Messages : 2142
Enregistré le : 21 oct. 2015, 10:00
Localisation : Ile de France

Re: Precision sur DFB

Message par philou77 »

Je ne sais pas si on peut visualiser la bonne instance mais :
(Edit)
Après avoir créé un court programme test, il faut déclarer des nom d'instances du DFB dans les variables.
Dans le programme, les appels au DFB sont renseignés avec les noms d'instance déclarés.
Donc si chaque instance à un nom différent, ont peux visualiser le DFB en double cliquant dessus ou bien avec le "nom d'instance.paramètre" dans la table de vsiualisation d'état.
Pas possible d'après moi de voir l'état particulier d'une même instance de DFB appelée plusieurs fois

à la question :
Pouvez-vous me dire pourquoi dans le DFB le bit du mot "M_vanne[0]:X2 n’était pas activé alors que son "homologue" %MW22520:X2 lui l’était? dans quel circonstance cela est-il possible ?
le DFB doit être appelé plusieurs fois dans le programme avec à chaque fois des paramètres différents :
le %MW22520 dans un cas, un autre mot dans un autre.
La visualisation te montre l'état du paramètre (et non de ton %MW) à un instant 'T' hors, les paramètres changent à chaque appel du DFB.
C'est pourquoi tu ne peux pas être sûr de la visualisation..et que tu as des affichages 'incohérents' d'états
Si vous avez compris tout ce que je viens d'écrire, c'est que j'ai dû faire une erreur quelque part ! :D
Avatar du membre
andala
Créateur de langage
Créateur de langage
Messages : 505
Enregistré le : 19 déc. 2016, 10:24
Localisation : Atlantide

Re: Precision sur DFB

Message par andala »

OK je comprenai pas ce que vous vouliez dire par l'instance est appeler plusieurs fois; j'ai compris maintenant
je comprend maintenant pourquoi je n'avais rien qui correspondait et des fois sa marchais
merci

Mais alors ? pourquoi faire des DFB c'est plus chiant du coup et surtout pour dépanner ? non ?
Une bonne action en entraine toujours une autre
philou77
Mi homme - Mi automate
Mi homme - Mi automate
Messages : 2142
Enregistré le : 21 oct. 2015, 10:00
Localisation : Ile de France

Re: Precision sur DFB

Message par philou77 »

Pour éviter d'écrire plein de fois la même chose..
Pour faire des modifs plus rapidement...(une modif dans le bloc, modifie toutes les instances d'un coup)
Imagine devoir gérer 25 Moteurs....
ou tu écris 25 fois la meme chose... ou tu l'écris une fois et tu appelle 25 instances avec les bonnes entrées et sorties...
Etc....
et puis quand ça marche, pas besoin de dépanner..
Si vous avez compris tout ce que je viens d'écrire, c'est que j'ai dû faire une erreur quelque part ! :D
Répondre