Bonjour
Je veux commander une bande a LED avec le contrôleur Arduino, pour le moment je suis bloqué car j'ai pas trouvé un fournisseur qui vendre une bande a LED adressable.
Merci de m'aider????
Affichage
- itasoft
- Mi homme - Mi automate

- Messages : 7805
- Enregistré le : 20 oct. 2015, 10:15
- Localisation : Lyon
- Contact :
Re: Affichage
slts,
des bandes a LED adressables il y en as plein le Web , faut chercher.
des bandes a LED adressables il y en as plein le Web , faut chercher.
Automaticien privé (de tout)
itasoft@free.fr
itasoft@free.fr
- steph31
- Forcené des structures

- Messages : 191
- Enregistré le : 20 oct. 2015, 19:17
- Localisation : Toulouse
Re: Affichage
google est t'on ami. il suffi de lui demander.
https://www.amazon.fr/CHINLY-300leds-ad ... adressable
pour une bande a LED, si il y a une seule autant prendre une bande a LED RGB et 3 sortie PWM sur l'arduino avec 3 mosfet's.
Il y a cette solution pour piloté des bandeaux a LED RGB en DMX512.
https://www.ebay.fr/itm/Dmx512-Decoder- ... 467334eba7
j'en ai acheté 3 pour piloté des bandeaux LED avec un 8051 et interfacé avec un PC. le DMX512 est un protocole standardisé pour les animations d’éclairage dans le domaine de la scène et du spectacle. Maintenant tout dépend de ce que vous voulez faire avec?
@+
Re: Affichage
je vous remercie énormément.steph31 a écrit : ↑23 janv. 2018, 21:15google est t'on ami. il suffi de lui demander.
https://www.amazon.fr/CHINLY-300leds-ad ... adressable
pour une bande a LED, si il y a une seule autant prendre une bande a LED RGB et 3 sortie PWM sur l'arduino avec 3 mosfet's.
Il y a cette solution pour piloté des bandeaux a LED RGB en DMX512.
https://www.ebay.fr/itm/Dmx512-Decoder- ... 467334eba7
j'en ai acheté 3 pour piloté des bandeaux LED avec un 8051 et interfacé avec un PC. le DMX512 est un protocole standardisé pour les animations d’éclairage dans le domaine de la scène et du spectacle. Maintenant tout dépend de ce que vous voulez faire avec?
@+
Re: Affichage
FahdAmeri a écrit : ↑24 janv. 2018, 15:27je vous remercie énormément, et si possible pouvez vous m'envoyer la cahier de charge pour prendre une idée plus détaillé car en électronique c'est ma 1er application d'ahbitude je travaillé sur les les automate programmable.steph31 a écrit : ↑23 janv. 2018, 21:15google est t'on ami. il suffi de lui demander.
https://www.amazon.fr/CHINLY-300leds-ad ... adressable
pour une bande a LED, si il y a une seule autant prendre une bande a LED RGB et 3 sortie PWM sur l'arduino avec 3 mosfet's.
Il y a cette solution pour piloté des bandeaux a LED RGB en DMX512.
https://www.ebay.fr/itm/Dmx512-Decoder- ... 467334eba7
j'en ai acheté 3 pour piloté des bandeaux LED avec un 8051 et interfacé avec un PC. le DMX512 est un protocole standardisé pour les animations d’éclairage dans le domaine de la scène et du spectacle. Maintenant tout dépend de ce que vous voulez faire avec?
@+
- steph31
- Forcené des structures

- Messages : 191
- Enregistré le : 20 oct. 2015, 19:17
- Localisation : Toulouse
Re: Affichage
Bonsoir
Je n'ai pas de cahier de charge pour mon projet, C'est un projet plus pour me distraire.
J'ai acheté des bandeaux LED RGB standard 4 fils, j'ai acheté 3 circuits comme sur le lient plus haut sur Ebay.
Pour piloté les bandeaux LED, j'ai téléchargé ce ci:
https://winampheritage.com/plugin/dmx-5 ... how/139289
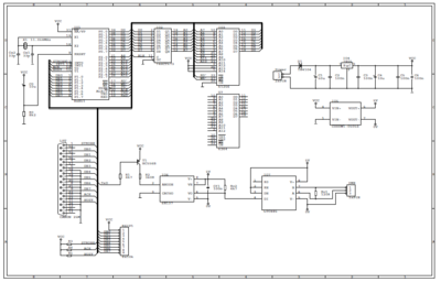
Et pour interfacé le bus DMX512 via le port parallèle du PC j'ai réalisé un circuit convertisseur parallèle LPT série RS485 unidirectionnel avec un microcontrôleur 8051.
Schémas trouvé sur le net. Circuit imprimé redessiné par mois même.
C ica vous intéresse, il faut que je vous fasse un "ZIP" de mon projet avec le code a programmé dans le 8051. pour cela il vous faut un programmateur universel qui prend en charge les AT89C51. Il n'y a pas de platine Arduino dans ce projet.
Mettre en place le protocole DMX512 avec un arduino, il y a plein de tuto sur le net.
Pour le logiciel, il faut l'exploré car je ne le connait pas par cœur.
Je suis en déplacement pour mon boulot, Il faut que je recherche dans mes archive ce projet quand je serait rentrée chez mois. Genre de projet ou je m'amuse avec et ça fini au fond d'un tiroir.
Je n'ai pas de cahier de charge pour mon projet, C'est un projet plus pour me distraire.
J'ai acheté des bandeaux LED RGB standard 4 fils, j'ai acheté 3 circuits comme sur le lient plus haut sur Ebay.
Pour piloté les bandeaux LED, j'ai téléchargé ce ci:
https://winampheritage.com/plugin/dmx-5 ... how/139289
Et pour interfacé le bus DMX512 via le port parallèle du PC j'ai réalisé un circuit convertisseur parallèle LPT série RS485 unidirectionnel avec un microcontrôleur 8051.
Schémas trouvé sur le net. Circuit imprimé redessiné par mois même.
C ica vous intéresse, il faut que je vous fasse un "ZIP" de mon projet avec le code a programmé dans le 8051. pour cela il vous faut un programmateur universel qui prend en charge les AT89C51. Il n'y a pas de platine Arduino dans ce projet.
Mettre en place le protocole DMX512 avec un arduino, il y a plein de tuto sur le net.
Pour le logiciel, il faut l'exploré car je ne le connait pas par cœur.
Je suis en déplacement pour mon boulot, Il faut que je recherche dans mes archive ce projet quand je serait rentrée chez mois. Genre de projet ou je m'amuse avec et ça fini au fond d'un tiroir.
- steph31
- Forcené des structures

- Messages : 191
- Enregistré le : 20 oct. 2015, 19:17
- Localisation : Toulouse
Re: Affichage
Le circuit redessiné par moi même
Re: Affichage
Merci beaucoup mon ami je vous attend.
