Je travaille actuellement sur un boitier électrique et j'ai à mettre en place une logique câblée pour commander les sorties. Je suis plutôt débutant sur ce genre de systèmes et je ne connais pas bien les règles et les exigences en place.
j'utilise principalement des relais Schneider Harmony 4O/4F montés sur Rail DIN. Je m'efforce donc d'utiliser 4 contacts NO ou moins pour chaque relais.
J'ai une douzaine de sorties (solénoïdes pour distributeurs hydrauliques) On a spécifié que chaque sortie X est commandée par deux moyens:
- un relais KaX spécifique (commandé par l'automate) si le relais de contrôle Ka401 est activé
- un actionneur manuel BPX, que ka401 soit activé ou non
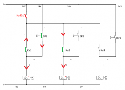
le schéma simplifié de base serait le suivant: (c'est une version simplifiée: il y a en réalité 12 sorties, et des contacts supplémentaires autours, mais qui n'interviennent pas dans mon problème pour l'instant)
Le problème de cette version est que j'aurai besoin d'utiliser un grand nombre de contacts Ka401. J'essaie d'élaborer une autre version pour réduire ce nombre.
Initialement, j'avais prévu de n'utiliser qu'un seul contact Ka401 en modifiant mon circuit de la manière suivante: Mais en l'état, ça ne fonctionne pas: dans le cas ou Ka401 est désactivé, ou plusieurs relais automates sont activés, et ou on active l'un des actionneurs manuels correspondant, la circulation du courant provoque la mise sous tension de toutes les sorties dont le relai automate est activé
(L'automate n'est pas sensé permettre à un tel cas de se produire, mais pallier aux éventuels dysfonctionnement de l'automate est justement la raison pour laquelle on veut de la logique câblée en premier lieu)
Je ne trouve pas trop de solution "propres" à ça
- Mon premier réflexe aurait été de rajouter des diodes en amont de chaque contact automate, mais ça me semble peu adapté vu le type de circuit (industriel, courants >1A)
- Revenir au circuit de base m'obligerait à trouver 12 contacts différents, placer plusieurs relais côte à côte ne me semble pas très orthodoxe
merci de votre aide




